GM Service Manual Online
For 1990-2009 cars only
Makes
🢒
Buick
🢒
2007
🢒
Allure
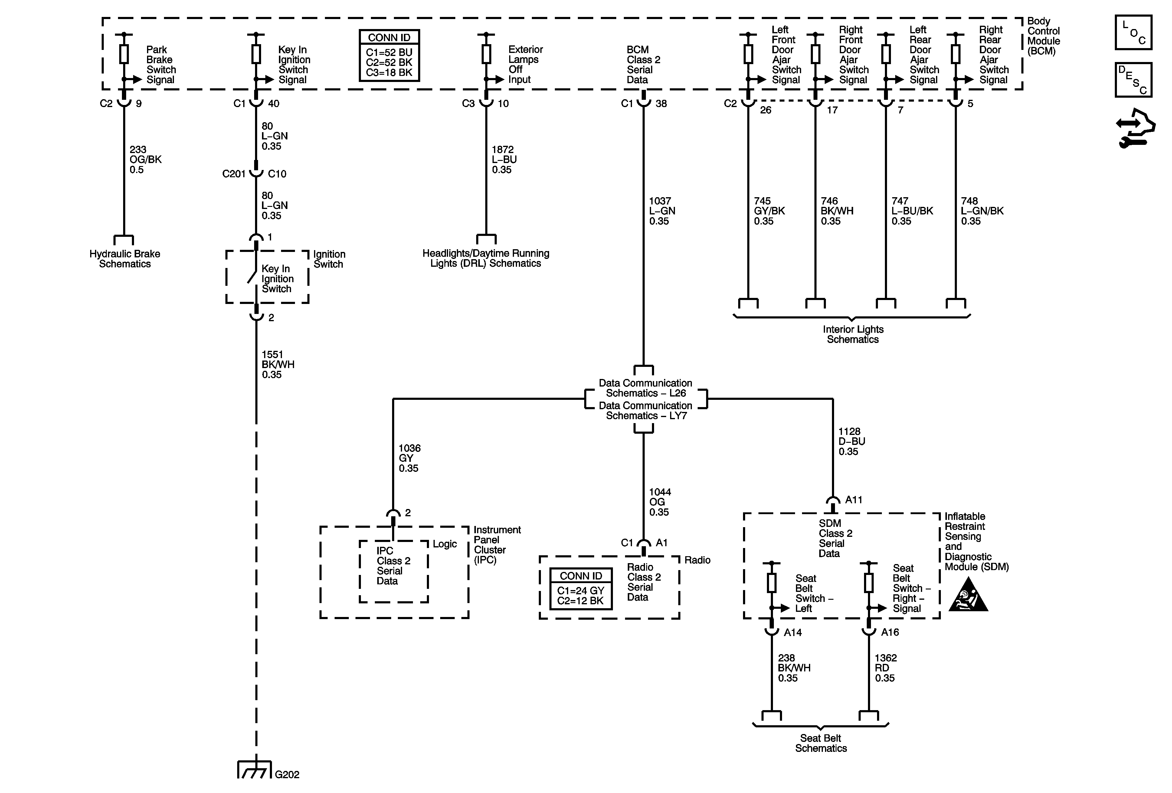
🢒 Audible Warnings Schematics
Audible Warnings Schematics
Master Electrical Component List
Audible Warnings Description and Operation
Control Module References
Hydraulic Brakes/Brake Warning System
Headlights/Daytime Running Lights (DRL) Schematics
Lights Lamp Controls
Data Link Connector Schematics L26
Data Link Connector (DLC) Schematics LY7
Displays and Gages Schematic Icons
G202
Seat Belts Schematics