GM Service Manual Online
For 1990-2009 cars only
Makes
🢒
Buick
🢒
2007
🢒
Allure
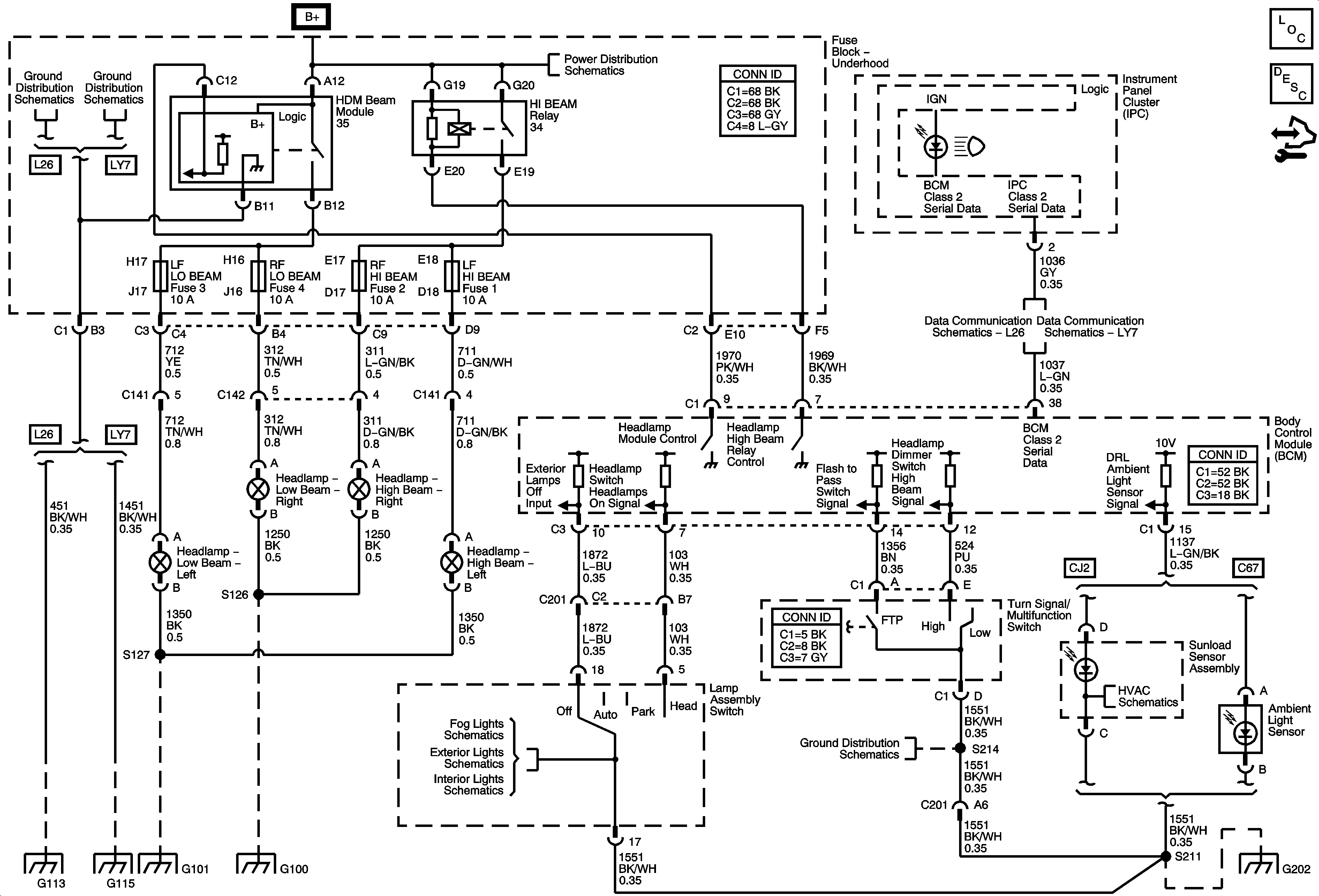
🢒 Headlights/Daytime Running Lights (DRL) Schematics
Headlights/Daytime Running Lights (DRL) Schematics
Master Electrical Component List
Exterior Lighting Systems Description and Operation
Control Module References
G101, G102, G103, G111, G112, and G113
G115 (LY7)
Fuse Block-Underhood B+ Bus
Data Link Connector Schematics L26
Data Link Connector (DLC) Schematics LY7
Steering Wheel and Front Passenger Door Lighting
Lights Park Lamps
Lights Lamp Controls
G202
AIR Temperature and Sunload Sensors
G101, G102, G103, G111, G112, and G113
G115 (LY7)
G101, G102, G103, G111, G112, and G113
07 Ground Distribution G100
G202