GM Service Manual Online
For 1990-2009 cars only
Makes
🢒
Buick
🢒
2000
🢒
Century
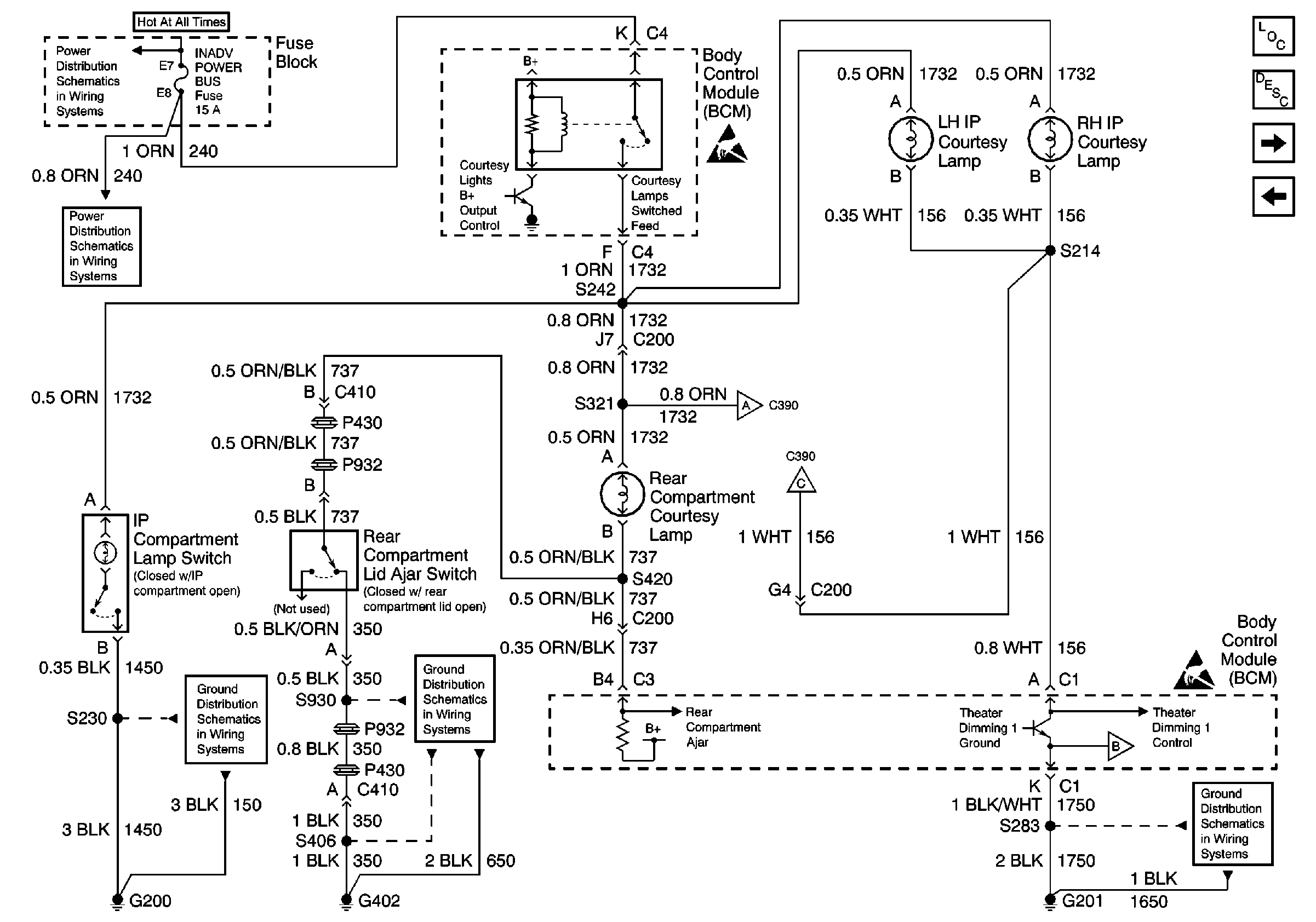
🢒 IP Compartment Lamp Switch, Rear Compartment Lid Ajar Switch and Courtesy Lamps
IP Compartment Lamp Switch, Rear Compartment Lid Ajar Switch and Courtesy Lamps
IP Compartment Lamp Switch, Rear Compartment Lid Ajar Switch and Courtesy Lamps
Battery, UAWJB, Fuse Block, Headlamp Switch, Parklamp and Headlamp Relay
Radio, HVAC, RFA, Cluster, Cel Tel, BCM Power, INADV Power Bus, Radio PRM Sound, and Cigar Lighter/Data Link Fuses
G200
G402 cont.
Handling ESD Sensitive Parts Notice
Interior Lights
Interior Lights
Handling ESD Sensitive Parts Notice
G201
Body Control Module Components
Body Control System Circuit Description
Interior Lights
Turn Signal Inputs