GM Service Manual Online
For 1990-2009 cars only
Makes
🢒
Buick
🢒
2000
🢒
LeSabre
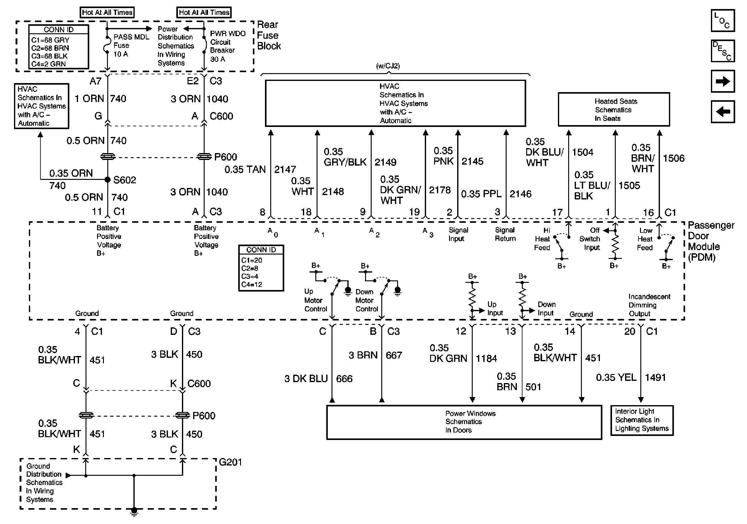
🢒 Passenger Door Module (PDM) Power and Ground
Passenger Door Module (PDM) Power and Ground
Passenger Door Module (PDM) Power and Ground
Power Door Systems Components
Driver Door Module (DDM) Inputs/Outputs
Driver Door Module (DDM) Power and Ground
HVAC BATT, DRV MDL, PASS MDL and RRDRMDL Fuses (Rear Fuse Block)
PWR WDO and PWR SEAT Circuit Breakers (Rear Fuse Block)
Passenger Side Climate Control W/CJ2
RH Heated Seat Switch
G201 (1 of 2)
RH Front Door
Front Door Dimming