GM Service Manual Online
For 1990-2009 cars only
Makes
🢒
Buick
🢒
2000
🢒
LeSabre
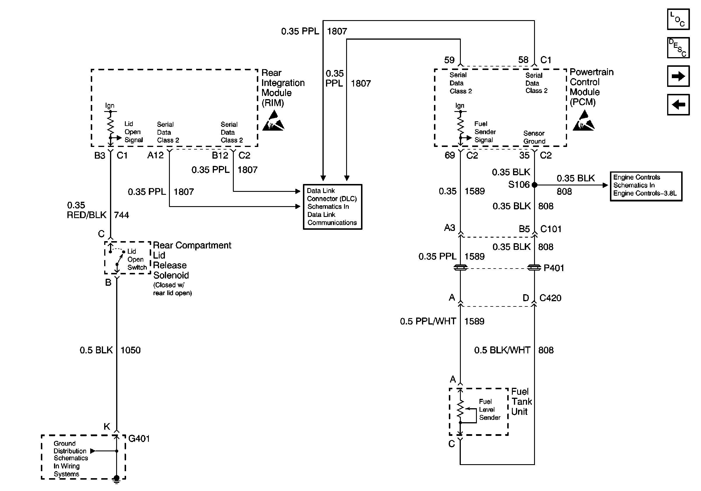
🢒 Fuel Sender Rear Compartment Lid Switch
Fuel Sender Rear Compartment Lid Switch
Fuel Sender Rear Compartment Lid Switch
Instrument Cluster and HUD Components
Instrument Cluster Operation
Door Jamb Switches
DIC Switch ( w/UB7 )
Handling ESD Sensitive Parts Notice
Sensors
G401 (2 of 2)
Serial Data Class 2
Handling ESD Sensitive Parts Notice