GM Service Manual Online
For 1990-2009 cars only
Figure 1:

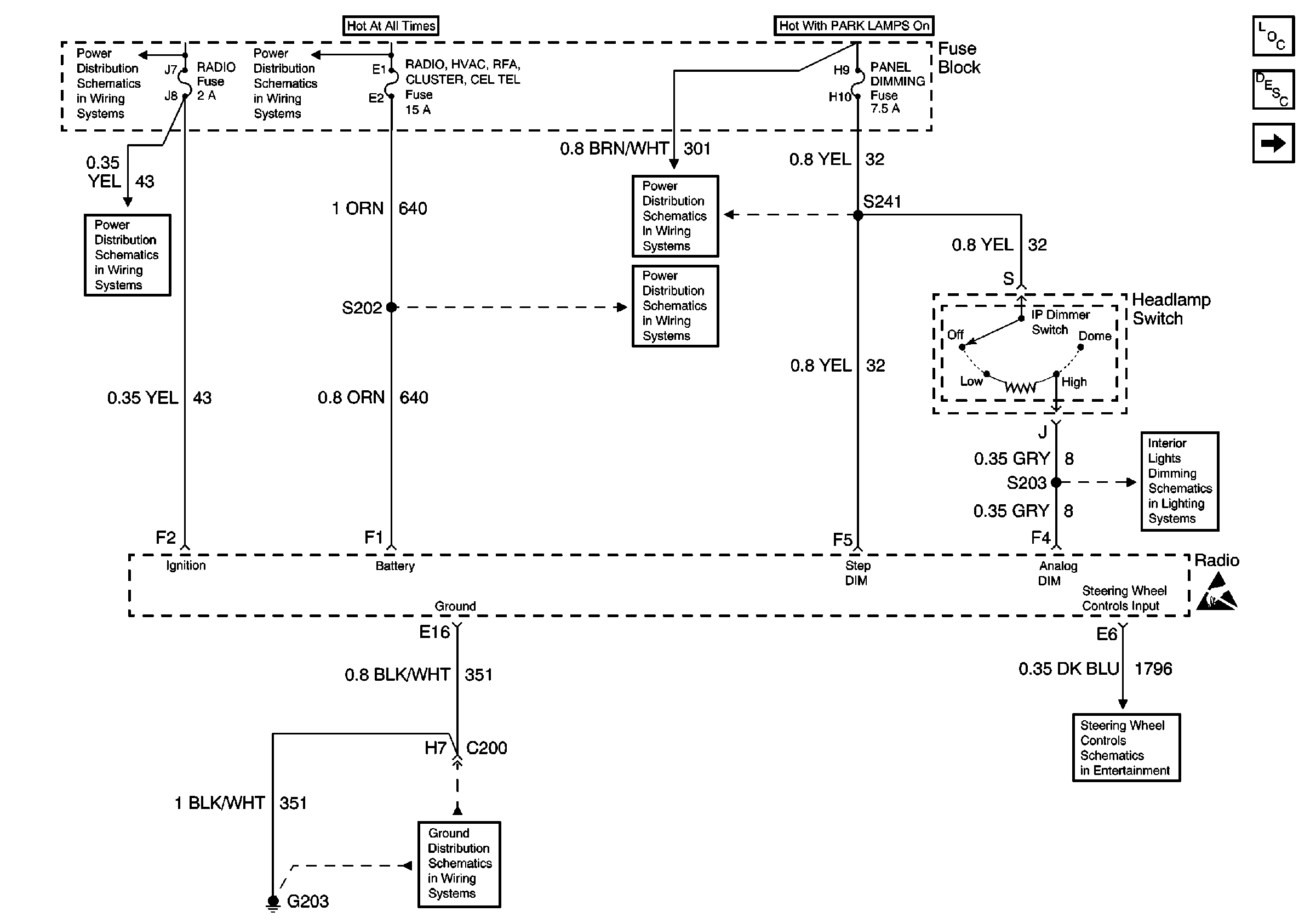
Power, Headlamp Switch and Ground


Object Number: 592904  Size: FS
Wiper Fuse, BCM ACC, Power Drop, Radio and Steering Wheel Cont Fuses
Wiper Fuse, BCM ACC, Power Drop, Radio and Steering Wheel Cont Fuses
Radio, HVAC, RFA, Cluster, Cel Tel, BCM Power, INADV Power Bus, Radio PRM Sound, and Cigar Lighter/Data Link Fuses
G203 cont.
Front Park Lamps, Tail Lamps, License Lamps, and Panel Dimming Fuses
Radio, HVAC, RFA, Cluster, Cel Tel, BCM Power, INADV Power Bus, Radio PRM Sound, and Cigar Lighter/Data Link Fuses
Headlamp Switch, Radio Control Switches, HVAC, Ashtray, Instrument Cluster, and Electronic Traction Control Switch Lamps
Handling ESD Sensitive Parts Notice
Steering Wheel Controls
Entertainment Components
Radio/Audio System Description
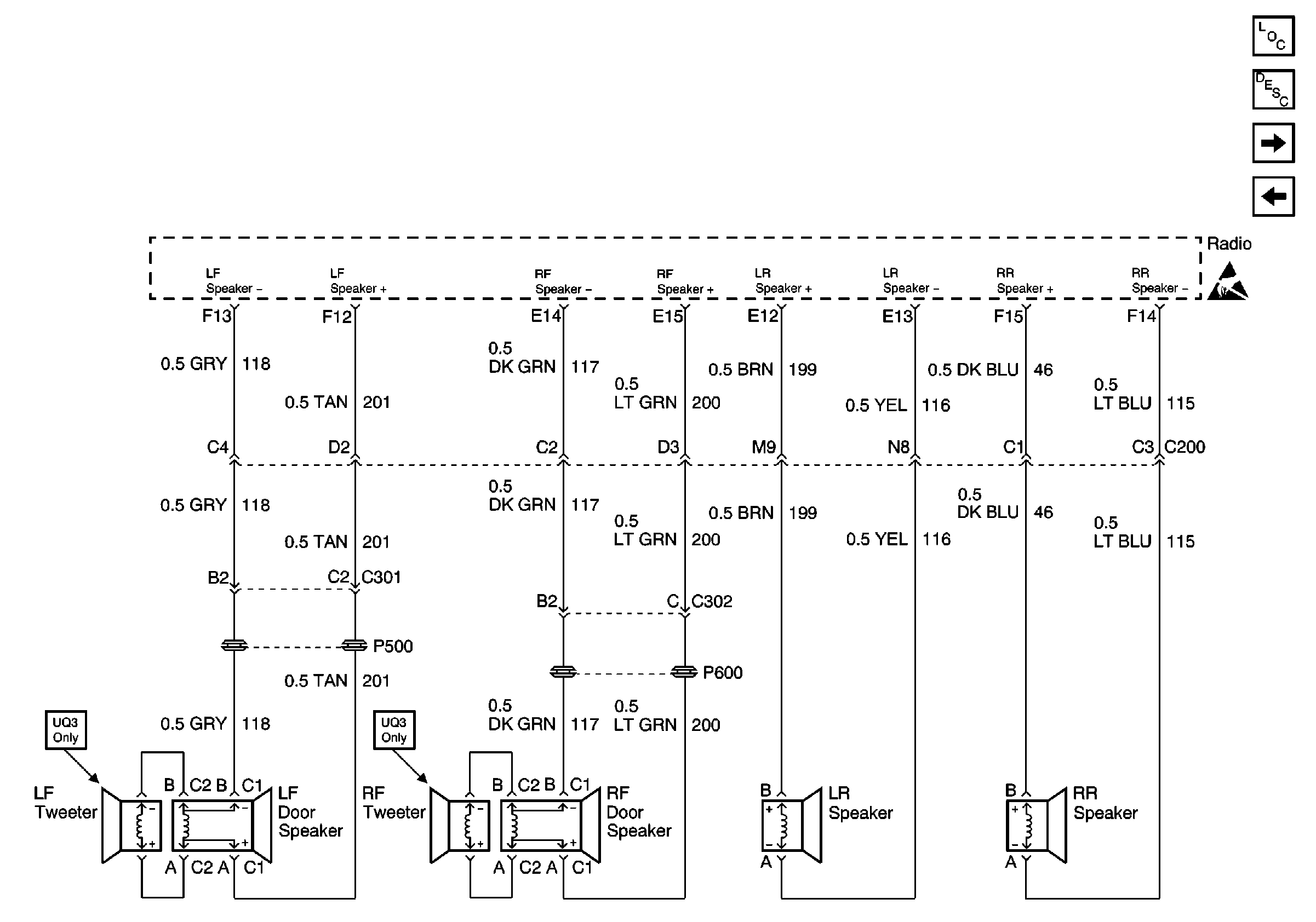
UQ3 Speaker System
Figure 2:

UQ3 Speaker System


Object Number: 592911  Size: FS
Handling ESD Sensitive Parts Notice
Entertainment Components
Radio/Audio System Description
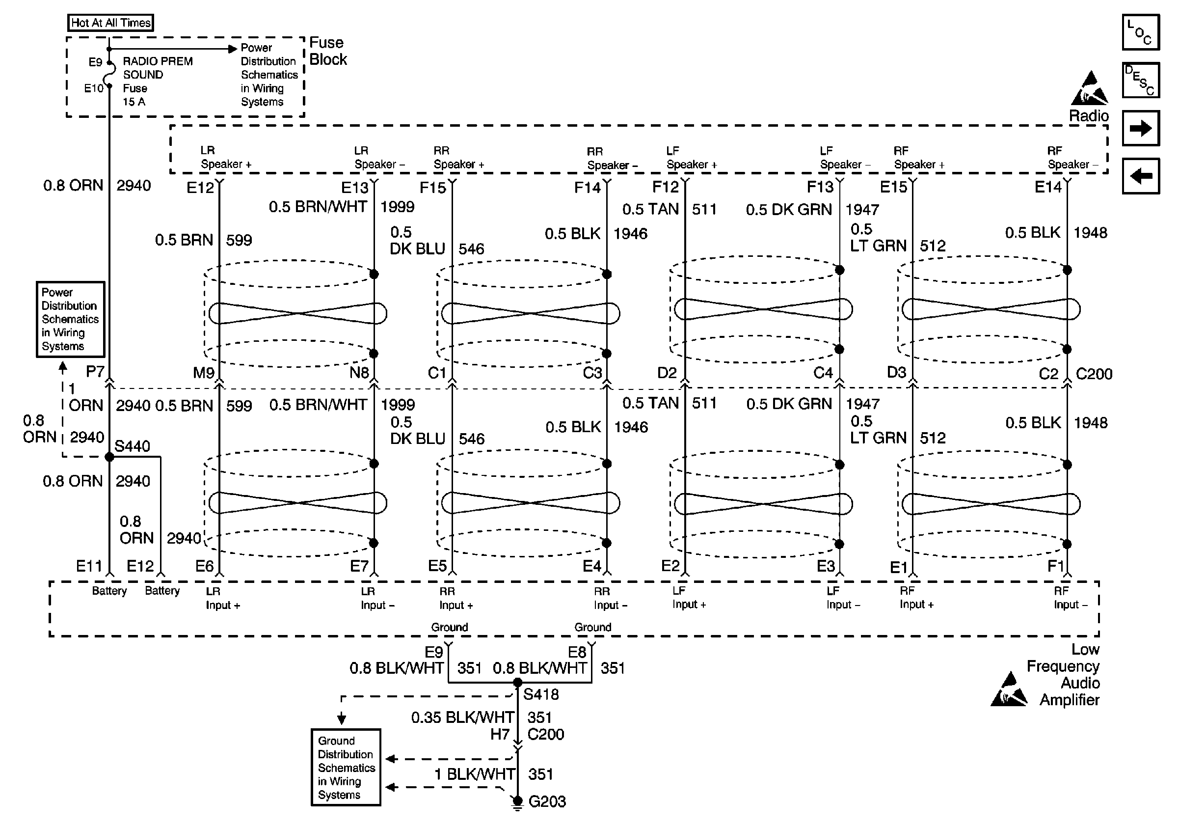
Power, Low Frequency Audio Amplifier and Ground
Power, Headlamp Switch and Ground
Figure 3:

Power, Low Frequency Audio Amplifier and Ground


Object Number: 592919  Size: FS
Radio, HVAC, RFA, Cluster, Cel Tel, BCM Power, INADV Power Bus, Radio PRM Sound, and Cigar Lighter/Data Link Fuses
Radio, HVAC, RFA, Cluster, Cel Tel, BCM Power, INADV Power Bus, Radio PRM Sound, and Cigar Lighter/Data Link Fuses
G203 cont.
Handling ESD Sensitive Parts Notice
Handling ESD Sensitive Parts Notice
Entertainment Components
Radio/Audio System Description
Low Frequency Audio Amplifie, and Bose® Rear Speaker System
UQ3 Speaker System
Figure 4:

Low Frequency Audio Amplifie, and Bose® Rear Speaker System


Object Number: 349389  Size: FS
Handling ESD Sensitive Parts Notice
Handling ESD Sensitive Parts Notice
Entertainment Components
Radio/Audio System Description
Low Frequency Audio Amplifier, and Bose® Front Speaker System
Power, Low Frequency Audio Amplifier and Ground
Figure 5:

Low Frequency Audio Amplifier, and Bose® Front Speaker System


Object Number: 592922  Size: FS
Handling ESD Sensitive Parts Notice
Entertainment Components
Radio/Audio System Description
Power, Remote CD Changer, Ground
Low Frequency Audio Amplifie, and Bose® Rear Speaker System
Figure 6:

Power, Remote CD Changer, Ground


Object Number: 592926  Size: FS
Radio, HVAC, RFA, Cluster, Cel Tel, BCM Power, INADV Power Bus, Radio PRM Sound, and Cigar Lighter/Data Link Fuses
Radio, HVAC, RFA, Cluster, Cel Tel, BCM Power, INADV Power Bus, Radio PRM Sound, and Cigar Lighter/Data Link Fuses
G203 cont.
Handling ESD Sensitive Parts Notice
Entertainment Components
Radio/Audio System Description
Radio Antenna Module and Rear/Front Antenna Grid
Low Frequency Audio Amplifier, and Bose® Front Speaker System
Figure 7:

Radio Antenna Module and Rear/Front Antenna Grid


Object Number: 592929  Size: FS
G203 cont.
Handling ESD Sensitive Parts Notice
Handling ESD Sensitive Parts Notice
Entertainment Components
Radio/Audio System Description
DLC and Remote CD Changer
Power, Remote CD Changer, Ground
Figure 8:

DLC and Remote CD Changer


Object Number: 594340  Size: FS
Handling ESD Sensitive Parts Notice
Entertainment Components
Radio/Audio System Description
Radio Antenna Module and Rear/Front Antenna Grid
Handling ESD Sensitive Parts Notice