GM Service Manual Online
For 1990-2009 cars only
Makes
🢒
Buick
🢒
2000
🢒
Regal
🢒
Body and Accessories
🢒
Retained Accessory Power
🢒 Retained Accessory Power (RAP) Schematics
Figure
1:
Power, Ground and RAP Relay
UAWJB, RAP Relay, Ignition Switch, and Fuse Block
Wiper Fuse, BCM ACC, Power Drop, Radio and Steering Wheel Cont Fuses
Battery, UAWJB, Fuse Block, Headlamp Switch, Parklamp and Headlamp Relay
Fuse Block, UAWJB, PCM, BCM, Cluster, Turn Signal Switch, and SDM Module
G203
UAWJB, Ignition Switch, and Fuse Block
Fuse Block Outside Rearview Mirror, Cluster, BCM, PCM, and BTSI Fuse
UAWJB, RAP Relay, Ignition Switch, and Fuse Block
Handling ESD Sensitive Parts Notice
Retained Accessory Power (RAP) Components
Retained Accessory Power (RAP) Circuit Description
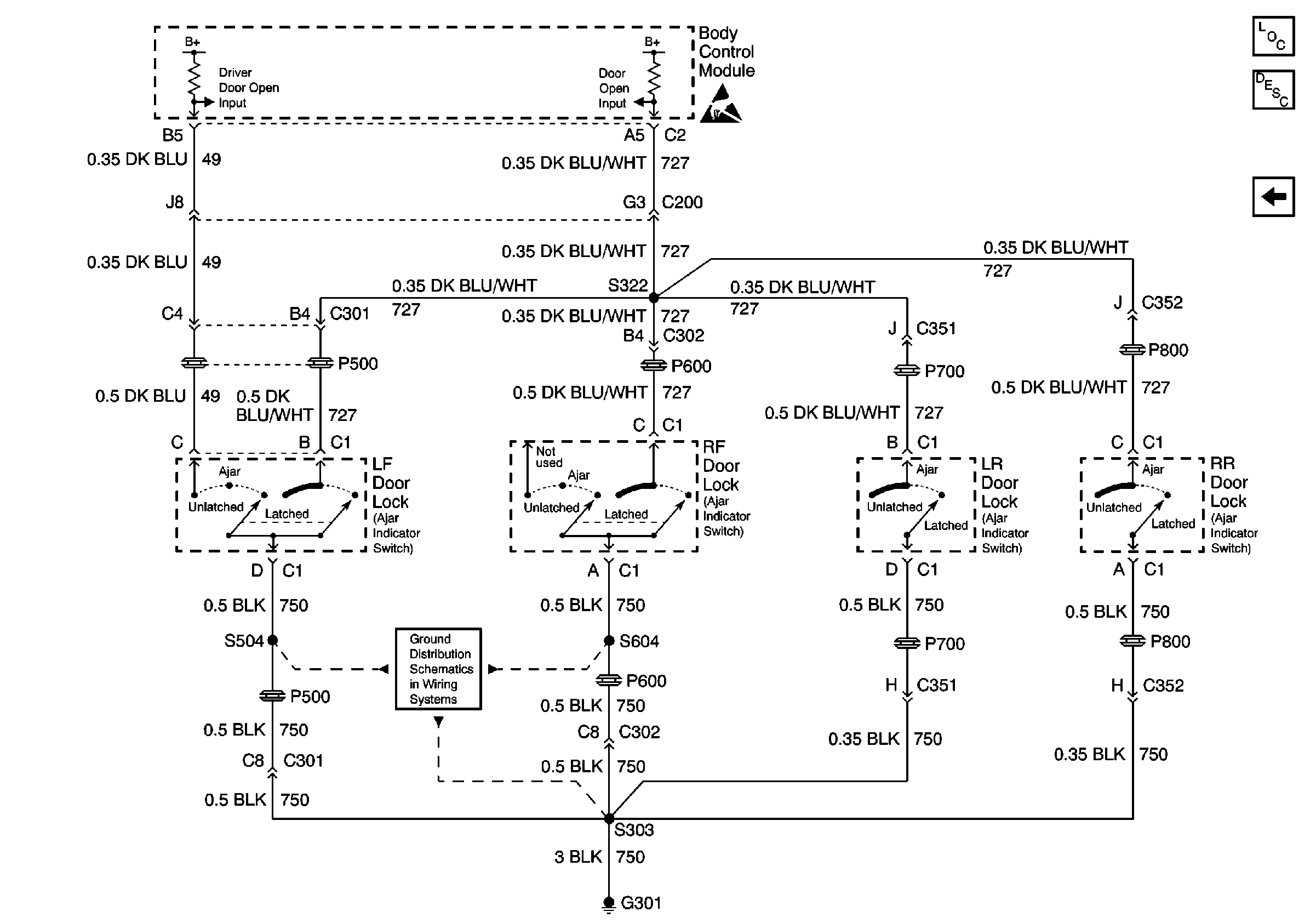
Door Ajar Inputs
Figure
2:
Door Ajar Inputs
Handling ESD Sensitive Parts Notice
G301
Retained Accessory Power (RAP) Components
Retained Accessory Power (RAP) Circuit Description
Power, Ground and RAP Relay