GM Service Manual Online
For 1990-2009 cars only
Makes
🢒
Buick
🢒
2000
🢒
Regal
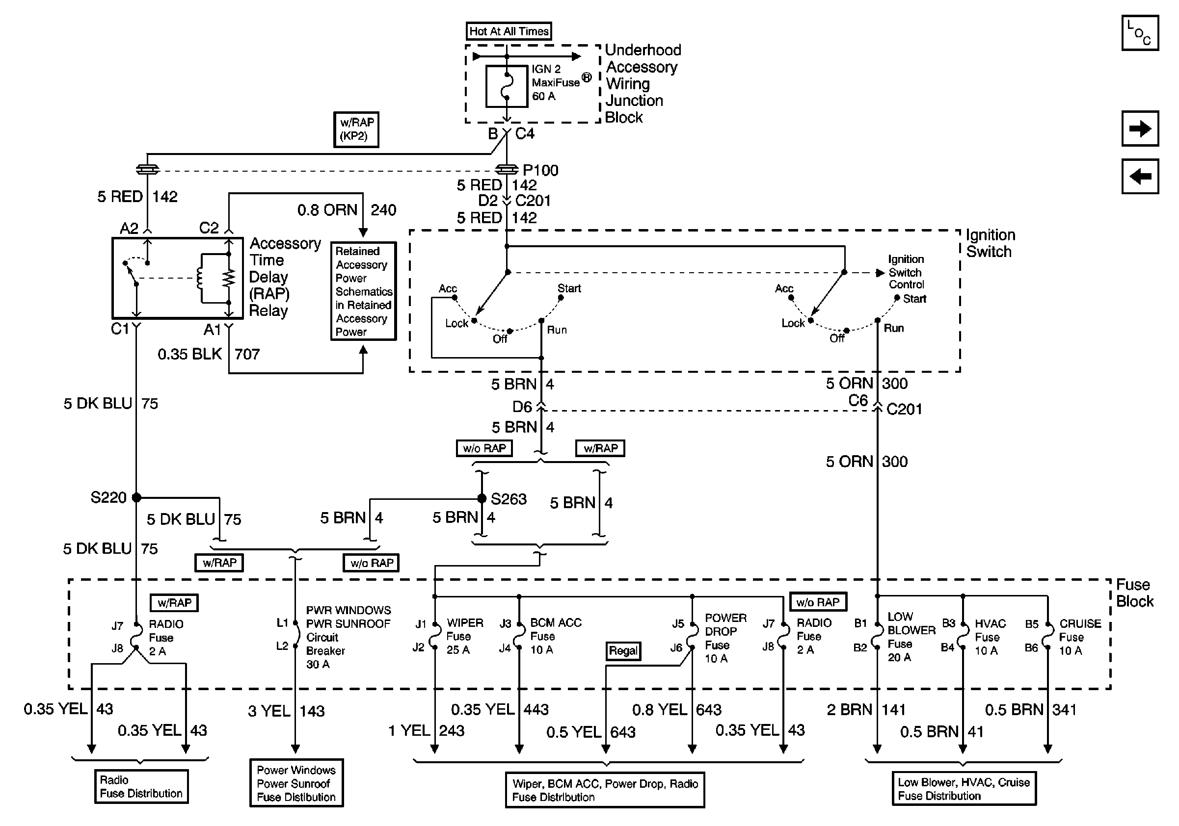
🢒 UAWJB, RAP Relay, Ignition Switch, and Fuse Block
UAWJB, RAP Relay, Ignition Switch, and Fuse Block
UAWJB, RAP Relay, Ignition Switch, and Fuse Block
Power and Grounding Components
UAWJB, Ignition Switch, and Fuse Block
Battery, UAWJB, Fuse Block, Headlamp Switch, Parklamp and Headlamp Relay
Retained Accessory Power (RAP) Schematics
Wiper Fuse, BCM ACC, Power Drop, Radio and Steering Wheel Cont Fuses
Power Windows, Power Sunroof, Rear Defogger, and Power Seats Circuit Breakers
Wiper Fuse, BCM ACC, Power Drop, Radio and Steering Wheel Cont Fuses
Low Blower, Cruise, and HVAC Fuses