GM Service Manual Online
For 1990-2009 cars only
Makes
🢒
Buick
🢒
2000
🢒
Regal
🢒 Heater A/C Control and A/C Compressor Clutch Coil
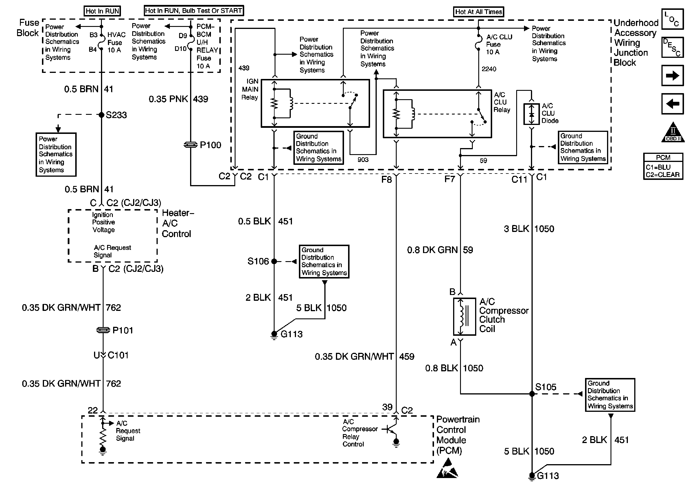
Heater A/C Control and A/C Compressor Clutch Coil
Heater A/C Control and A/C Compressor Clutch Coil
Low Blower, Cruise, and HVAC Fuses
Low Blower, Cruise, and HVAC Fuses
UAWJB, Ignition Switch, and Fuse Block
UAWJB
UAWJB
G100, G113 and G113
G100, G113 and G113
UAWJB
G113 and G117
G113 and G117
Handling ESD Sensitive Parts Notice
Instrument Panel, Gages, and Console Component Views
Instrument Cluster Circuit Description
Automatic Transaxle TCC Input/Output
Automatic Transaxle Input/Output Stop Lamp Switch
OBD II Symbol Description Notice