GM Service Manual Online
For 1990-2009 cars only
Makes
🢒
Buick
🢒
2000
🢒
Regal (China)
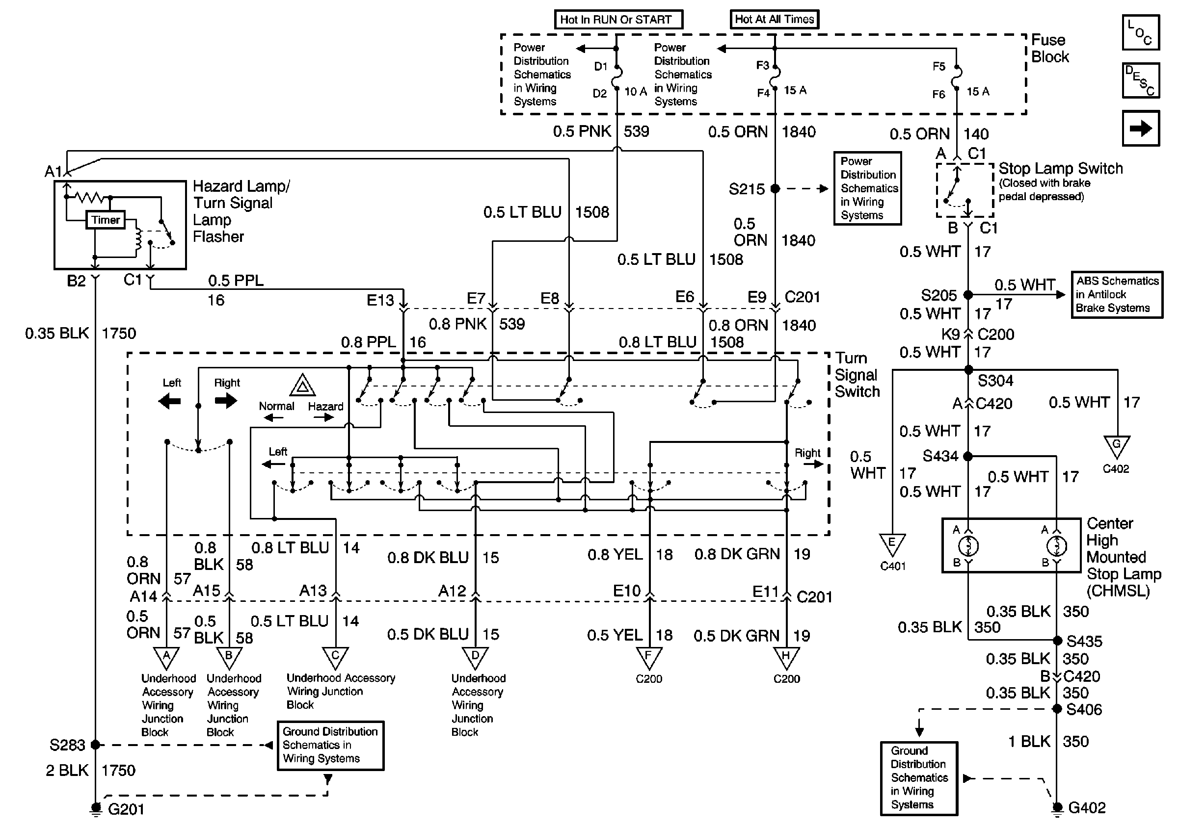
🢒 Turn Signal Switch, Stop Lamp Switch, CHMSL, and Hazard Lamp/Turn SIGNAl FLAsher
Turn Signal Switch, Stop Lamp Switch, CHMSL, and Hazard Lamp/Turn SIGNAl FLAsher
Turn Signal Switch, Stop Lamp Switch, CHMSL, and Hazard Lamp/Turn Signal Flasher
Front Park/Turn Signal Lamps and Cornering Lamps
Cluster, Headlamp Switch, Automatic Headlamp Control Module, Side Reapeater and Rear Turn Lamps
G201)
Cluster, Headlamp Switch, Automatic Headlamp Control Module, Side Reapeater and Rear Turn Lamps
Cluster, Headlamp Switch, Automatic Headlamp Control Module, Side Reapeater and Rear Turn Lamps
Cluster, Headlamp Switch, Automatic Headlamp Control Module, Side Reapeater and Rear Turn Lamps
UAWJB, Ignition Switch and Fuse Block
Battery, UAWJB and Fuse Block
Fuse Block Details
Cluster, Headlamp Switch, Automatic Headlamp Control Module, Side Reapeater and Rear Turn Lamps
G402
Power, Ground and EBCM/EBTCM
Cluster, Headlamp Switch, Automatic Headlamp Control Module, Side Reapeater and Rear Turn Lamps
Lighting Systems Components
Exterior Lights Circuit Description
Cluster, Headlamp Switch, Automatic Headlamp Control Module, Side Reapeater and Rear Turn Lamps