GM Service Manual Online
For 1990-2009 cars only
Makes
🢒
Buick
🢒
2000
🢒
Regal (China)
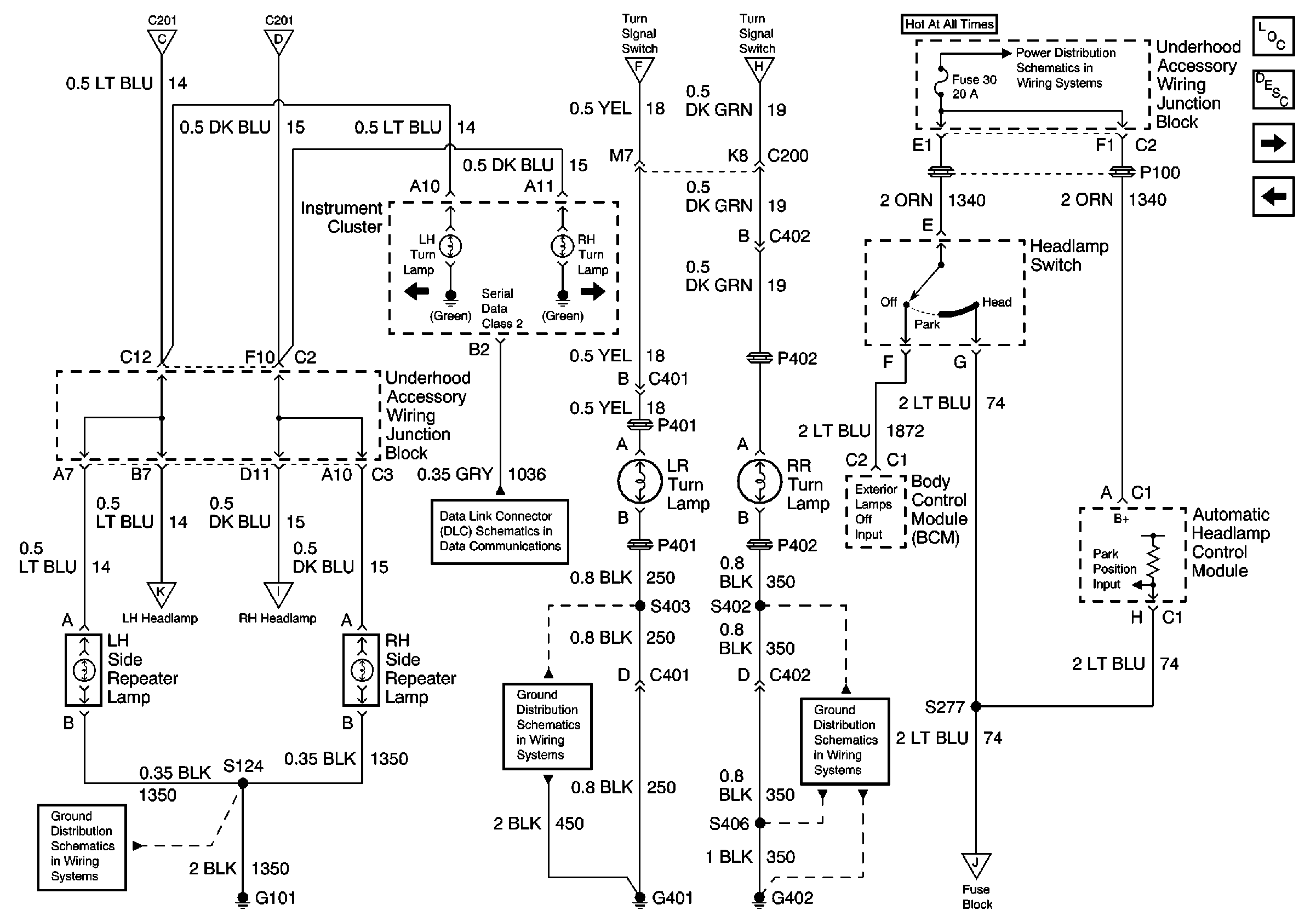
🢒 Cluster, Headlamp Switch, Automatic Headlamp Control Module, Side Reapeater and Rear Turn Lamps
Cluster, Headlamp Switch, Automatic Headlamp Control Module, Side Reapeater and Rear Turn Lamps
Cluster, Headlamp Switch, Automatic Headlamp Control Module, Side Reapeater and Rear Turn Lamps
Turn Signal Switch, Stop Lamp Switch, CHMSL, and Hazard Lamp/Turn SIGNAl FLAsher
Turn Signal Switch, Stop Lamp Switch, CHMSL, and Hazard Lamp/Turn SIGNAl FLAsher
Turn Signal Switch, Stop Lamp Switch, CHMSL, and Hazard Lamp/Turn SIGNAl FLAsher
Turn Signal Switch, Stop Lamp Switch, CHMSL, and Hazard Lamp/Turn SIGNAl FLAsher
Front Park/Turn Signal Lamps and Cornering Lamps
Front Park/Turn Signal Lamps and Cornering Lamps
G101
DLC Schematic
G401 and G402
G402
Front Park/Turn Signal Lamps and Cornering Lamps
GLX: UAWJB, EBCM/EBTCM and Fuse Block
Lighting Systems Components
Exterior Lights Circuit Description
Tail/Stop and Rear License Lamps
Turn Signal Switch, Stop Lamp Switch, CHMSL, and Hazard Lamp/Turn SIGNAl FLAsher