GM Service Manual Online
For 1990-2009 cars only
Makes
🢒
Buick
🢒
2006
🢒
Rendezvous - FWD
🢒 Fuel Controls-EVAP Controls and Intake Controls
Fuel Controls-EVAP Controls and Intake Controls
Fuel Controls - EVAP Controls and Intake Controls
Master Electrical Component List
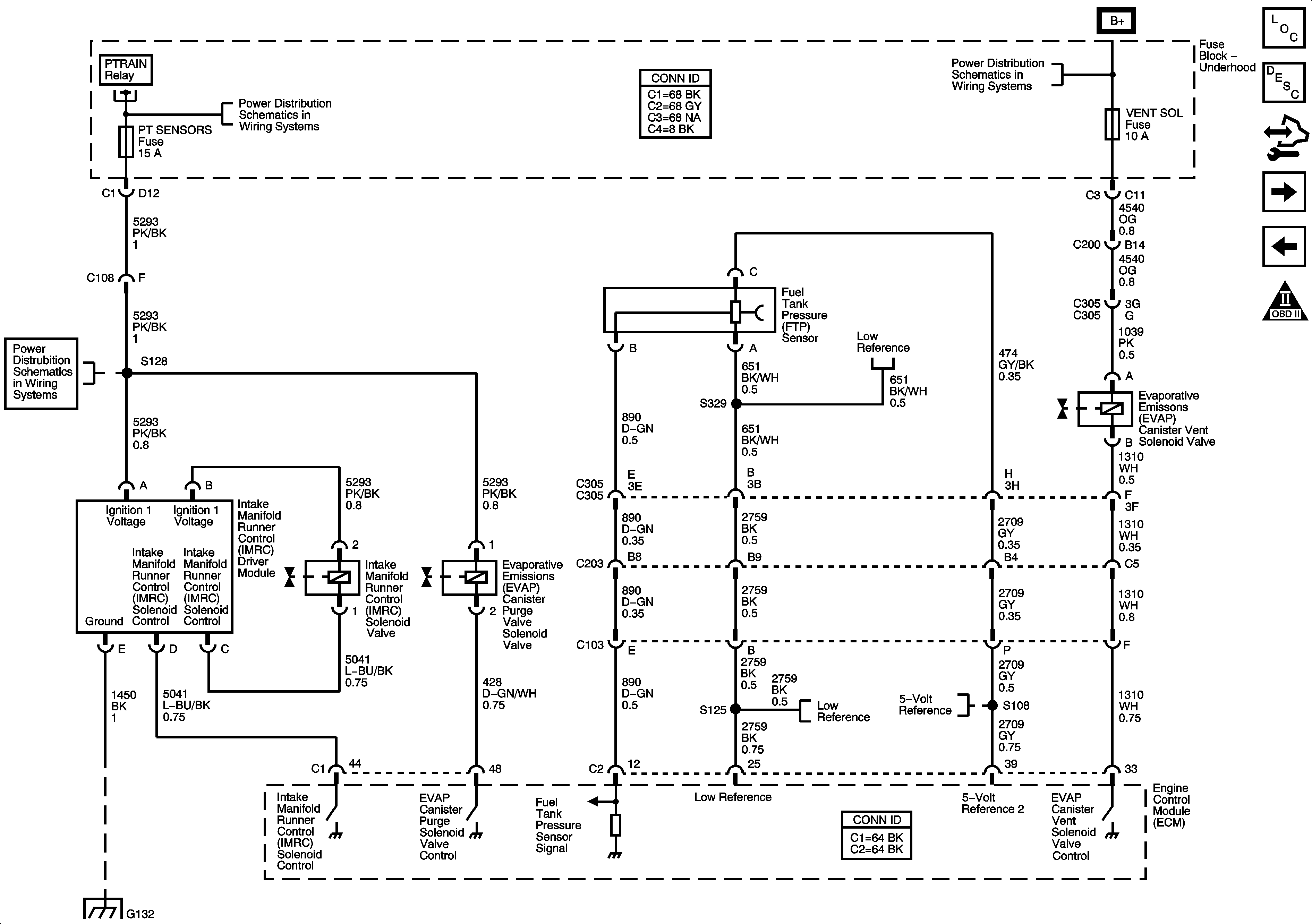
Evaporative Emission Control System Description
Control Module References
Controlled/Monitored Subsystem References
Fuel Controls-Fuel Pump and Fuel Injectors
Engine Controls Schematic Icons
Module Power, Ground, Serial Data, and MIL
PTRAIN Relay-2 of 2, BTSI, PT RLY, and PT SENSORS Fuses-
B+ Bus 1 of 2
PTRAIN Relay-2 of 2, BTSI, PT RLY, and PT SENSORS Fuses-
Engine Data Sensors-Low Reference
G117 and G132
Engine Data Sensors-Low Reference
Engine Data Sensors-5-Volt Reference