GM Service Manual Online
For 1990-2009 cars only
Figure 1:

Battery Voltage to the Underhood Fuse Block


Object Number: 638877  Size: FS
Figure 2:

Power Distribution Schematics ( RAP Relay, Rear Fog Lamp Relay, Fuel Pump Motor Relay )


Object Number: 879371  Size: FS
Figure 3:

Underhood Fuse Block - L REAR Fuses and Fuse Block - Left Rear B+ Bus


Object Number: 638900  Size: FS
Figure 4:

Ignition Switch - 1 of 2


Object Number: 762061  Size: FS
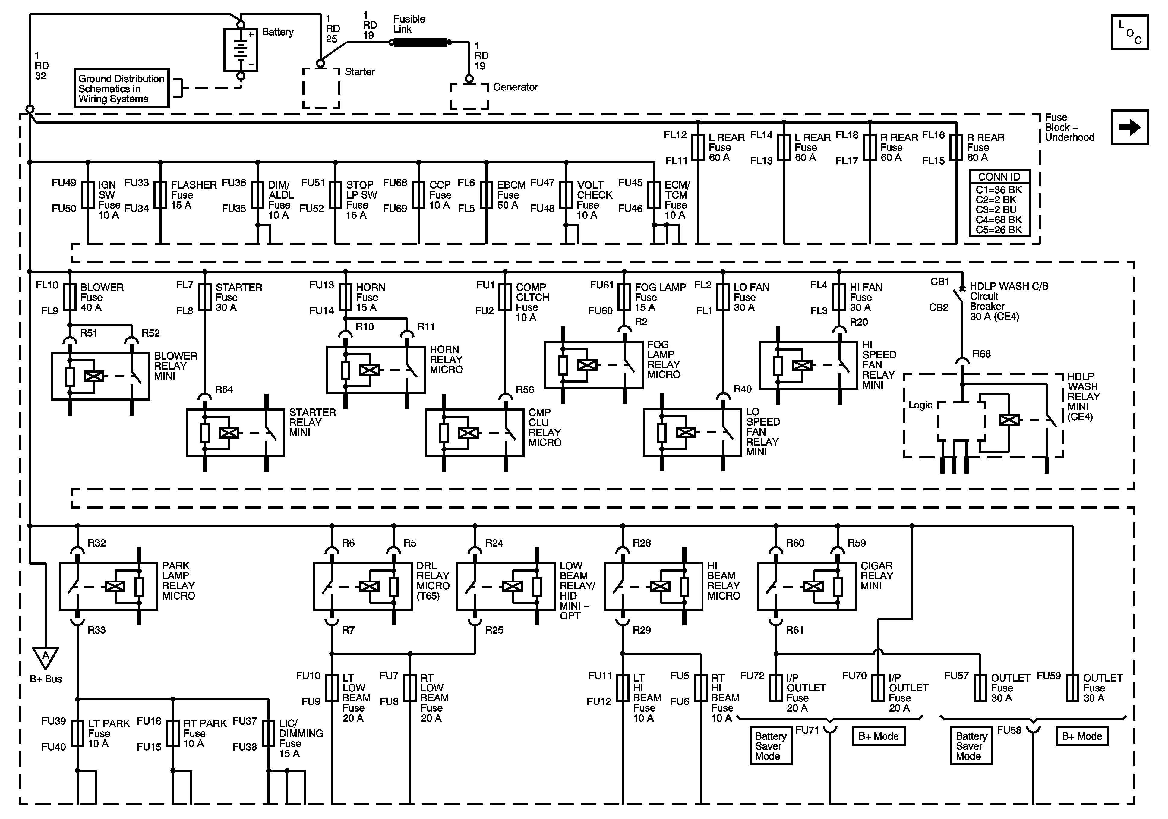
Body Control System Schematics Power, Ground and Class2
Body Control System Schematics DIM Inputs and Outputs 1 of 3
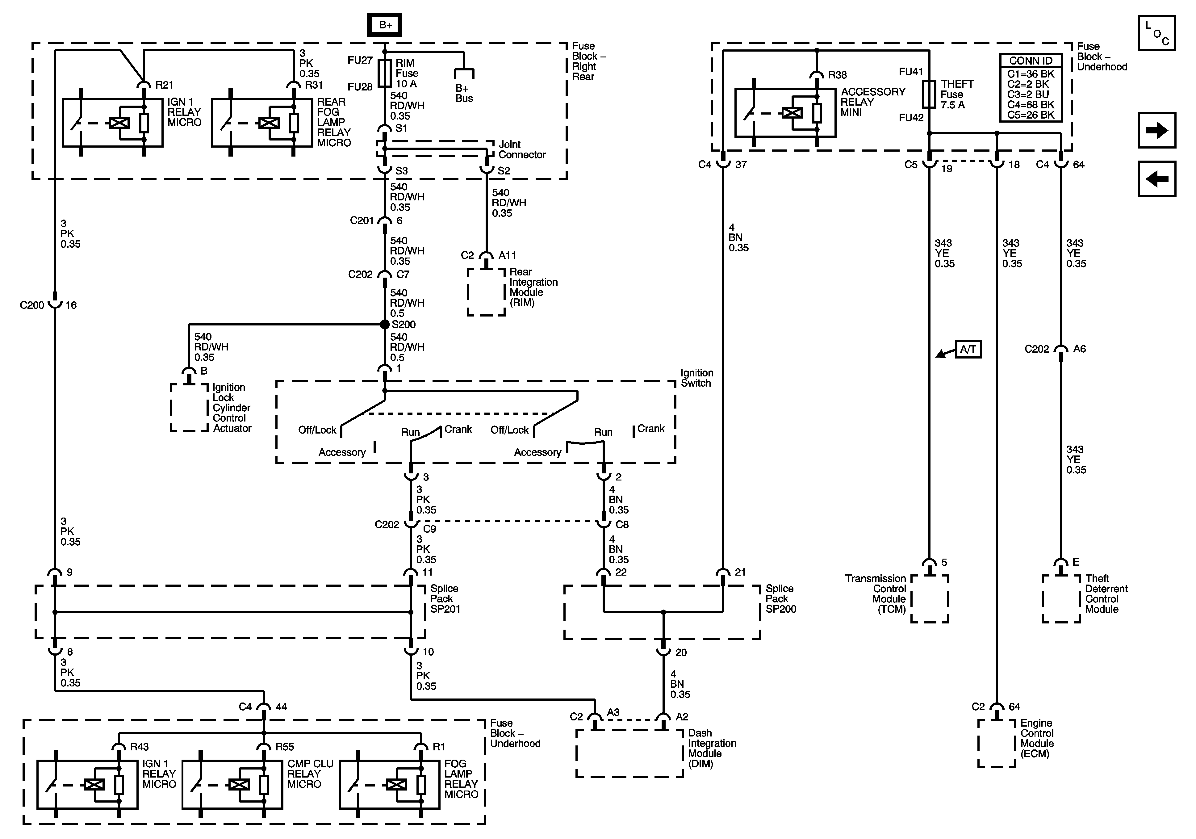
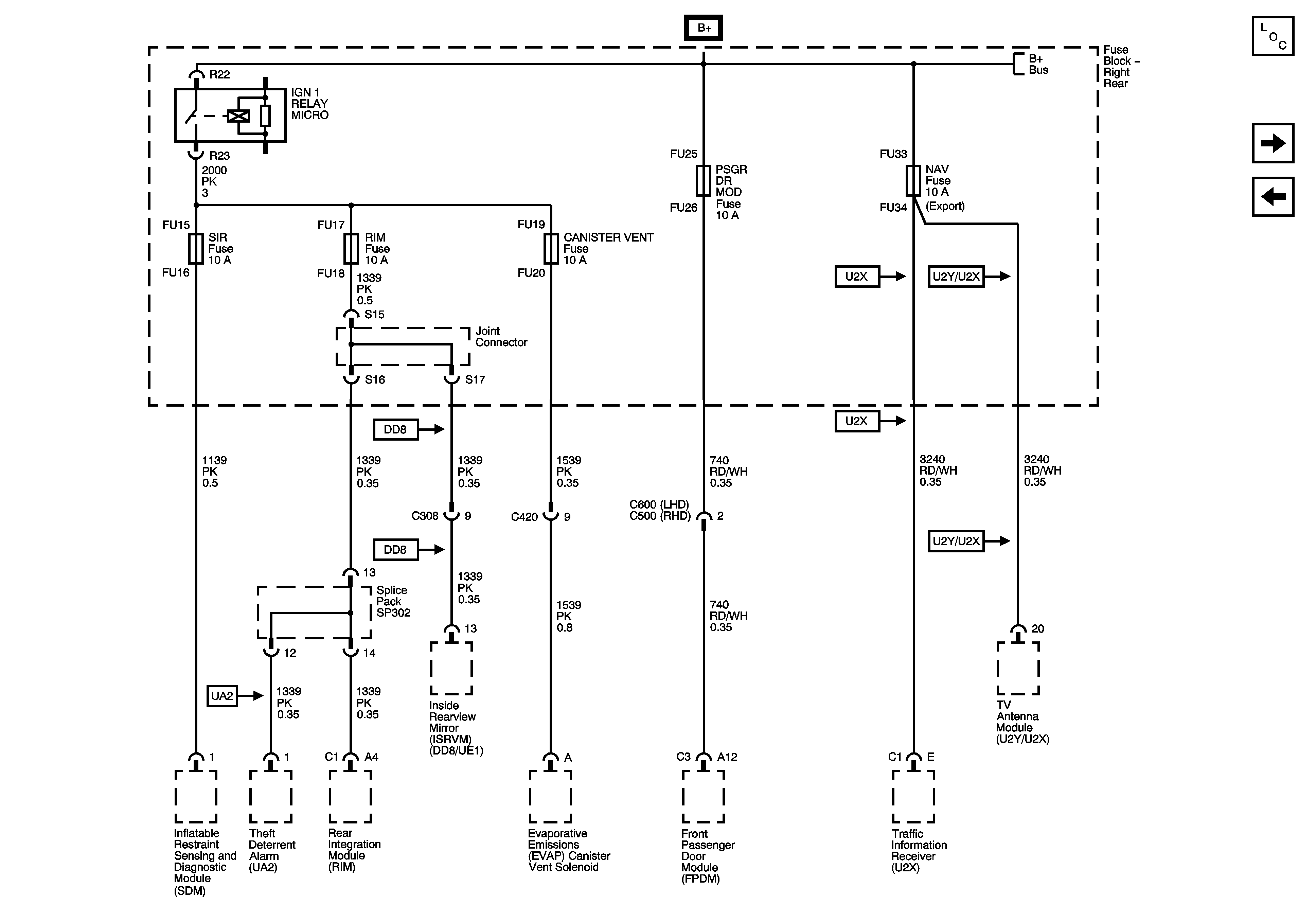
Right Rear Fuse Block - IGN-1 Relay, FPDM, NAV, and AUDIO Fuses
Underhood Fuse Block - DIM ALDL, STOPLP SW, FLASHER, CCP, ECM/TCM, and IGN SW Fuses
Class 2 (LHD) 1 of 2
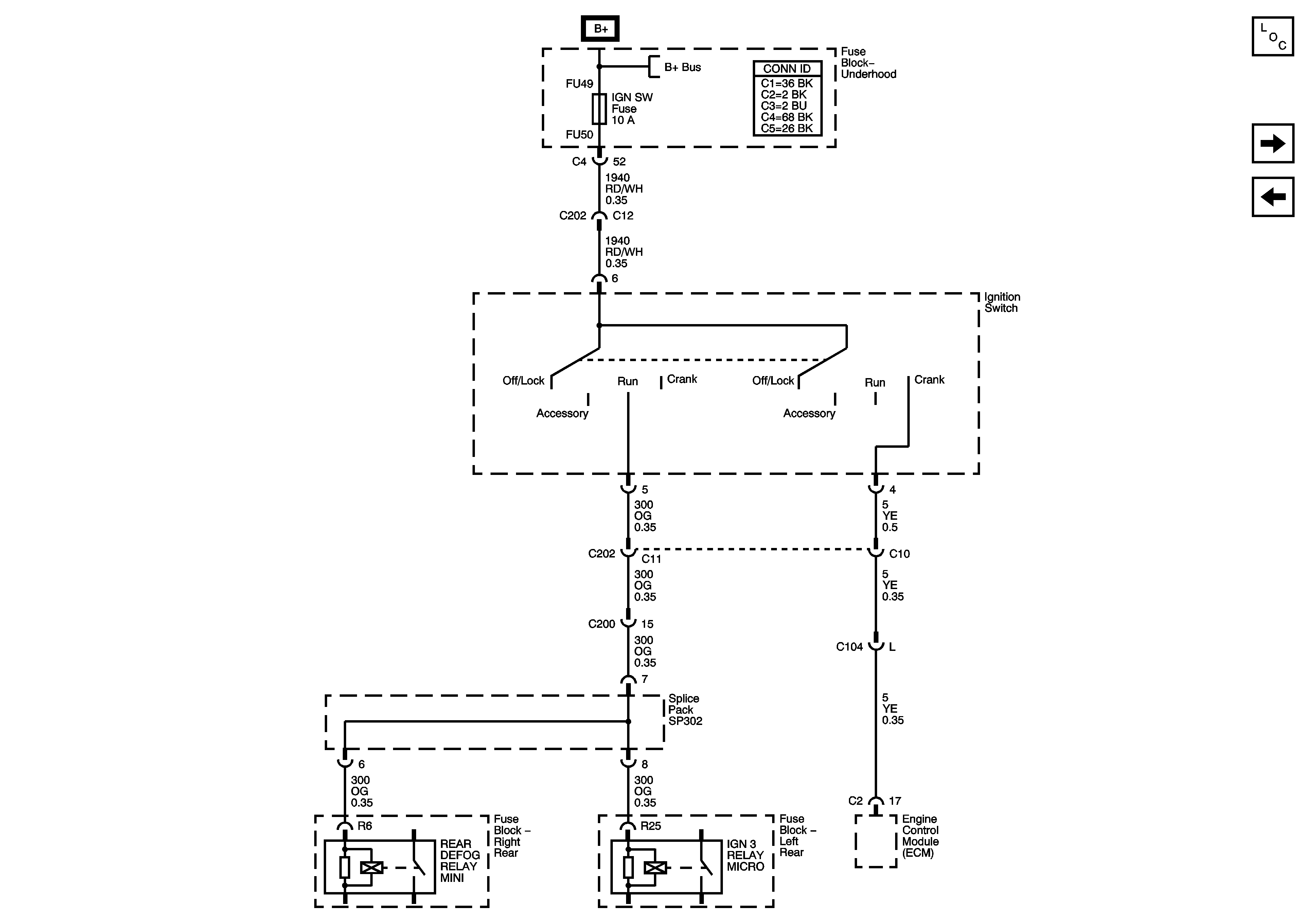
Figure 5:

Ignition Switch - 2 of 2


Object Number: 869322  Size: FS
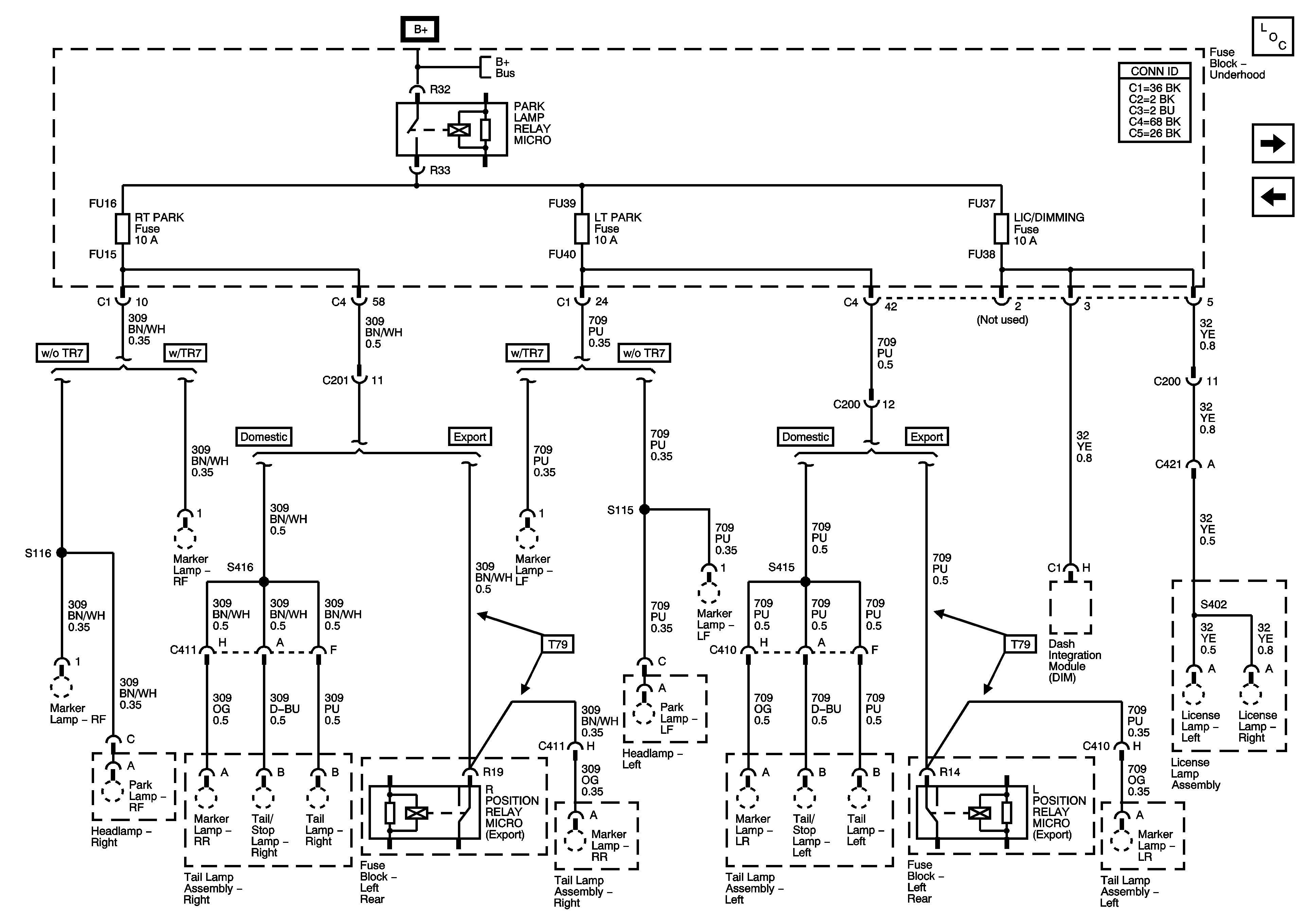
Figure 6:

Underhood Fuse Block - PARKLP Relay, RT PARK, LT PARK, and LIC/UNDER HD Fuses


Object Number: 638879  Size: FS
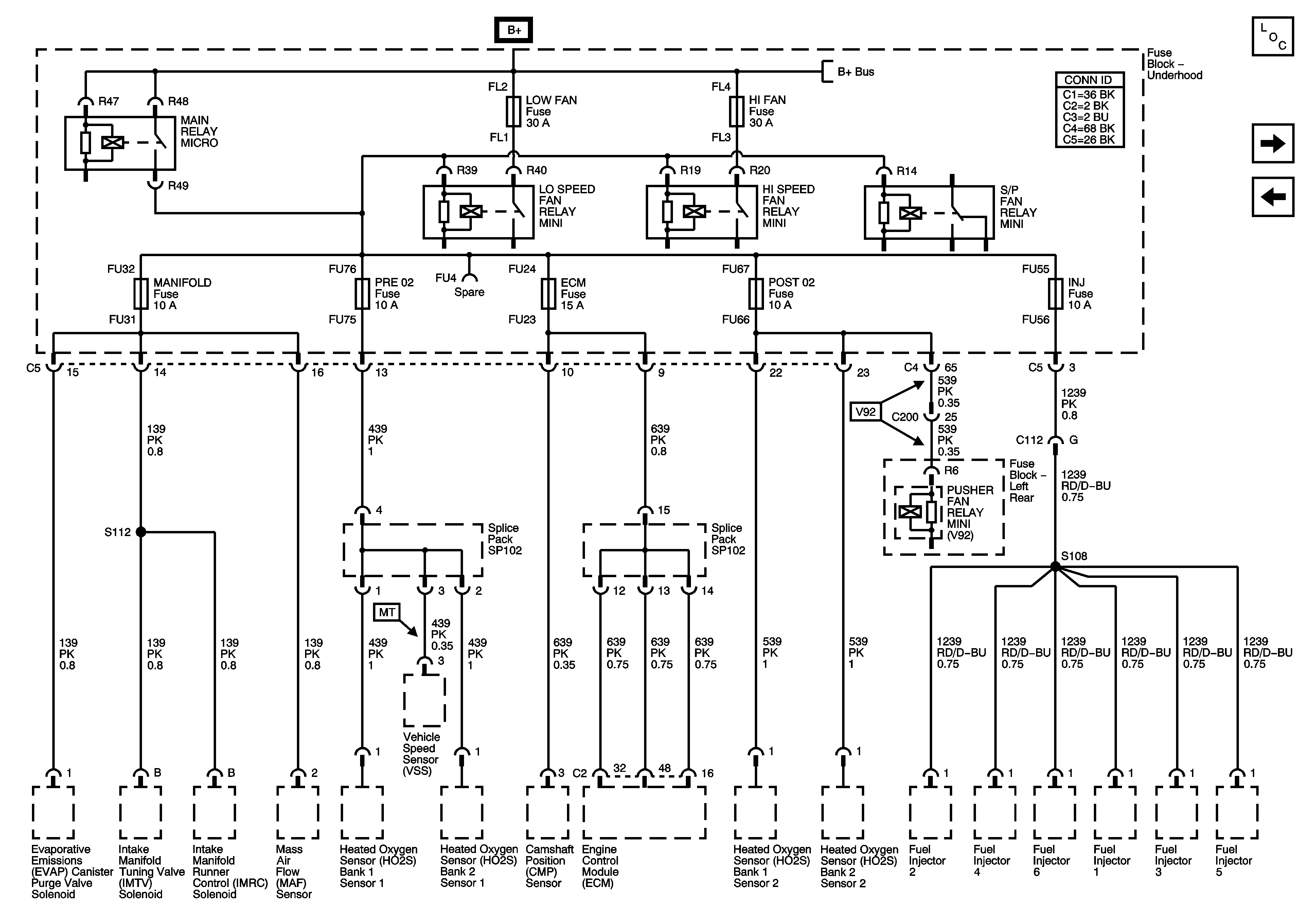
Figure 7:

Underhood Fuse Block - Cooling Fan Fuses/Relays, MAIN Relay, IGN-1, PRE 02, ECM/IPC, POST 02, and INJ Fuses


Object Number: 638884  Size: FS
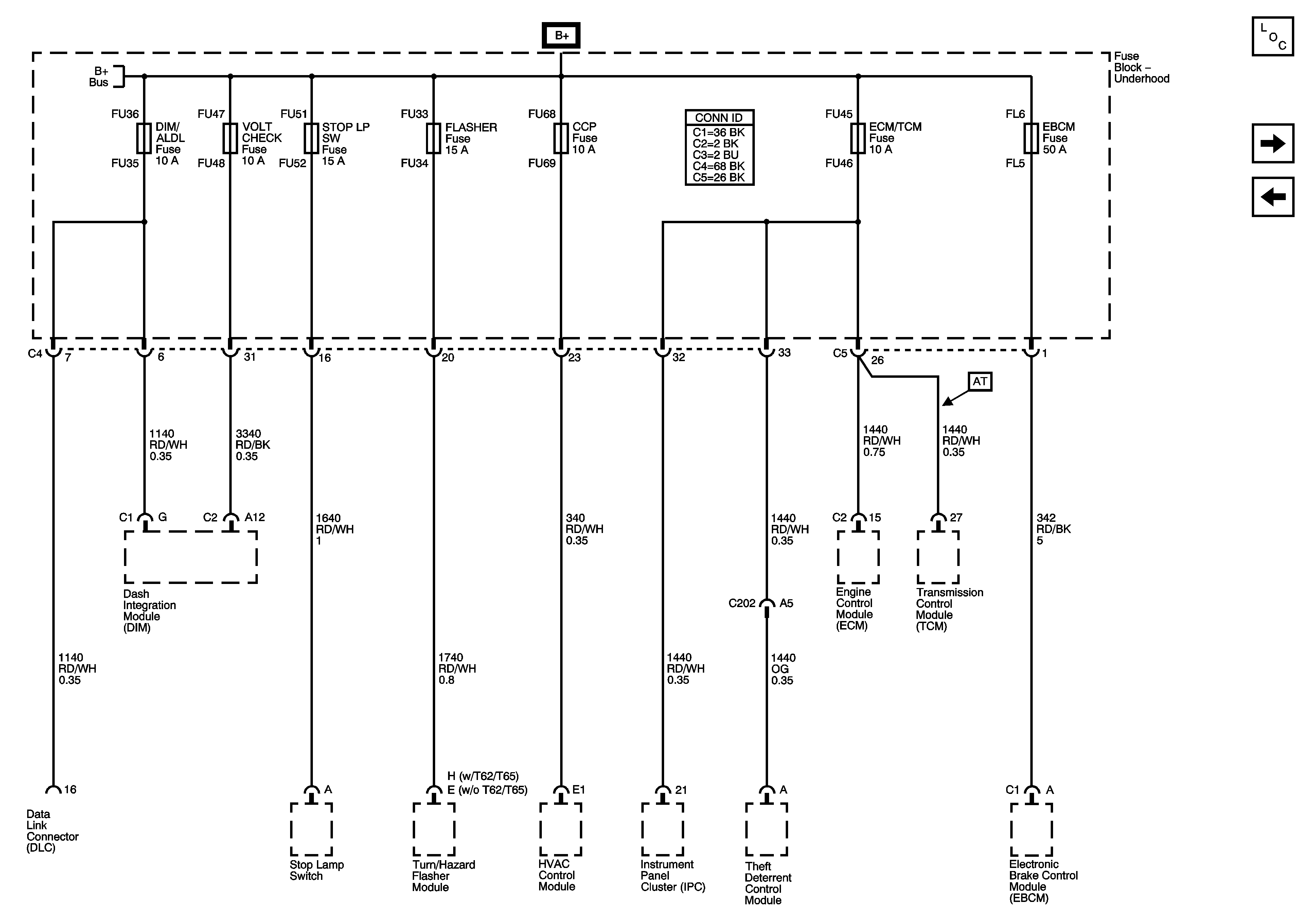
Figure 8:

Underhood Fuse Block - DIM ALDL, STOPLP, FLASHER, CCP, ECM/TCM, and IGN SW FuseS


Object Number: 638894  Size: FS
Figure 9:

Underhood Fuse Block - Headlamp and Fog Lamp Fuses and Relays


Object Number: 730677  Size: FS
Figure 10:

Underhood Fuse Block - STARTER Relay, IGN-1 Relay, CLUTCH, TCM/IPC, WASH NOZ, TURN SW, and HEATER VALVE Fuses


Object Number: 730674  Size: FS
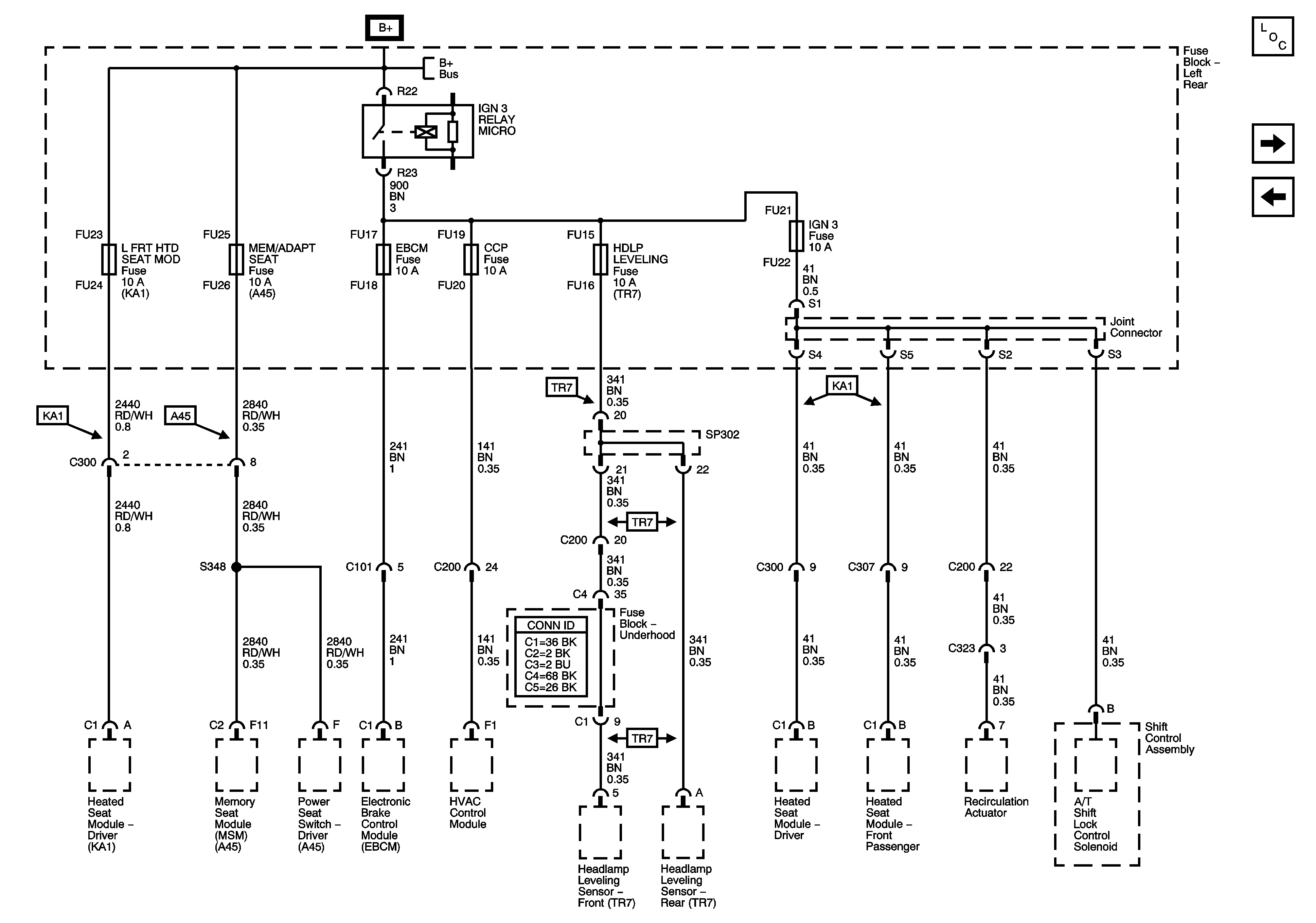
Figure 11:

Left Rear Fuse Block - IGN-3 Relay, ABS, CCP HDLP LVL, and IGN-3 Fuses


Object Number: 638901  Size: FS
Figure 12:

Left Rear Fuse Block - SEATS Circuit Breaker,TRK DR REL SOL Relay, RADIO and DDM Fuses


Object Number: 638908  Size: FS
Figure 13:

Right Rear Fuse Block - IGN 1 Relay, INT LTG Relay, Rear Defog Relay


Object Number: 638864  Size: FS
Figure 14:

Right Rear Fuse Block - DR MOD PWR Circuit Breaker, R FRT HTD SEAT MOD Fuse and the POWER SOUNDER Fuse


Object Number: 638955  Size: FS