GM Service Manual Online
For 1990-2009 cars only
Figure 1:

Power, Ground, Serial Data, Odometer, and DIC


Object Number: 1471080  Size: FS
Master Electrical Component List
Instrument Cluster Description and Operation
Control Module References
Indicators
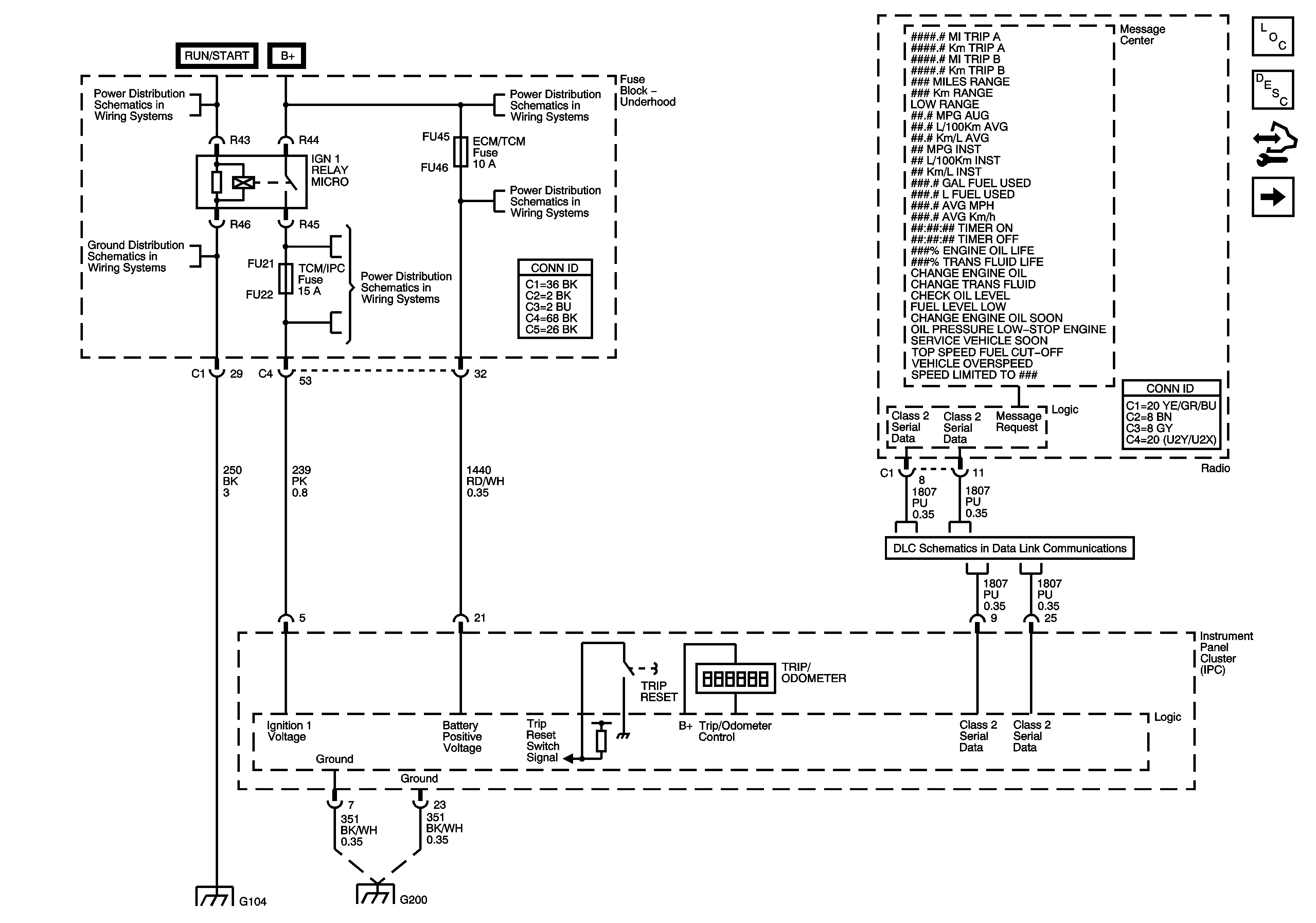
Ignition Switch - 2 of 2
Underhood Fuse Block B+ Bus - 2 of 2
G104 - 1 of 2
Ignition Switch - 2 of 2
Underhood Fuse Block B+ Bus - 2 of 2
Class 2 Serial Data Bus - RHD - 1 of 2
G104 - 1 of 2
G200
Figure 2:

Indicators


Object Number: 1471081  Size: FS
Master Electrical Component List
Instrument Cluster Description and Operation
Control Module References
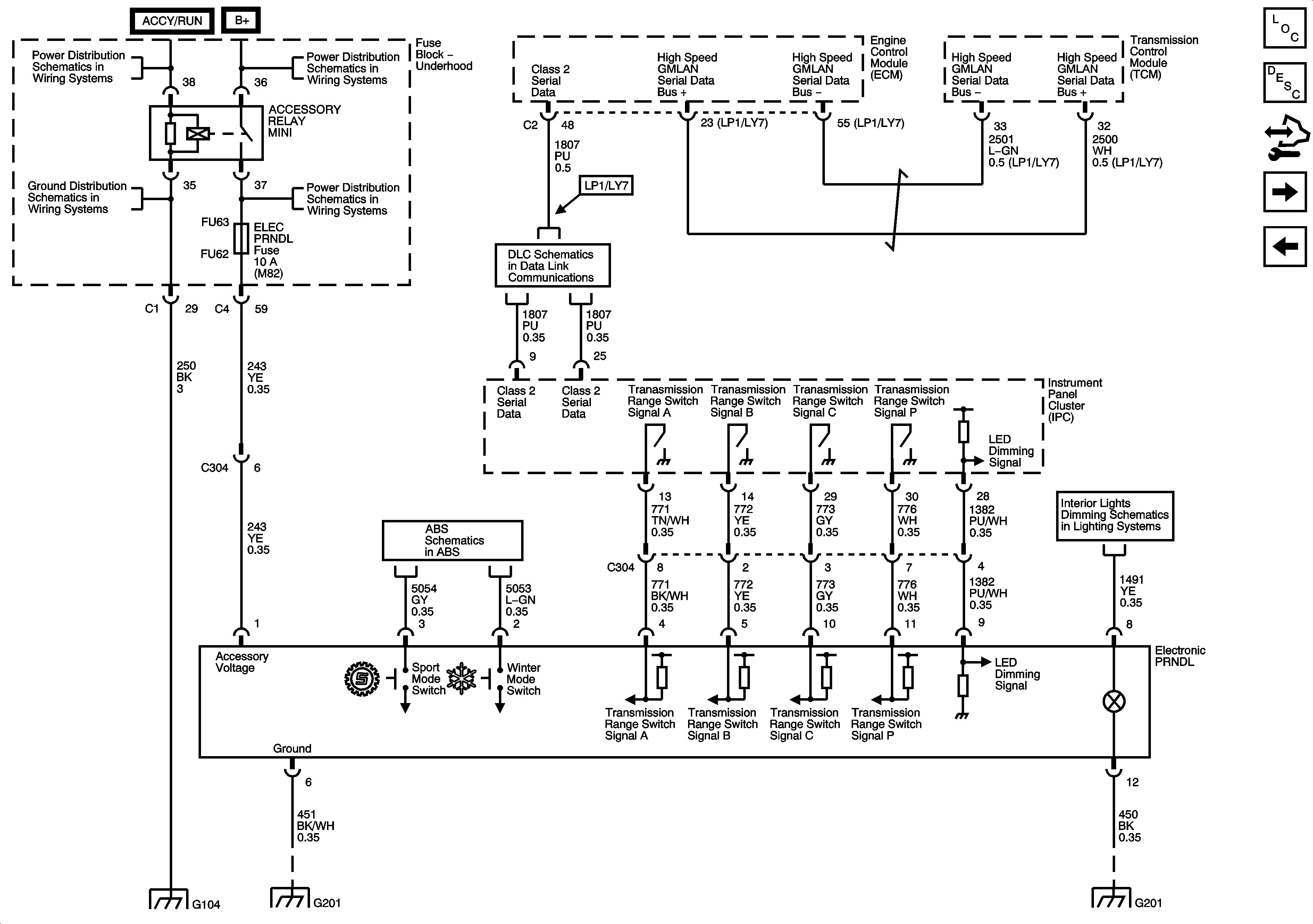
Electronic PRNDL (M82)
Power, Ground, Serial Data, Odometer and DIC
Turn Signal/Hazard Flasher Module
Class 2 Serial Data Bus - RHD - 1 of 2
Steering Wheel Controls - 5.7L (L56)
G200
Manual Transmission (M12)
Module Power, Ground, Serial Data, and MIL
Power, Ground, Serial Data, DIC and Indicator
Brake Warning and Indicator
BPP Sensor, Switches and Indicators - 2.8L/3.6L (LP1/LY7)
Figure 3:

Electronic PRNDL (M82)


Object Number: 1471087  Size: FS
Master Electrical Component List
Instrument Cluster Description and Operation
Control Module References
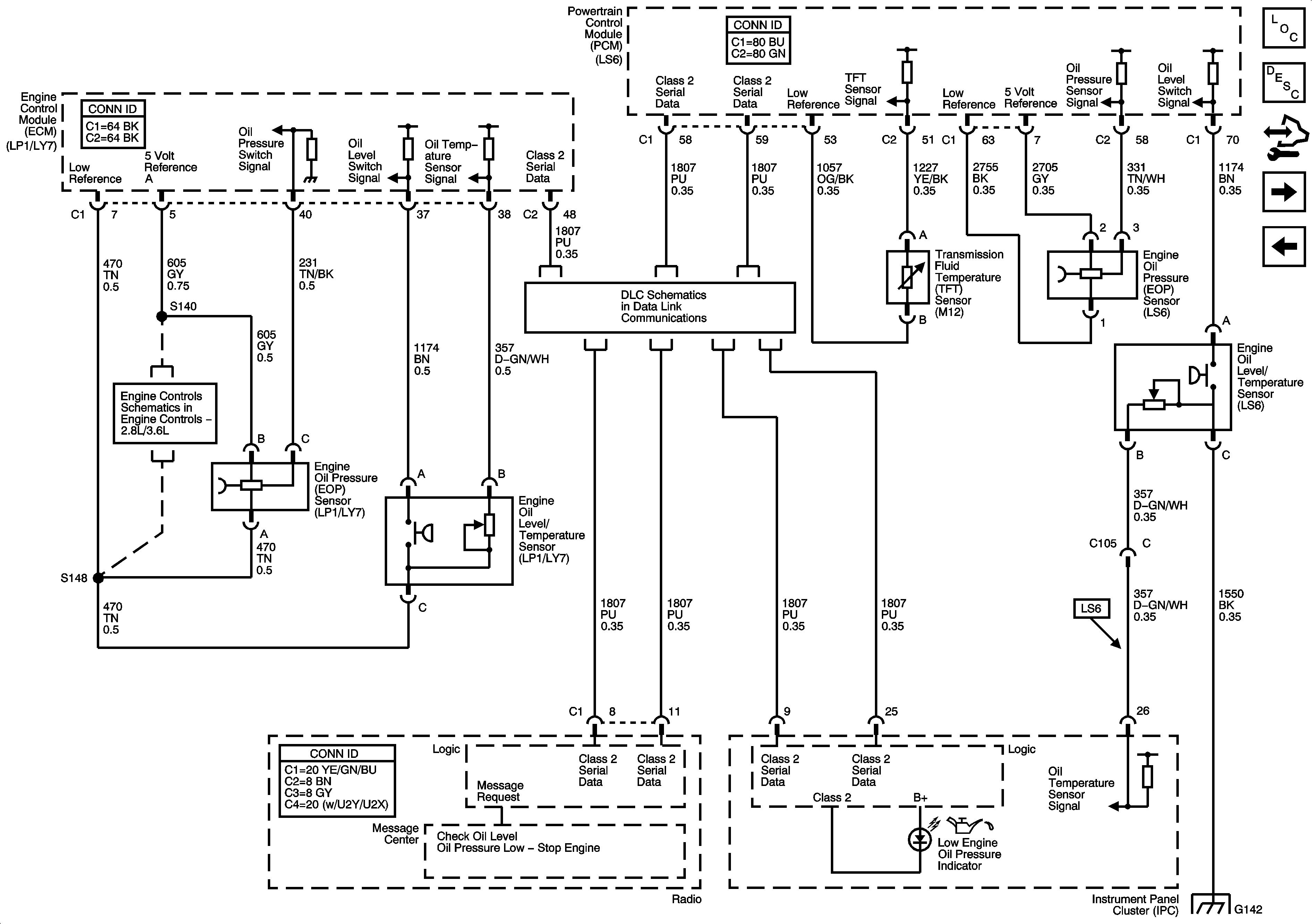
Engine OIl Pressure (EOP) Sensor, Engine Oil Level/Temperature Sensor, TFT and Indicator
Indicators
Ignition Switch - 2 of 2
Underhood Fuse Block B+ Bus - 1 of 2
G104 - 1 of 2
Underhood Fuse Block Headlamp Relays/Fuses, ACCESSORY Relay, I/P OUTLET, OUTLET, WPR MOD, WPR SW and ELEC PRNDL Fuses
Class 2 Serial Data Bus - LHD - 1 of 2
BPP Sensor, Switches and Indicators - 2.8L/3.6L (LP1/LY7)
Power, Ground and Serial Data - 1 of 2
G104 - 1 of 2
G201
G201
Figure 4:

EOP Sensors, Engine Oil Level/Temperature Sensors, DIC and Indicator


Object Number: 1471089  Size: FS
Master Electrical Component List
Instrument Cluster Description and Operation
Control Module References
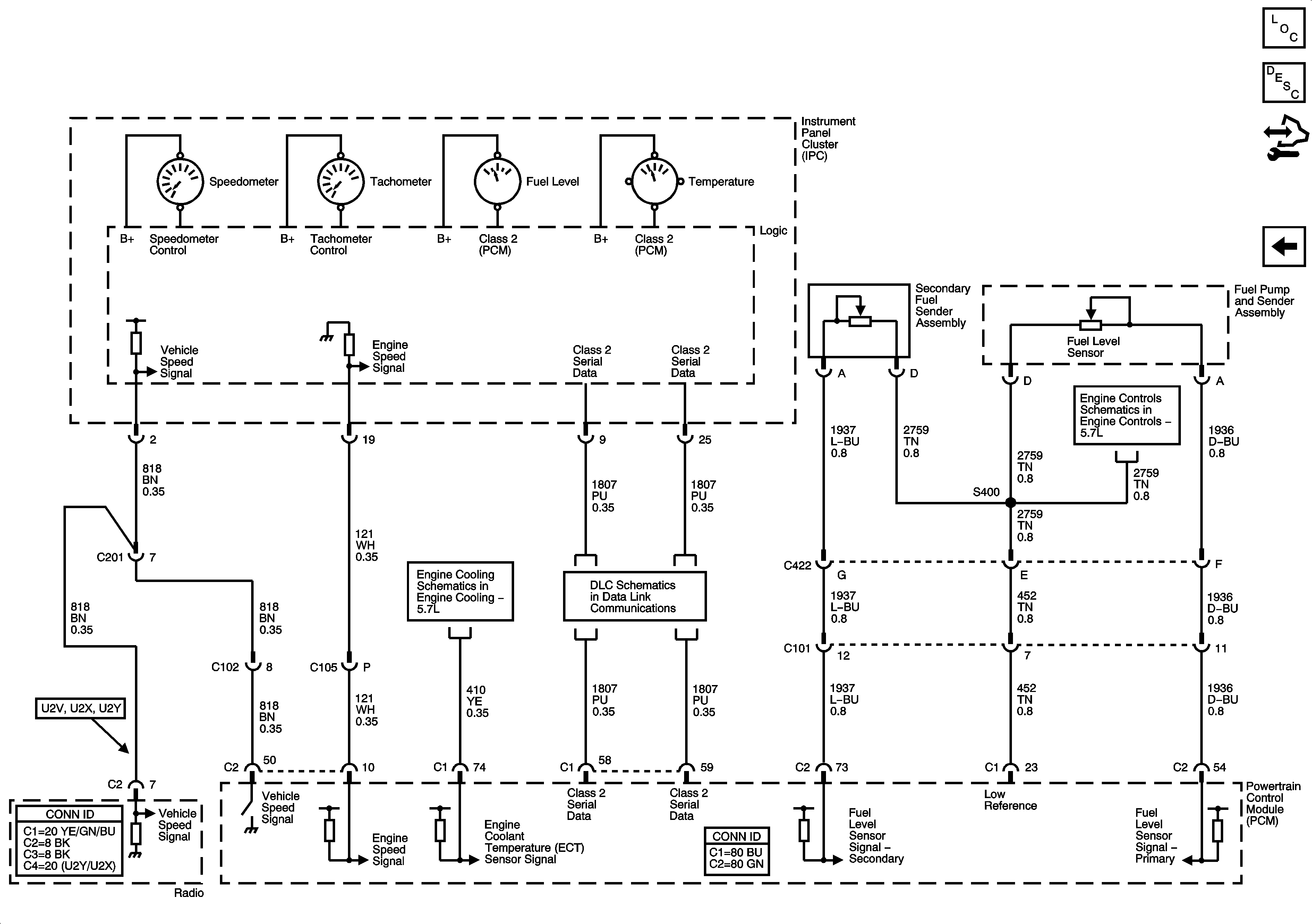
Gages - 2.8L/3.6L (LP1/LY7)
Electronic PRNDL (M82)
Class 2 Serial Data Bus - LHD - 2 of 2
Module Power, Ground, Serial Data, and MIL
G140, G141 and G142 (L56)
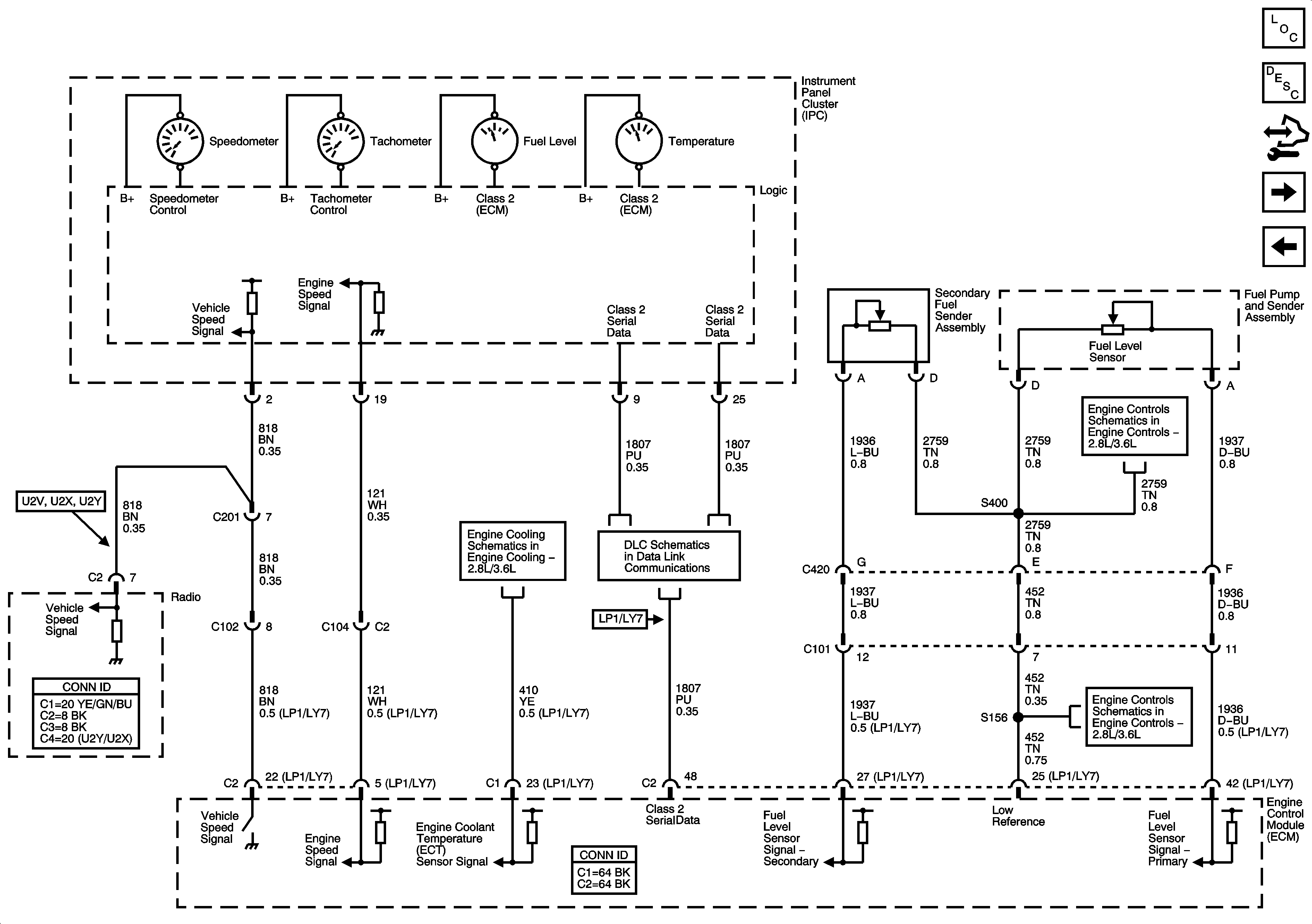
Figure 5:

Gages - 2.8L/3.6L (LP1/LY7)


Object Number: 1471090  Size: FS
Master Electrical Component List
Instrument Cluster Description and Operation
Control Module References
Gages - 5.7L (L56)
Engine OIl Pressure (EOP) Sensor, Engine Oil Level/Temperature Sensor, TFT and Indicator
Module Power, Ground, Serial Data, and MIL
Module Power, Ground, Serial Data, and MIL
Class 2 Serial Data Bus - LHD - 1 of 2
Module Power, Ground, Serial Data, and MIL
Figure 6:

Gages - 5.7L (LS6)


Object Number: 1471093  Size: FS
Master Electrical Component List
Instrument Cluster Description and Operation
Control Module References
Gages - 2.8L/3.6L (LP1/LY7)
Cooling Fans 5.7L (L56)
Class 2 Serial Data Bus - LHD - 1 of 2
Fuel Controls - EVAP Controls