GM Service Manual Online
For 1990-2009 cars only
Makes
🢒
Cadillac
🢒
2005
🢒
CTS
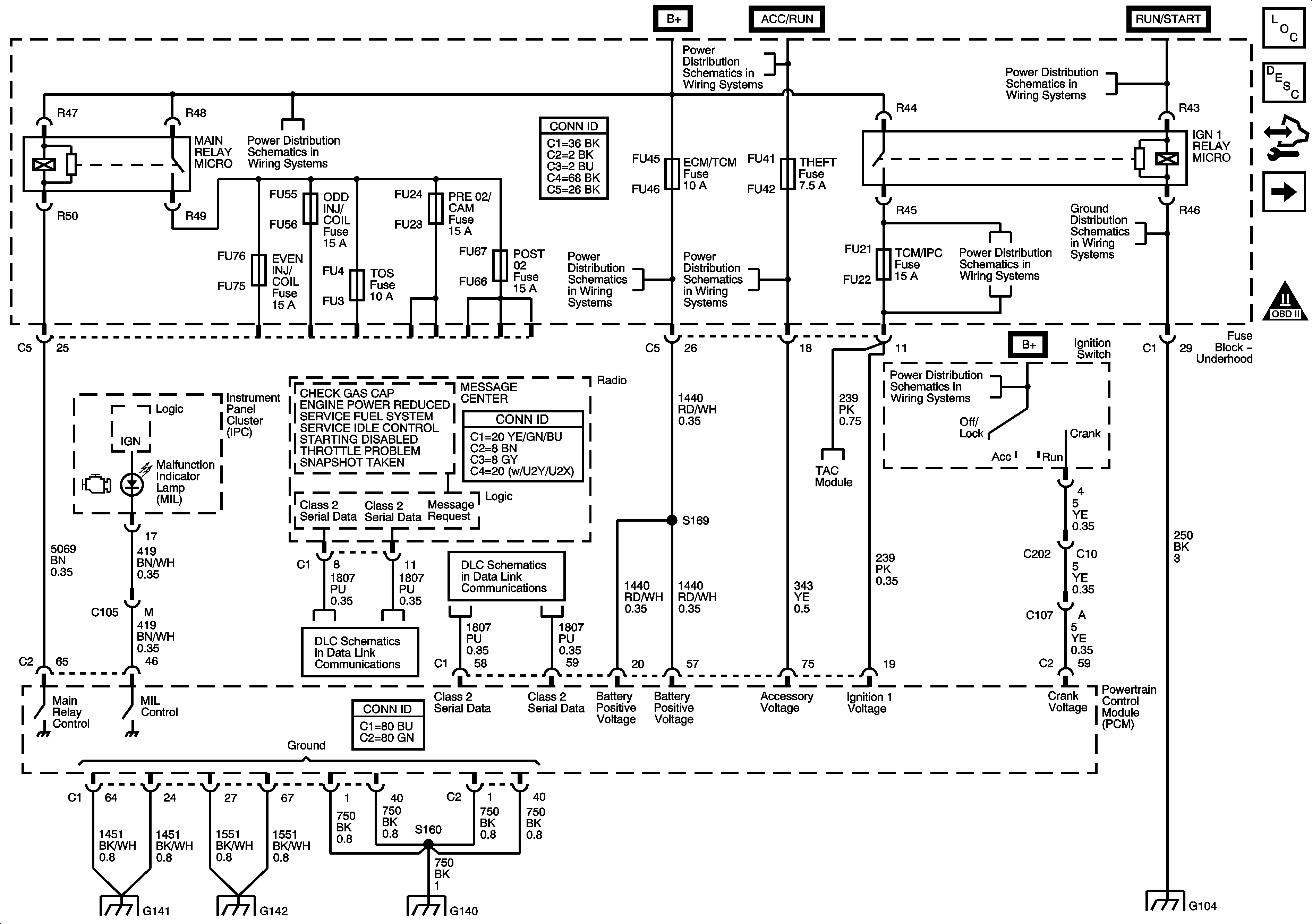
🢒 Power, Ground, Serial Data, DIC and Indicator
Power, Ground, Serial Data, DIC and Indicator
Power, Ground, Serial Data, DIC and Indicator
Master Electrical Component List
Powertrain Control Module Description
Control Module References
Engine Data Sensors - 5 volt and Low References Busses
Engine Controls Schematic Icons
Underhood Fuse Block B+ Bus - 2 of 2
Underhood Fuse Block DIM/ALDL, VOLT CHECK, FLASHER, CCP, EGM/TCM and ABS Fuses
Ignition Switch - 2 of 2
Ignition Switch - 2 of 2
Underhood Fuse Block STARTER Relay, IGN 1 Relay, HTR VLV/CLTCH and TCM/IPC Fuses
Underhood Fuse Block STARTER Relay, IGN 1 Relay, HTR VLV/CLTCH and TCM/IPC Fuses
G104 - 1 of 2
Ignition Switch - 1 of 2
Engine Data Sensors - Throttle Actuator Control (TAC) System
Class 2 Serial Data Bus - LHD - 1 of 2
Class 2 Serial Data Bus - LHD - 2 of 2
G140, G141 and G142 (L56)
G140, G141 and G142 (L56)
G140, G141 and G142 (L56)
G104 - 1 of 2