GM Service Manual Online
For 1990-2009 cars only
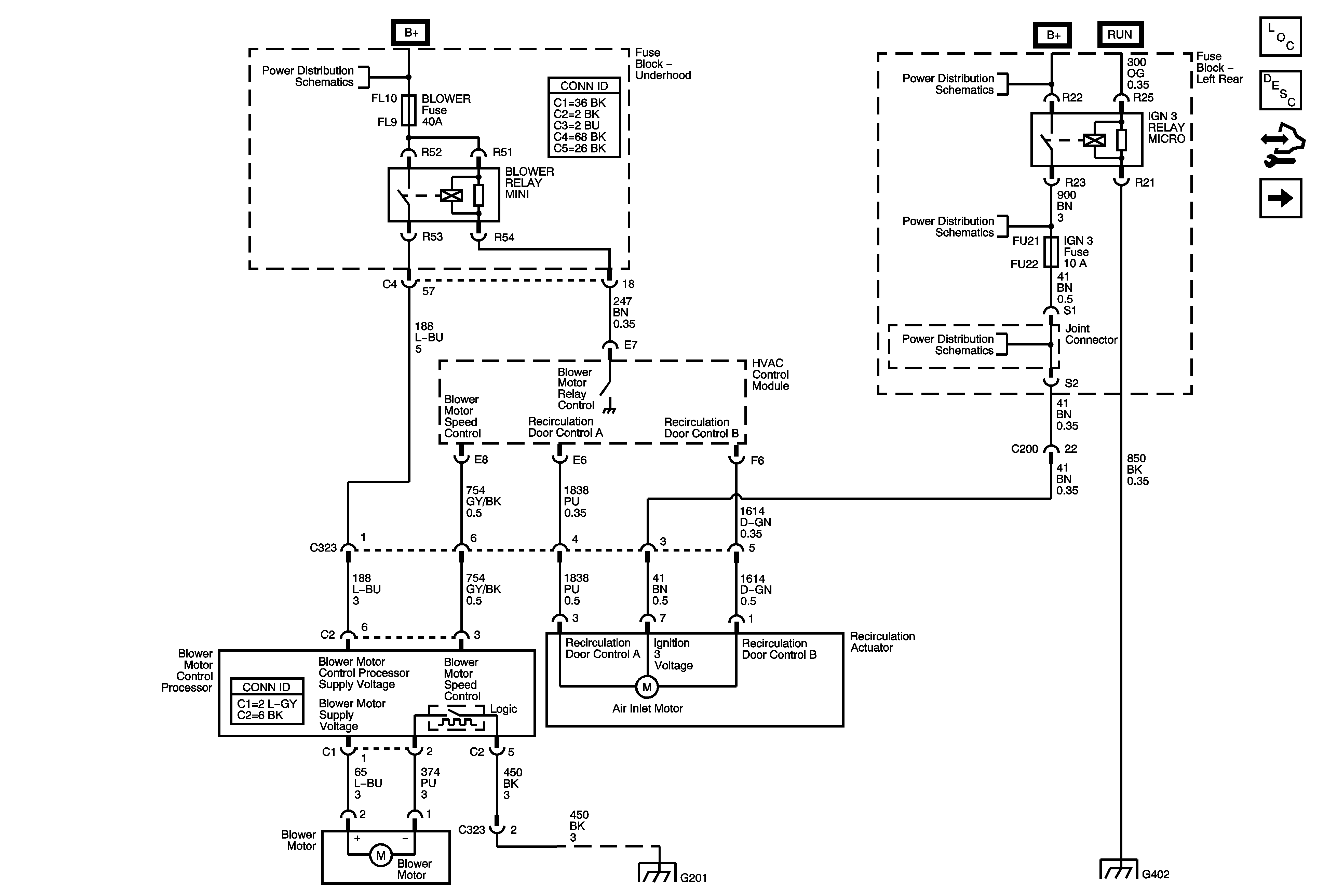
Figure 1:

Blower Motor Controls


Object Number: 1784778  Size: FS
Master Electrical Component List
Air Delivery Description and Operation
Control Module References
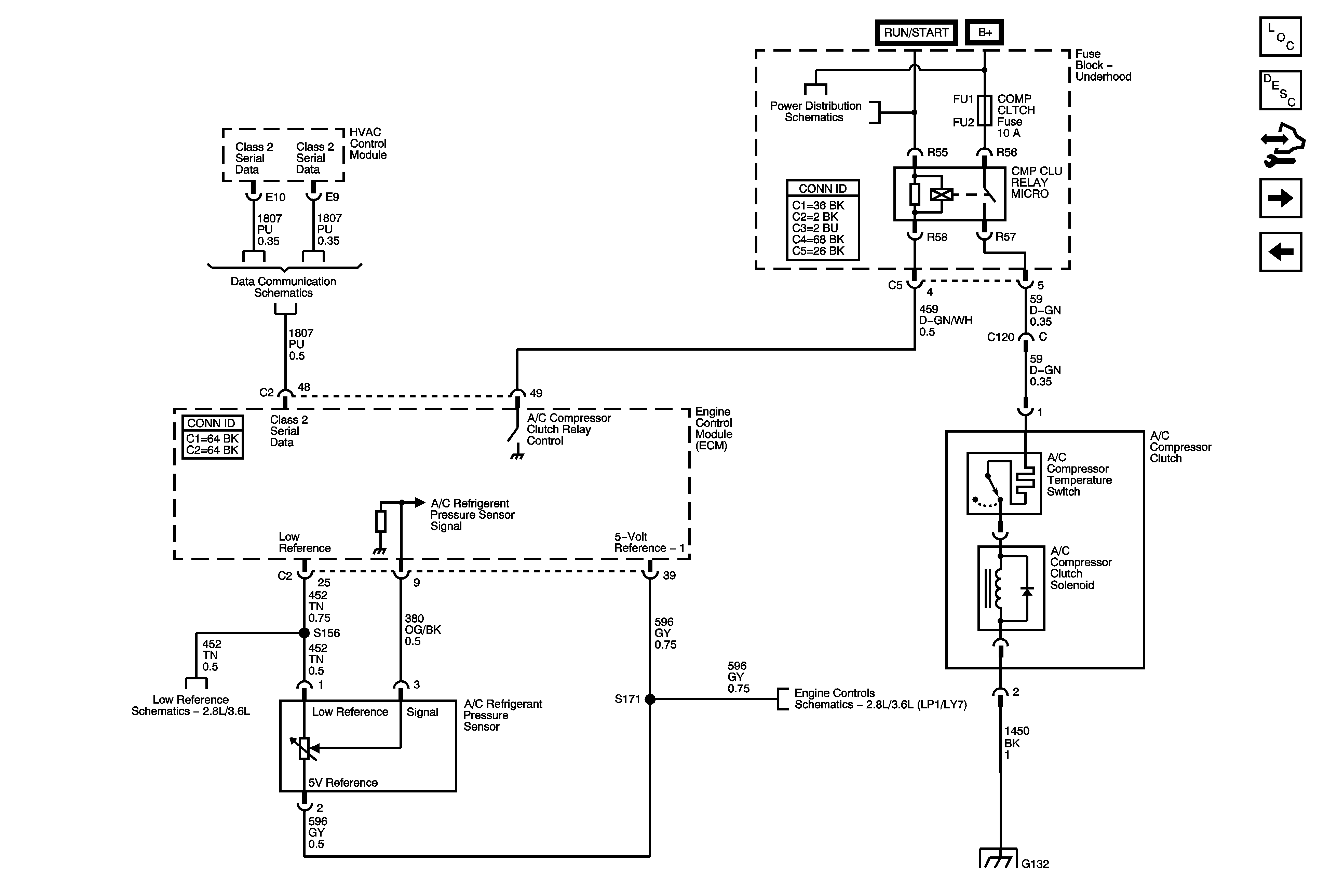
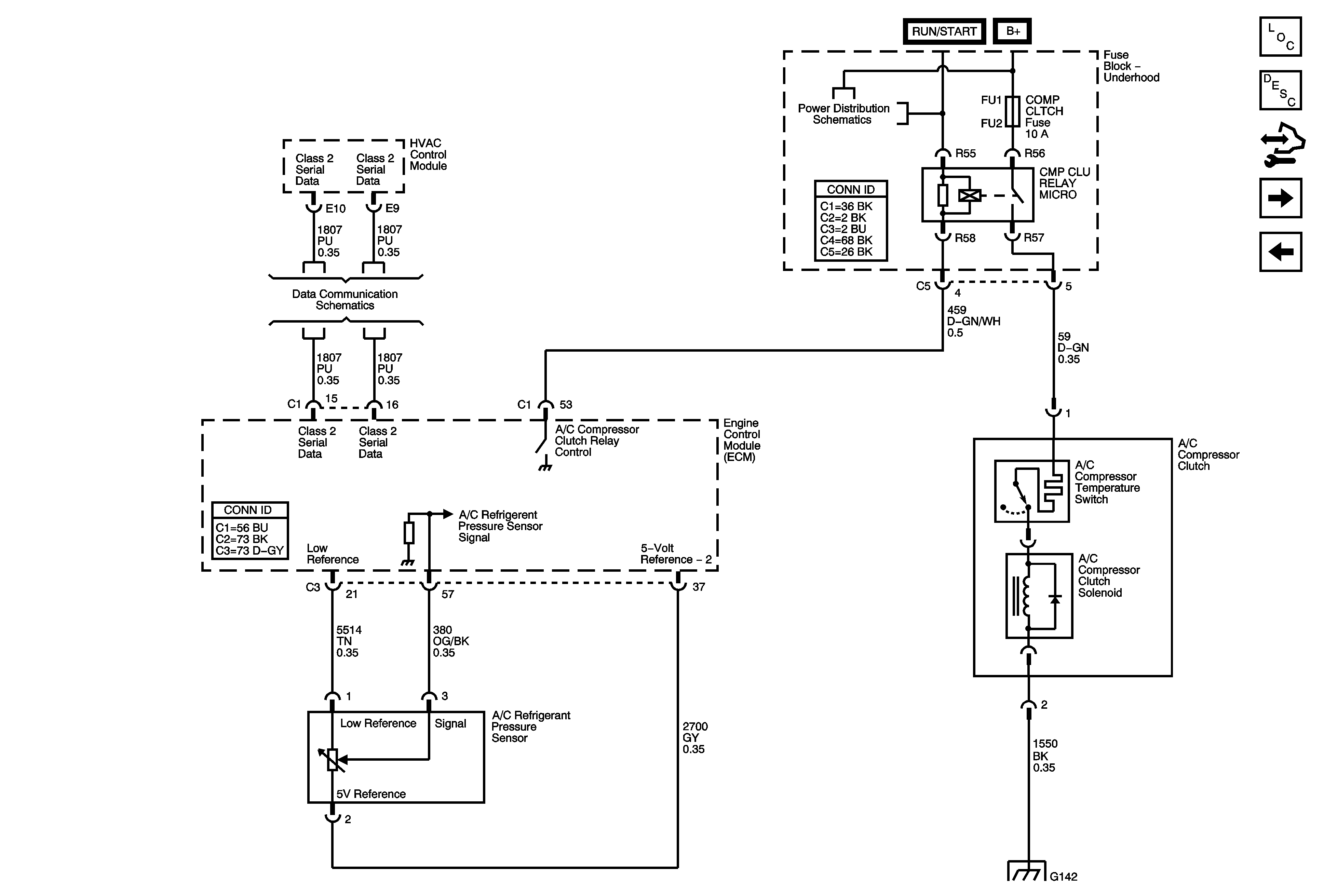
A/C Compressor Controls 2.8L/3.6L (LP1/LY7)
Underhood Fuse Block B+ 1 of 2
Left Rear Fuse Block Ign 3 Relay, LFRT HTD Seat MOD, MEM/ADAPT Seat, CCP, HDLP Leveling and IGN 3 Fuses
Left Rear Fuse Block Ign 3 Relay, LFRT HTD Seat MOD, MEM/ADAPT Seat, CCP, HDLP Leveling and IGN 3 Fuses
Left Rear Fuse Block Ign 3 Relay, LFRT HTD Seat MOD, MEM/ADAPT Seat, CCP, HDLP Leveling and IGN 3 Fuses
G201
G402 (2 of 2)
Figure 2:

A/C Compressor Controls 2.8L/3.6L (LP1/LY7)


Object Number: 1784791  Size: FS
Master Electrical Component List
Air Delivery Description and Operation
Control Module References
A/C Compressor Controls - 6.0L (LS2)
Blower Motor Controls
Class 2 Serial Data Bus - LHD (2 of 2)
Underhood Fuse Block B+ 1 of 2
Engine Data Sensors - Low Reference Bus
Engine Data Sensors - 5-Volt Reference Bus
G130, G131, G132 and G133 (LP1/LY7)
Figure 3:

A/C Compressor Controls 6.0L (LS2)


Object Number: 1784814  Size: FS
Master Electrical Component List
Air Delivery Description and Operation
Control Module References
Air Delivery/Temp Control Actuators (LHD)
A/C Compressor Controls 2.8L/3.6L (LP1/LY7)
Class 2 Serial Data Bus - LHD (2 of 2)
Underhood Fuse Block B+ 1 of 2
G140, G141, and G142 (LS2)
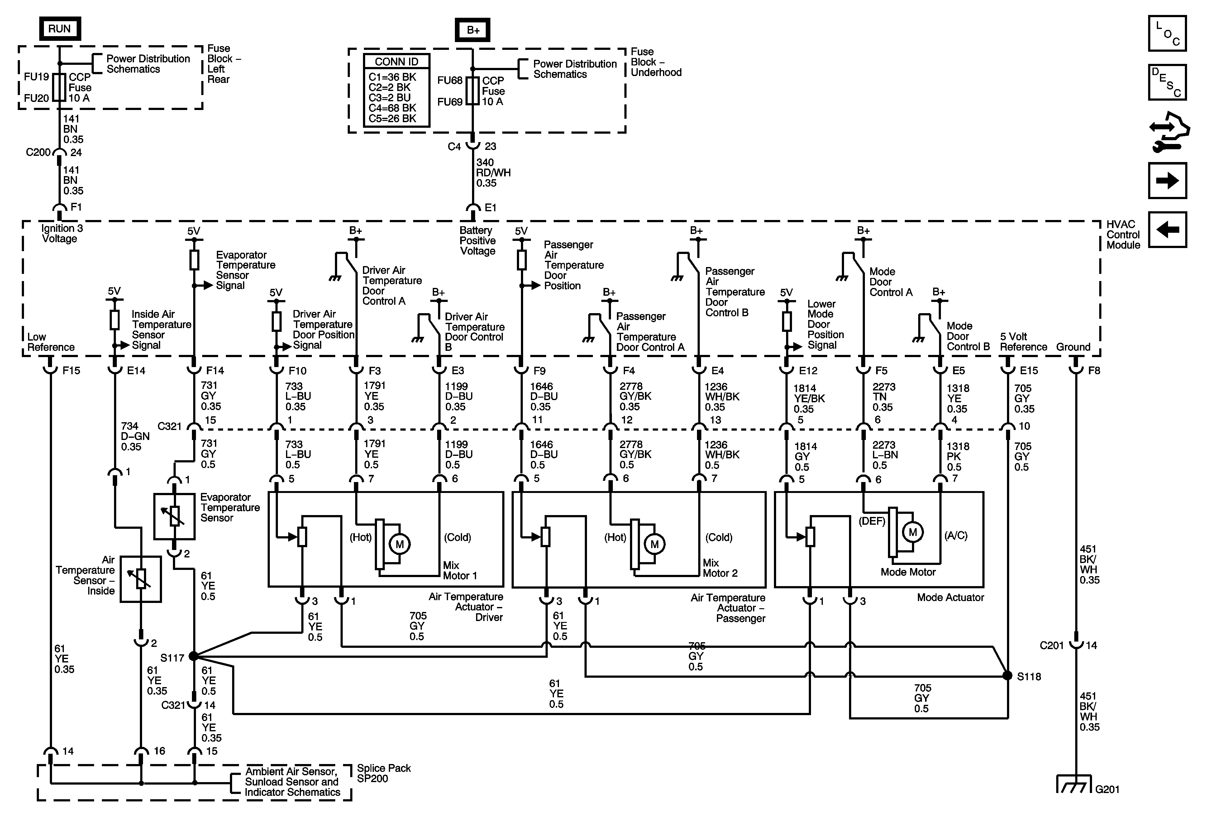
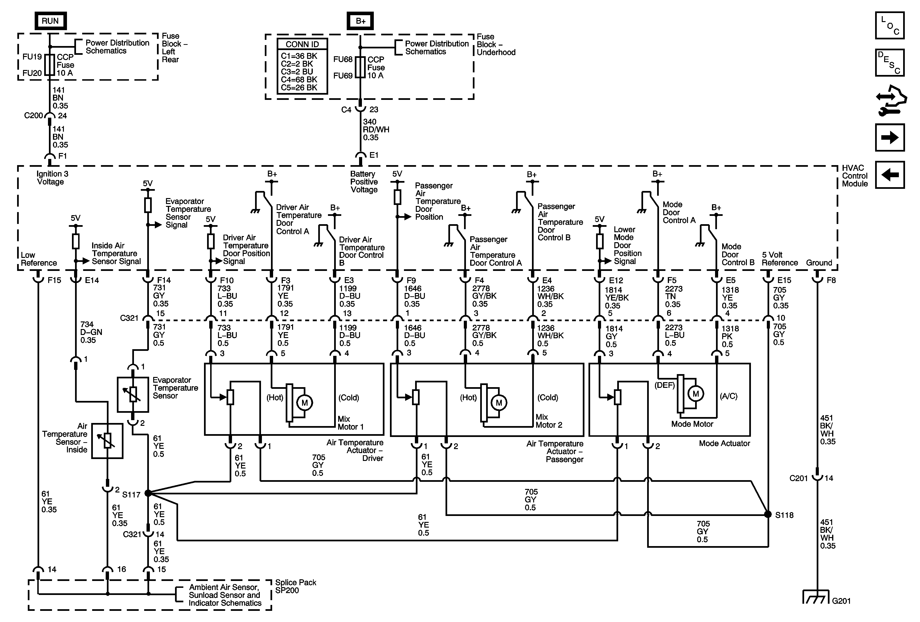
Figure 4:

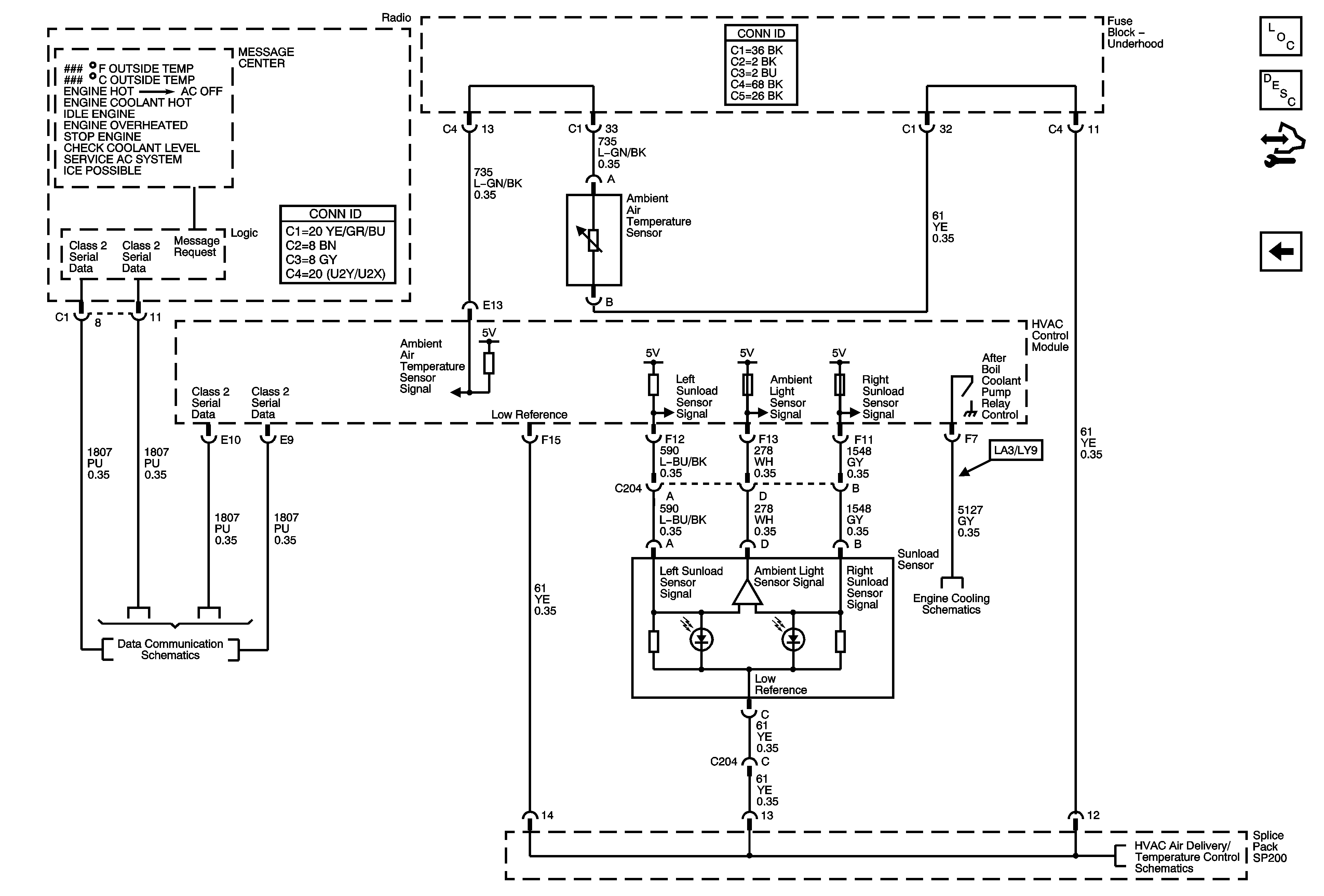
Air Delivery/Temperature Control Actuators (LHD)


Object Number: 1784815  Size: FS
Master Electrical Component List
Air Delivery Description and Operation
Control Module References
Air Delivery/Temp. CNTRL Actuators (RHD)
A/C Compressor Controls - 6.0L (LS2)
Left Rear Fuse Block Ign 3 Relay, LFRT HTD Seat MOD, MEM/ADAPT Seat, CCP, HDLP Leveling and IGN 3 Fuses
Underhood Fuse Block DIM/ALDL, Volt Check, Flasher, CCP, ECM/TCM, and ABS Fuses
Ambient Air Temp. Sensor, Sunload Sensor, and DIC
G201
Figure 5:

Air Delivery/Temperature Control Actuators (RHD)


Object Number: 1784849  Size: FS
Master Electrical Component List
Air Delivery Description and Operation
Control Module References
Ambient Air Temp. Sensor, Sunload Sensor, and DIC
Air Delivery/Temp Control Actuators (LHD)
Left Rear Fuse Block Ign 3 Relay, LFRT HTD Seat MOD, MEM/ADAPT Seat, CCP, HDLP Leveling and IGN 3 Fuses
Underhood Fuse Block DIM/ALDL, Volt Check, Flasher, CCP, ECM/TCM, and ABS Fuses
Air Delivery/Temp Control Actuators (LHD)
G101
Figure 6:

Ambient Air Temperature Sensor, Sunload Sensor, and DIC


Object Number: 1784859  Size: FS
Master Electrical Component List
Air Delivery Description and Operation
Control Module References
Air Delivery/Temp. CNTRL Actuators (RHD)
Class 2 Serial Data Bus - LHD (2 of 2)
Indicator, Gage and DIC
Air Delivery/Temp Control Actuators (LHD)