GM Service Manual Online
For 1990-2009 cars only
Makes
🢒
Cadillac
🢒
1999
🢒
Catera
🢒 Cell 20: Engine Data Sensors
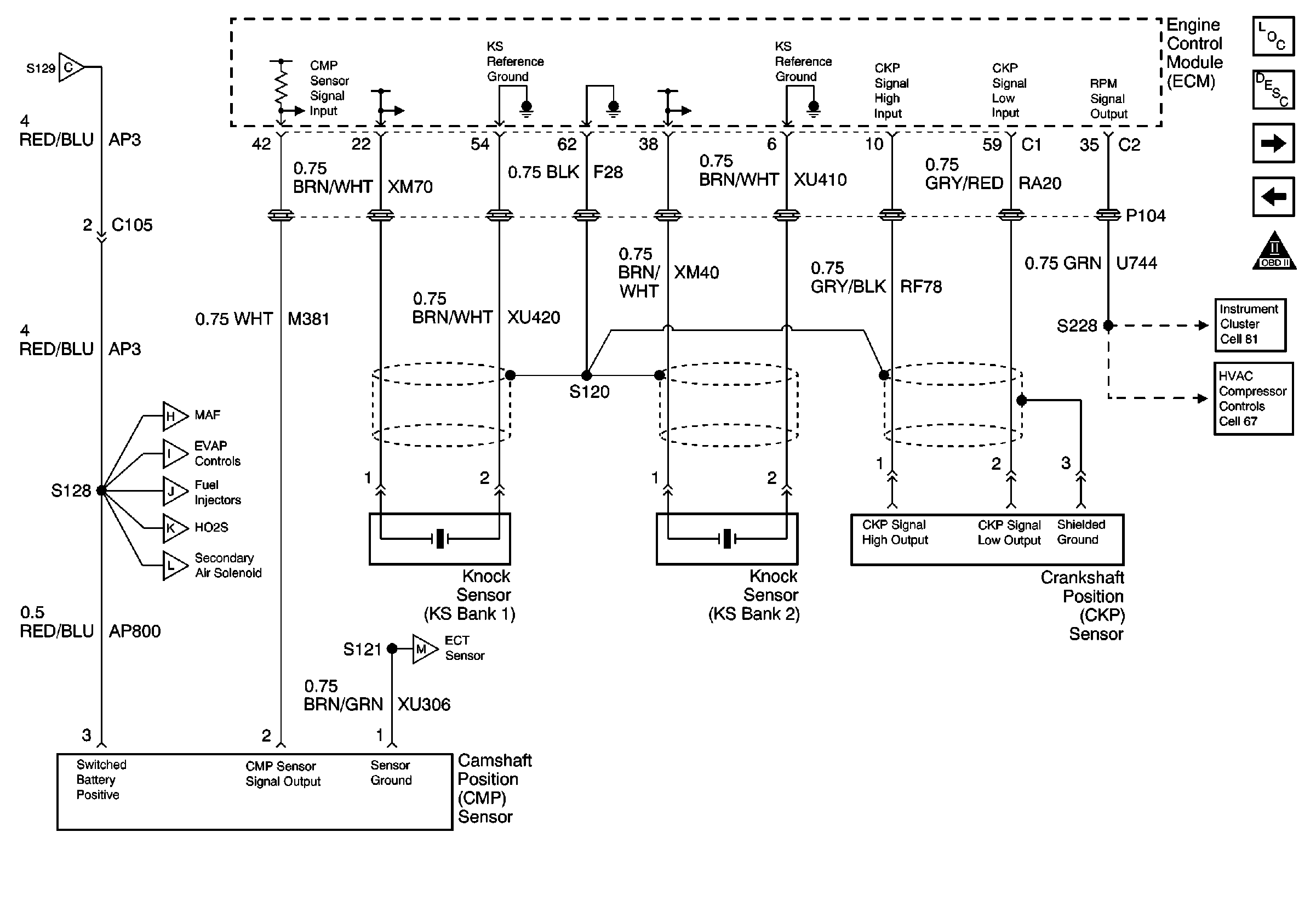
Cell 20: Engine Data Sensors
Cell 20: Engine Data Sensors
Engine Controls Components
Information Sensors
Cell 20: Fuel Injectors
Cell 20: Fuel Controls
Engine Controls Schematic Icons
Cell 81: Gauge Cluster Brake Pad Wear and Seat Belt Warning Indicators
Cell 67
Cell 20: Air Injection Pump, MAF and ECT Sensors
Cell 20: Air Injection Pump, MAF and ECT Sensors
Cell 20: Heated Oxygen Sensors
Cell 20: Fuel Injectors
Cell 20: EVAP Tank, Purge and Intake Plenum, Resonance Sol. Valves
Cell 20: Air Injection Pump, MAF and ECT Sensors
Cell 20: Power, Ground, and MIL