GM Service Manual Online
For 1990-2009 cars only
Makes
🢒
Cadillac
🢒
2001
🢒
Catera
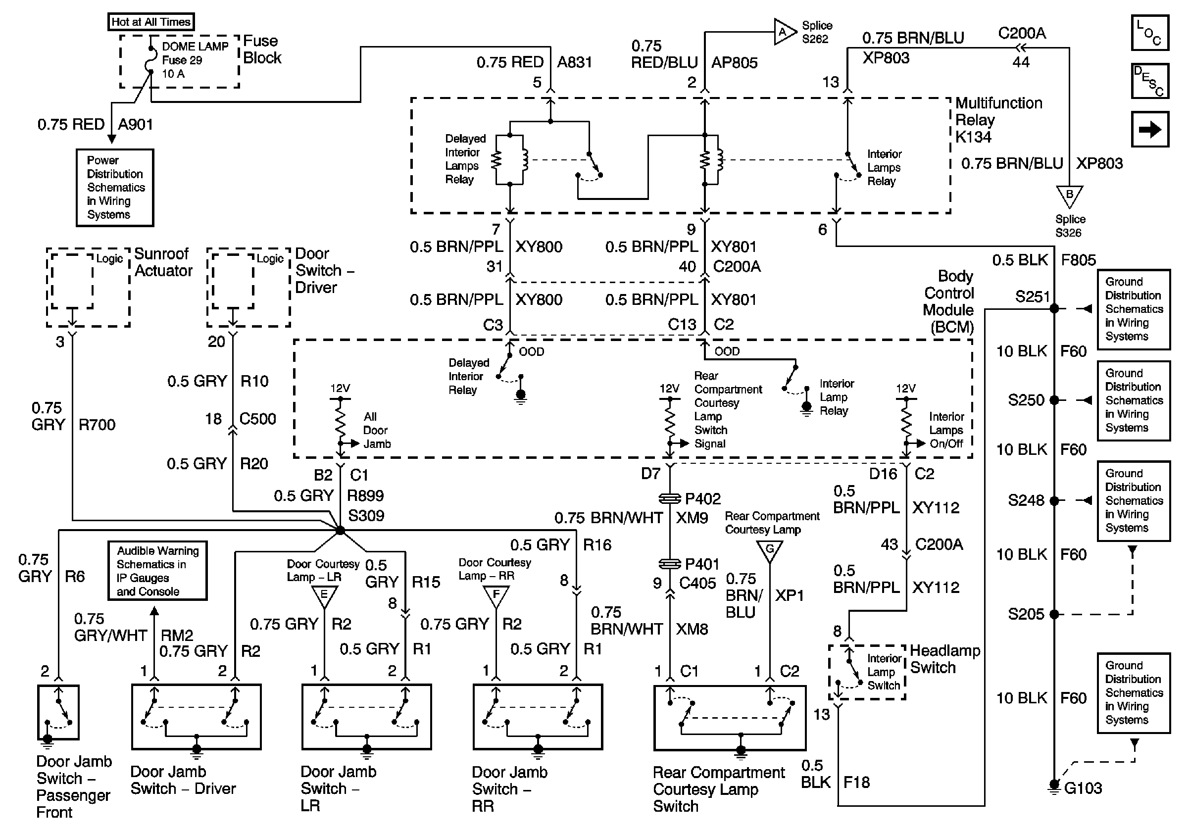
🢒 Interior Lamps Relay and Door Jamb Switches
Interior Lamps Relay and Door Jamb Switches
BCM, Door Jamb Switches and Relay
Master Electrical Component List
Interior Lighting Systems Description and Operation
I/P Compartment, Dome/Reading, and Sunshade Lamps
Underhood Fuse Block Fuse V6 and Fuse Block Fuses 17, 28, 29, 33, and34
I/P Compartment, Dome/Reading, and Sunshade Lamps
Underhood Fuse Block Fuse V6 and Fuse Block Fuses 17, 28, 29, 33, and34
Door and Roof Rail Courtesy Lamps
Audible Warning
Door and Roof Rail Courtesy Lamps
Door and Roof Rail Courtesy Lamps
Door and Roof Rail Courtesy Lamps
G103 (8 of 8)
G103 (7 of 8)
G103 (6 of 8)
G103 (1 of 8)