GM Service Manual Online
For 1990-2009 cars only
Makes
🢒
Cadillac
🢒
2001
🢒
Catera
🢒 I/P Compartment, Dome/Reading, and Sunshade Lamps
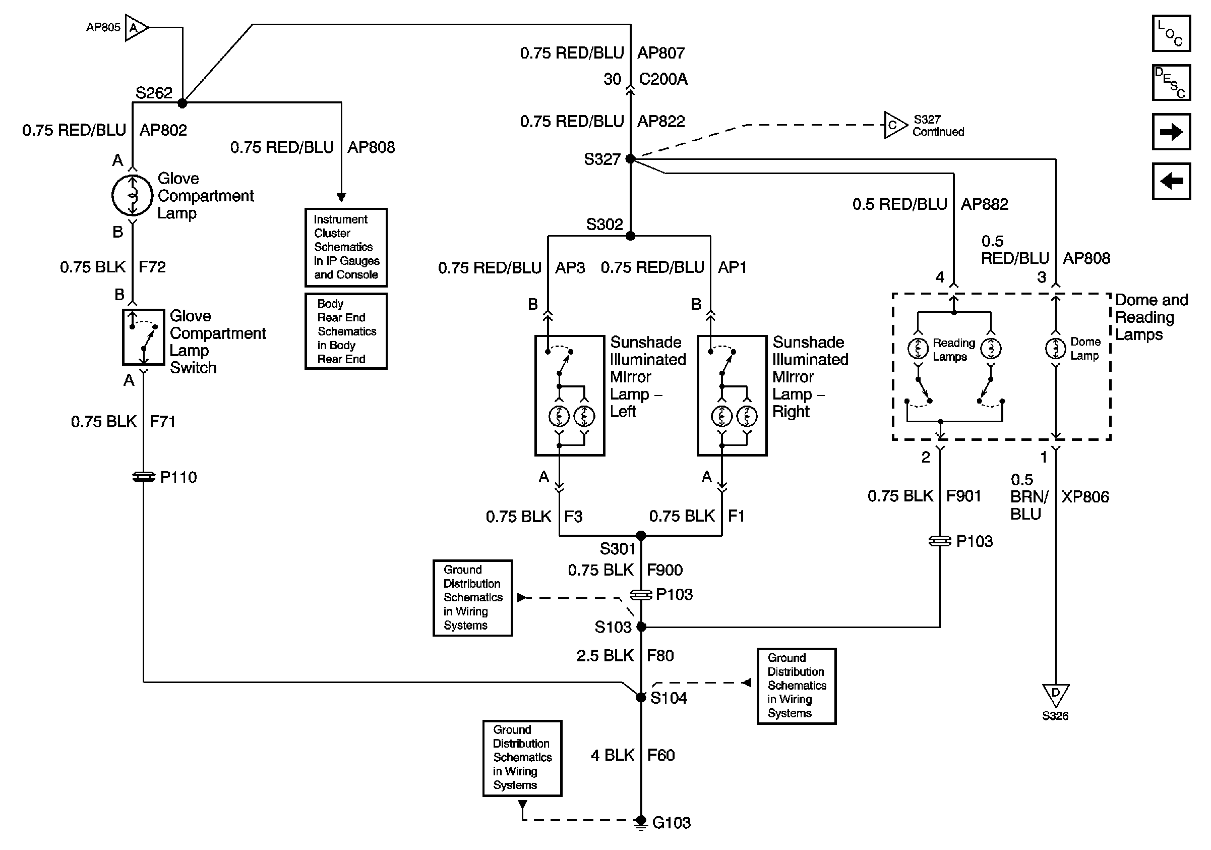
I/P Compartment, Dome/Reading, and Sunshade Lamps
Glove Compartment, Sunshade and Dome/Reading Lamps
Master Electrical Component List
Interior Lighting Systems Description and Operation
Door and Roof Rail Courtesy Lamps
Interior Lamps Relay and Door Jamb Switches
Interior Lamps Relay and Door Jamb Switches
Door and Roof Rail Courtesy Lamps
Power, Ground, DLC, Turn Signal, Fog Lamp, Security, Rear Compartment Lid Release Open, High Beam Indicators and Back Lighting Lamps
Rear Compartment Lid Ajar Indicator
G103 (4 of 8)
G103 (1 of 8)
G103 (3 of 8)
Door and Roof Rail Courtesy Lamps