GM Service Manual Online
For 1990-2009 cars only
Makes
🢒
Cadillac
🢒
2001
🢒
Catera
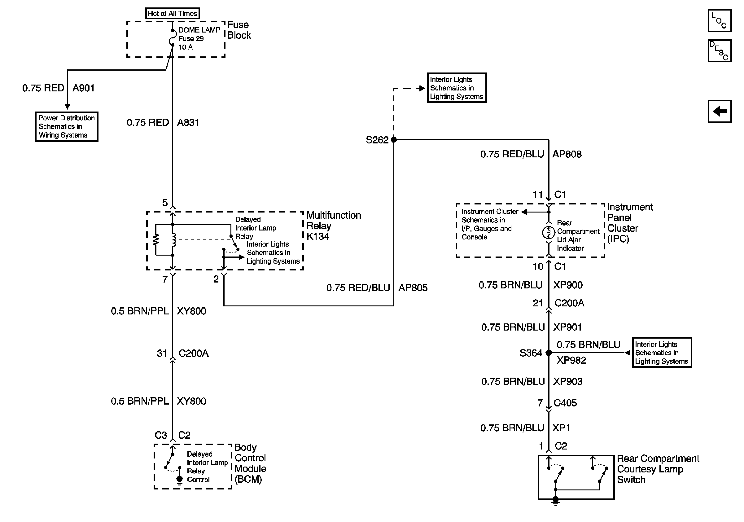
🢒 Rear Compartment Lid Ajar Indicator
Rear Compartment Lid Ajar Indicator
Rear Compartment Lid Ajar
Master Electrical Component List
Luggage Compartment Description and Operation
Rear Sunshade Schematic
Rear Compartment Lid Release
Underhood Fuse Block Fuse V6 and Fuse Block Fuses 17, 28, 29, 33, and34
Underhood Fuse Block Fuse V6 and Fuse Block Fuses 17, 28, 29, 33, and34
I/P Compartment, Dome/Reading, and Sunshade Lamps
Interior Lamps Relay and Door Jamb Switches
Power, Ground, DLC, Turn Signal, Fog Lamp, Security, Rear Compartment Lid Release Open, High Beam Indicators and Back Lighting Lamps
Door and Roof Rail Courtesy Lamps