GM Service Manual Online
For 1990-2009 cars only
Makes
🢒
Cadillac
🢒
2001
🢒
Catera
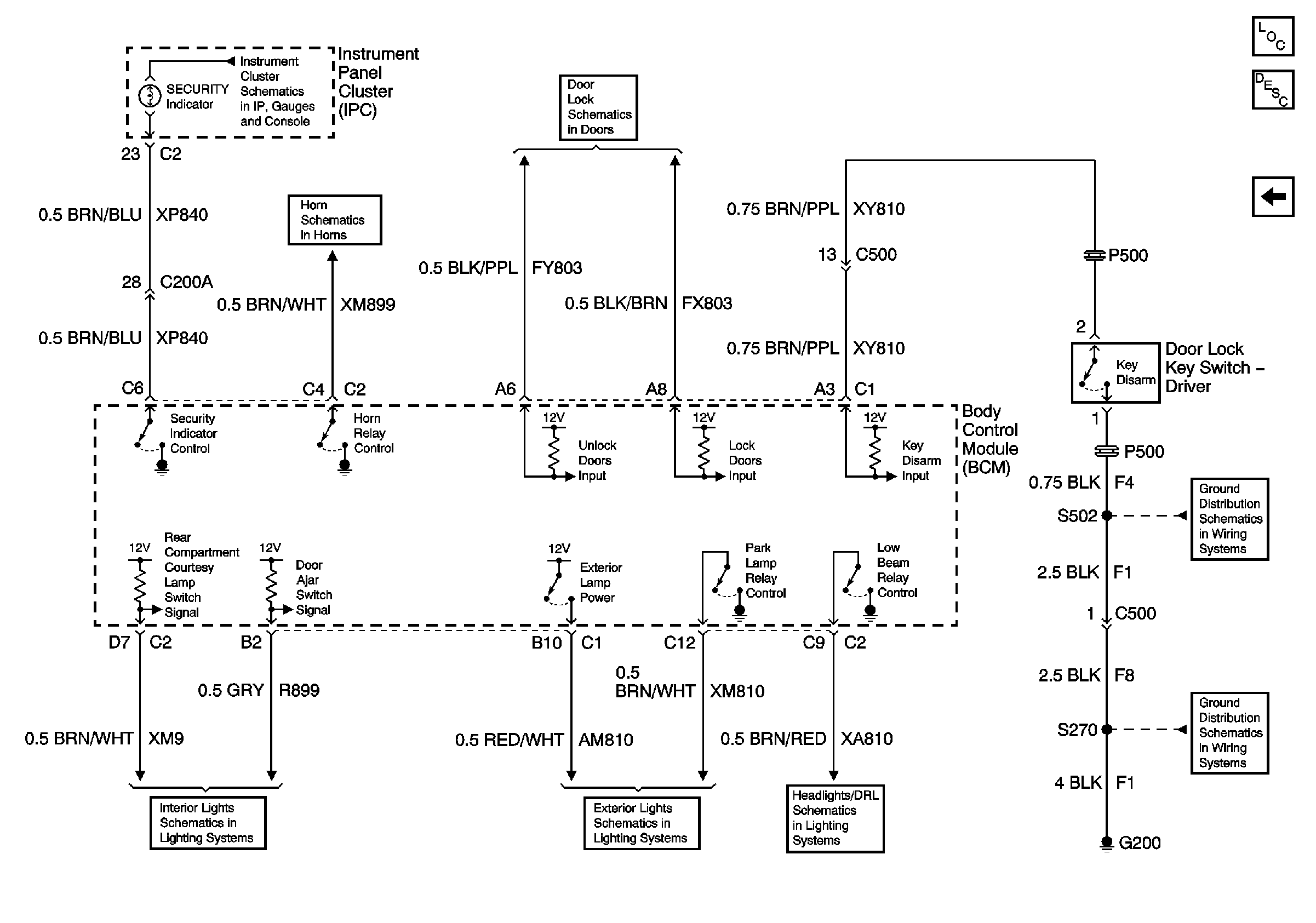
🢒 Security Indicator, Door Signals, Lighting and Horn Controls
Security Indicator, Door Signals, Lighting and Horn Controls
Security Indicator, Door Signals, and Lighting
Master Electrical Component List
Theft Systems Description and Operation
Power, Ground, DLC and Vehicle Speed Signal
Power, Ground, DLC, Turn Signal, Fog Lamp, Security, Rear Compartment Lid Release Open, High Beam Indicators and Back Lighting Lamps
Horns
Switches
Interior Lamps Relay and Door Jamb Switches
Park Lamp Relay and Headlamp Switch
Low Beam Relay K131 and Turn Signal Switch
G200 (2 of 2)
G200 (1 of 2) and G203