GM Service Manual Online
For 1990-2009 cars only
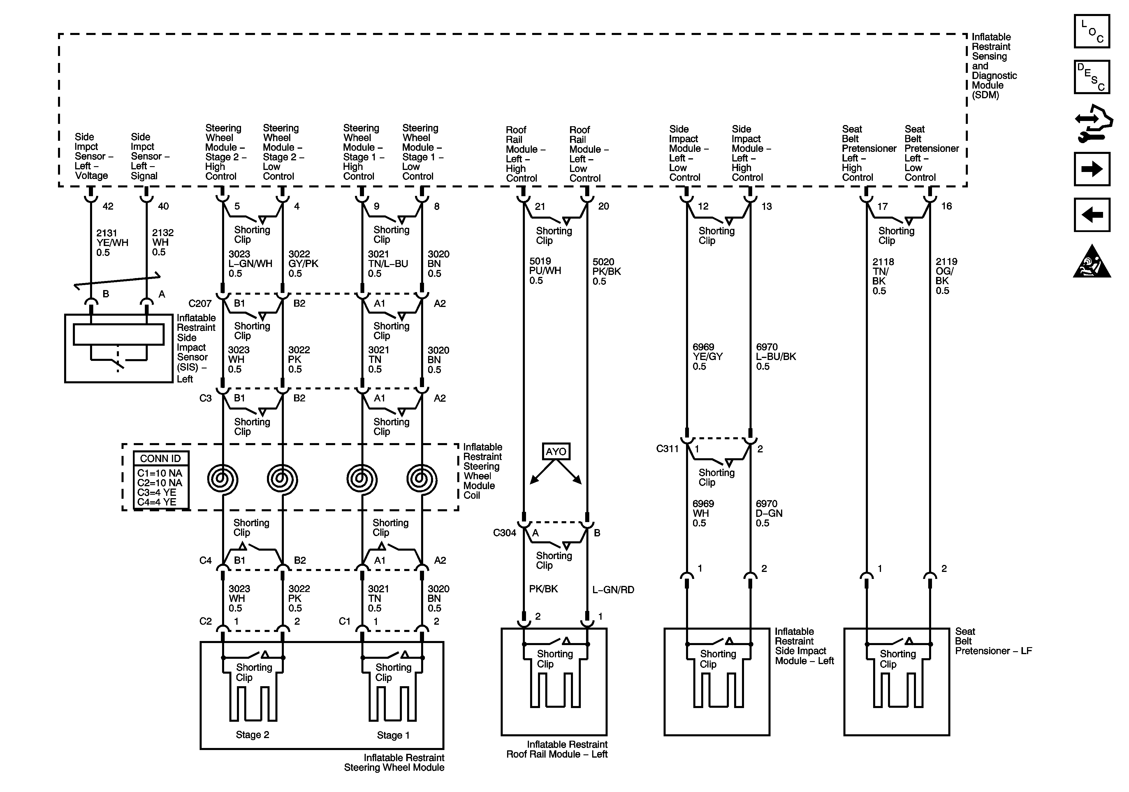
Figure 1:

Indicators, Power, Ground, Front End Sensors


Object Number: 1615515  Size: FS
Master Electrical Component List
SIR System Description and Operation
Control Module References
Left Side Impact Sensor and Module, Roof Rail Module, Steering Module, Pretensioner
Underhood Fuse Block B+ Bus
Underhood Fuse Block B+ Bus
Underhood Fuse Block - RUN/CRANK Relay, TRANS IGN 3, AIRBAG IGN 3, HVAC/IPC, ECM IGN 3 Fuses
Rear Fuse Block B+ Bus
Rear Fuse Block - AIRBAG, OBJ SNSR, ONSTAR/S-BAND, BODY HARN MDL Fuses
G100, G112
DLC Power, Ground, and Low Speed GMLAN
SIR Schematic Icons
SIR Schematic Icons
SIR Schematic Icons
SIR Schematic Icons
SIR Schematic Icons
SIR Schematic Icons
SIR Schematic Icons
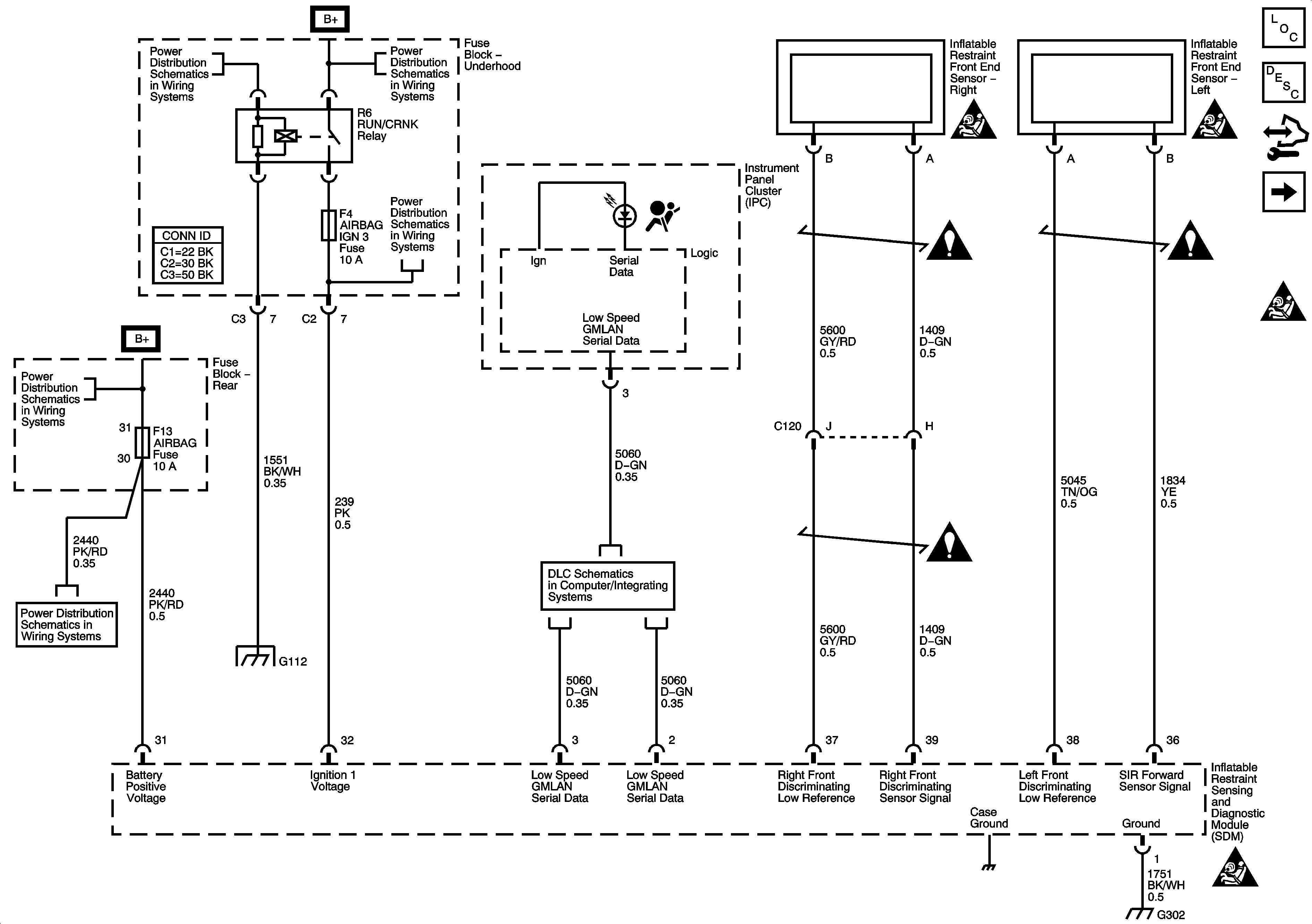
Figure 2:

Left Side Impact Sensor and Module, Roof Rail Module, Steering Module, Pretensioner


Object Number: 1615516  Size: FS
Master Electrical Component List
SIR System Description and Operation
Control Module References
Right Side Impact Sensor and Module, Roof Rail Module, I/P Module, Pretensioner
Indicators, Power, Ground, Front End Sensors
SIR Schematic Icons
Figure 3:

Right Side Impact Sensor and Module, Roof Rail Module, I/P Module, Pretensioner


Object Number: 1615517  Size: FS
Master Electrical Component List
SIR System Description and Operation
Control Module References
Passenger Presence System (PPS)
Left Side Impact Sensor and Module, Roof Rail Module, Steering Module, Pretensioner
SIR Schematic Icons
SIR Schematic Icons
Seatbelt Schematics
Seatbelt Schematics
Figure 4:

Passenger Presence System (PPS)


Object Number: 1615518  Size: FS
Master Electrical Component List
SIR System Description and Operation
Control Module References
Right Side Impact Sensor and Module, Roof Rail Module, I/P Module, Pretensioner
SIR Schematic Icons
Underhood Fuse Block B+ Bus
Underhood Fuse Block B+ Bus
Rear Fuse Block B+ Bus
Underhood Fuse Block - RUN/CRANK Relay, TRANS IGN 3, AIRBAG IGN 3, HVAC/IPC, ECM IGN 3 Fuses
Rear Fuse Block - AIRBAG, OBJ SNSR, ONSTAR/S-BAND, BODY HARN MDL Fuses
G100, G112
G402
DLC Power, Ground, and Low Speed GMLAN
G300