GM Service Manual Online
For 1990-2009 cars only
Makes
🢒
Cadillac
🢒
2007
🢒
DTS
🢒
Driver Information and Entertainment
🢒
Displays and Gages
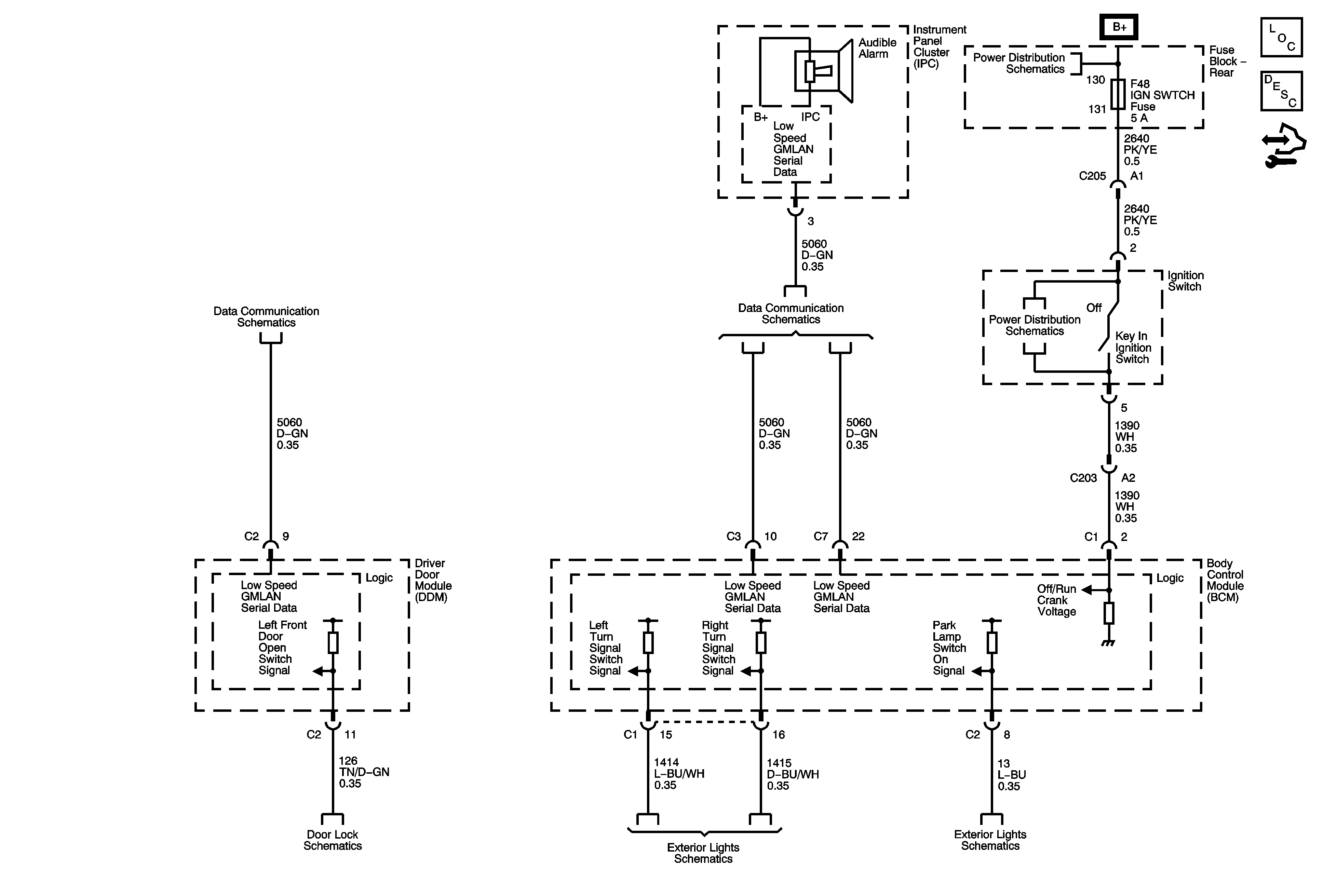
🢒 Audible Warnings Schematics
Master Electrical Component List
Audible Warnings Description and Operation
Control Module References
Power, Ground and Low Speed GMLAN
Power, Ground and Low Speed GMLAN
Driver Door Module, Power and Ground
Front Turn Signal/Hazard Lamps
Front Park, Marker, Position Lamps
Rear Fuse Block B+
Rear Fuse Block - IGN SWTCH, STR/WHL ILLUM Fuses