GM Service Manual Online
For 1990-2009 cars only
Makes
🢒
Cadillac
🢒
2007
🢒
DTS
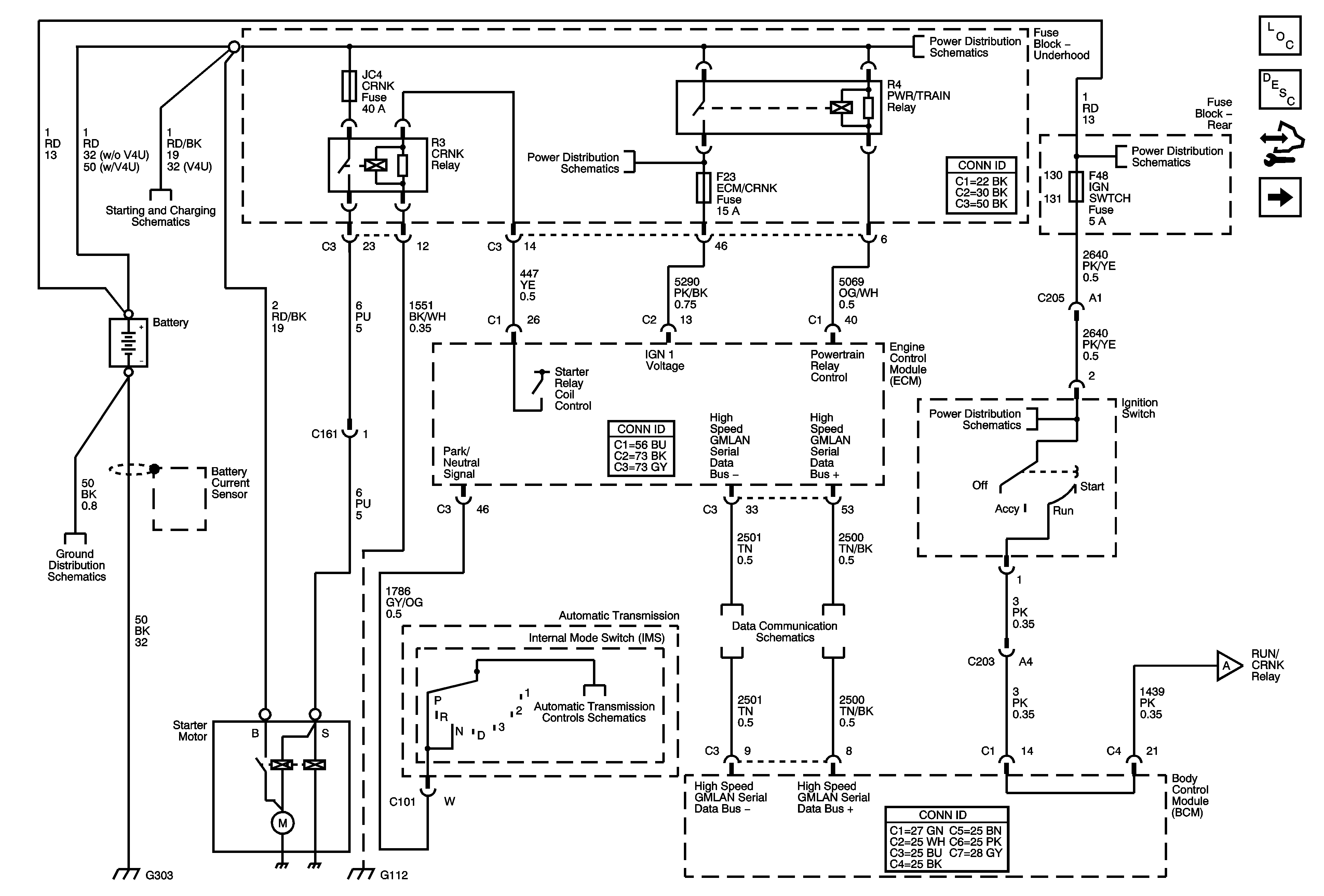
🢒 Starting Schematic 1 of 2
Starting Schematic 1 of 2
Starting 1 of 2
Master Electrical Component List
Starting System Description and Operation
Control Module References
Starting Schematic 2 of 2
Charging Schematic
Underhood Fuse Block B+
Underhood Fuse Block B+
Rear Fuse Block B+
G101, G110, G111, G114, G115, G302, G303, G306, G307
Rear Fuse Block - IGN SWTCH, STR/WHL ILLUM Fuses
High Speed Serial Data
TCM Power and Ground
G101, G110, G111, G114, G115, G302, G303, G306, G307
Starting Schematic 2 of 2