GM Service Manual Online
For 1990-2009 cars only
Makes
🢒
Cadillac
🢒
2000
🢒
Eldorado
🢒 Power and Ground Circuits
Power and Ground Circuits
Power and Ground Circuits
Body Control Module Components
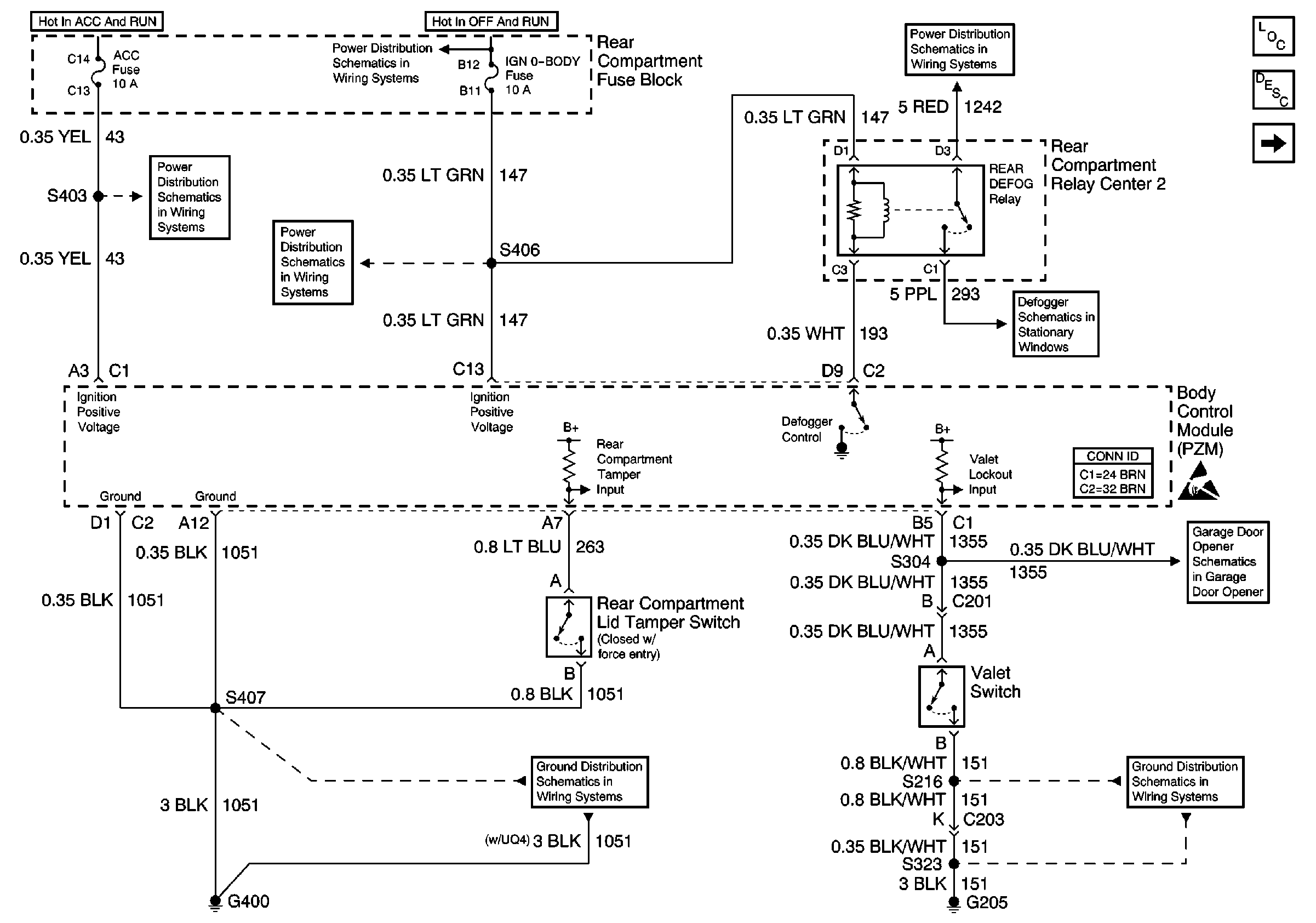
Body Control Module Inputs and Outputs (1 of 4)
BATT 3 Fuse and Ignition Switch (1 of 2)
WIPERS, ACC, and CLUSTER Fuses
IGN 0 BODY Fuse
BODY 2 Fuse
Rear
Handling ESD Sensitive Parts Notice
Garage Door Opener
G400
G205
Body Control System Description