GM Service Manual Online
For 1990-2009 cars only
Makes
🢒
Cadillac
🢒
2001
🢒
Eldorado
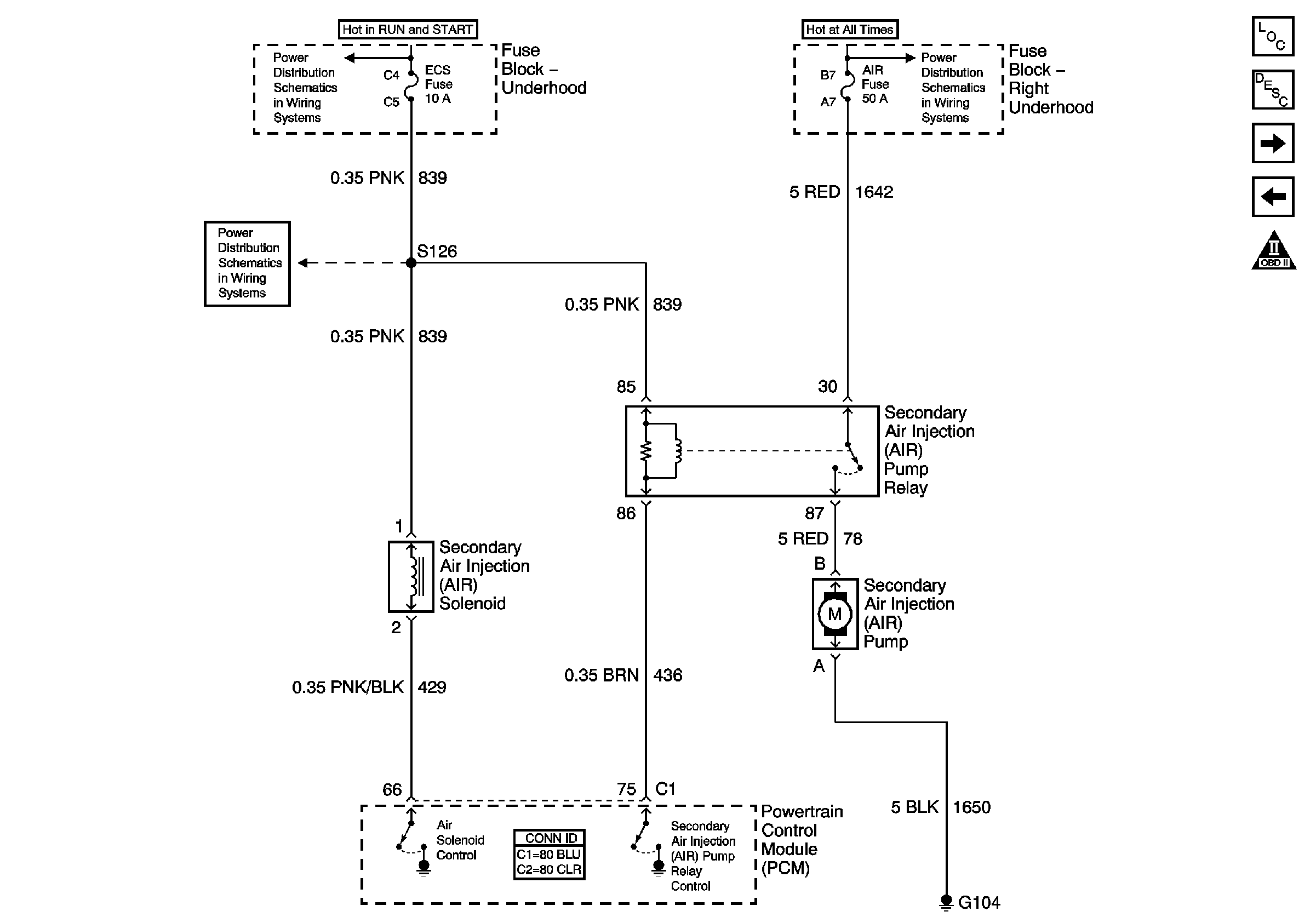
🢒 AIR Pump, Pump Relay and Solenoid
AIR Pump, Pump Relay and Solenoid
AIR Pump, Pump Relay and Solenoid
Master Electrical Component List
Cooling Fans and Relays
Transaxle IMS and VSS
OBD II Symbol Description Notice
OXY SEN 1, OXY SEN 2, FUEL PUMP, ECS Fuses and FUEL PUMP Relay
BATT 2 Fuse and Ignition Switch (2 of 2)
Battery Feeds