GM Service Manual Online
For 1990-2009 cars only
Makes
🢒
Cadillac
🢒
2002
🢒
Escalade EXT
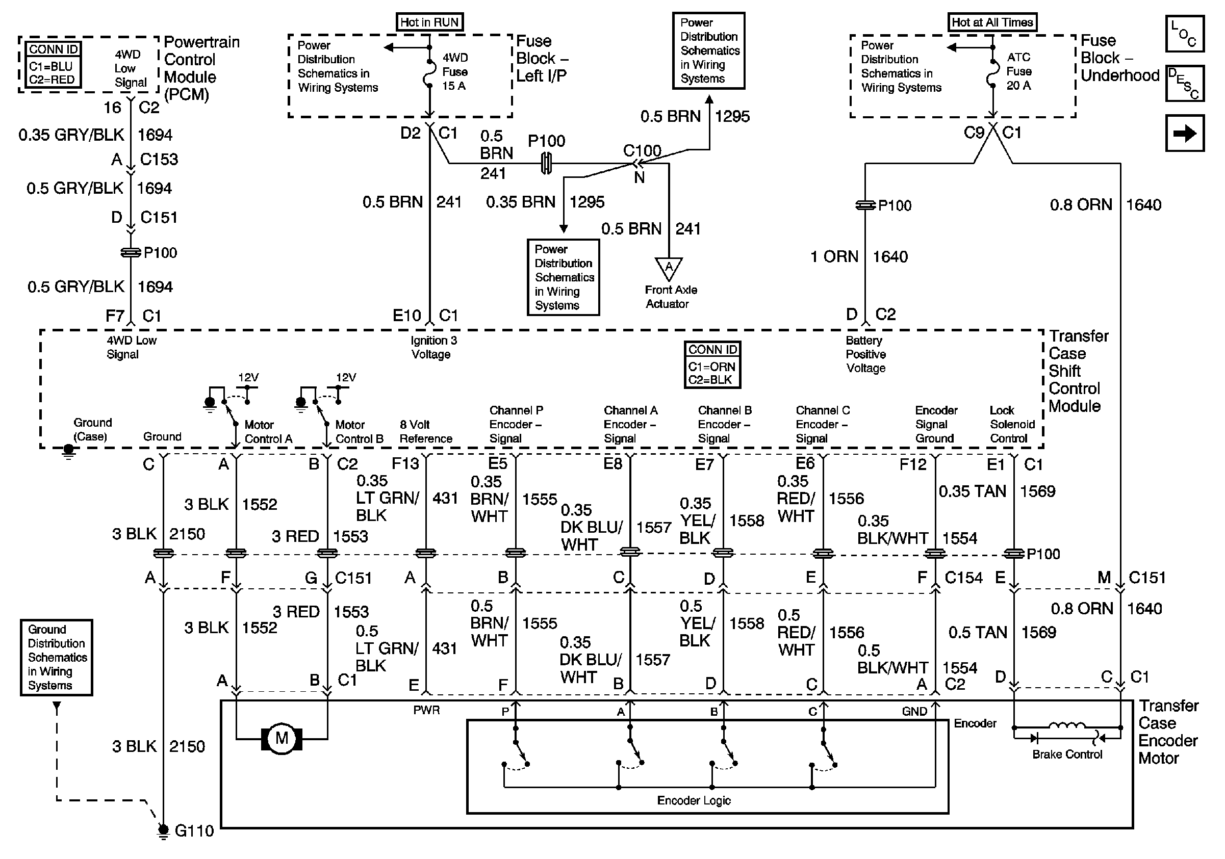
🢒 Power, Ground and Transfer Case Encoder Motor
Power, Ground and Transfer Case Encoder Motor
Power, Ground and Transfer Case Encoder Motor
Master Electrical Component List
Transfer Case Description and Operation
Propshaft Speed Sensors, Front Axle Actuator
4WD and HVAC I Fuses
4WD and HVAC I Fuses
ABS, HAZ LP, STUD 1, STUD 2, CTSY LP, and PARK LP Fuses
4WD and HVAC I Fuses
Propshaft Speed Sensors, Front Axle Actuator
G100 and G110