GM Service Manual Online
For 1990-2009 cars only
Makes
🢒
Cadillac
🢒
2002
🢒
Escalade EXT
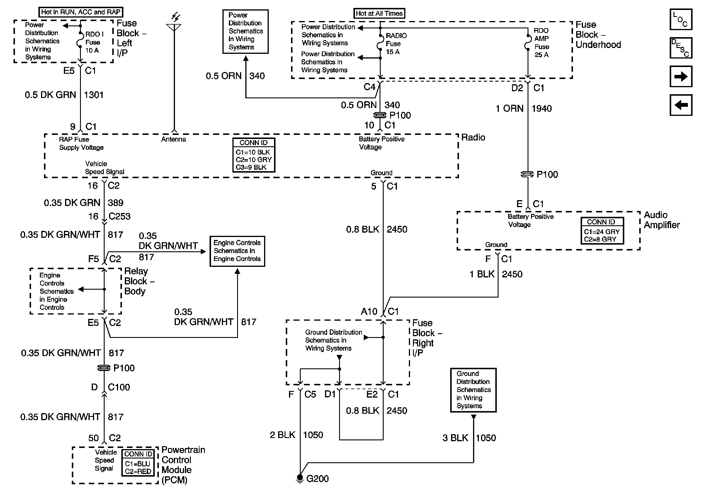
🢒 Power and Ground - YE9 w/o Rear Seat Audio
Power and Ground - YE9 w/o Rear Seat Audio
Power and Ground - YE9 w/o Rear Seat Audio
Master Electrical Component List
Radio/Audio System Description and Operation
Amplifier Inputs and Controls and Subsystem References - YE9 w/o Rear Seat Audio
Speakers - Base
PWR WDO Circuit Breakers, RDO I and RAP #2 Fuses
AIR, RADIO, ECM B, FRT HVAC, and CIGAR Fuses
AIR, RADIO, ECM B, FRT HVAC, and CIGAR Fuses
AIR, RADIO, ECM B, FRT HVAC, and CIGAR Fuses
Gages, VSS, and Engine Oil Signals
Gages, VSS, and Engine Oil Signals
G200 - 1 of 2
G200 - 1 of 2