GM Service Manual Online
For 1990-2009 cars only
Makes
🢒
Cadillac
🢒
2002
🢒
Escalade EXT
🢒 All Except Escalade
All Except Escalade
All Except Escalade
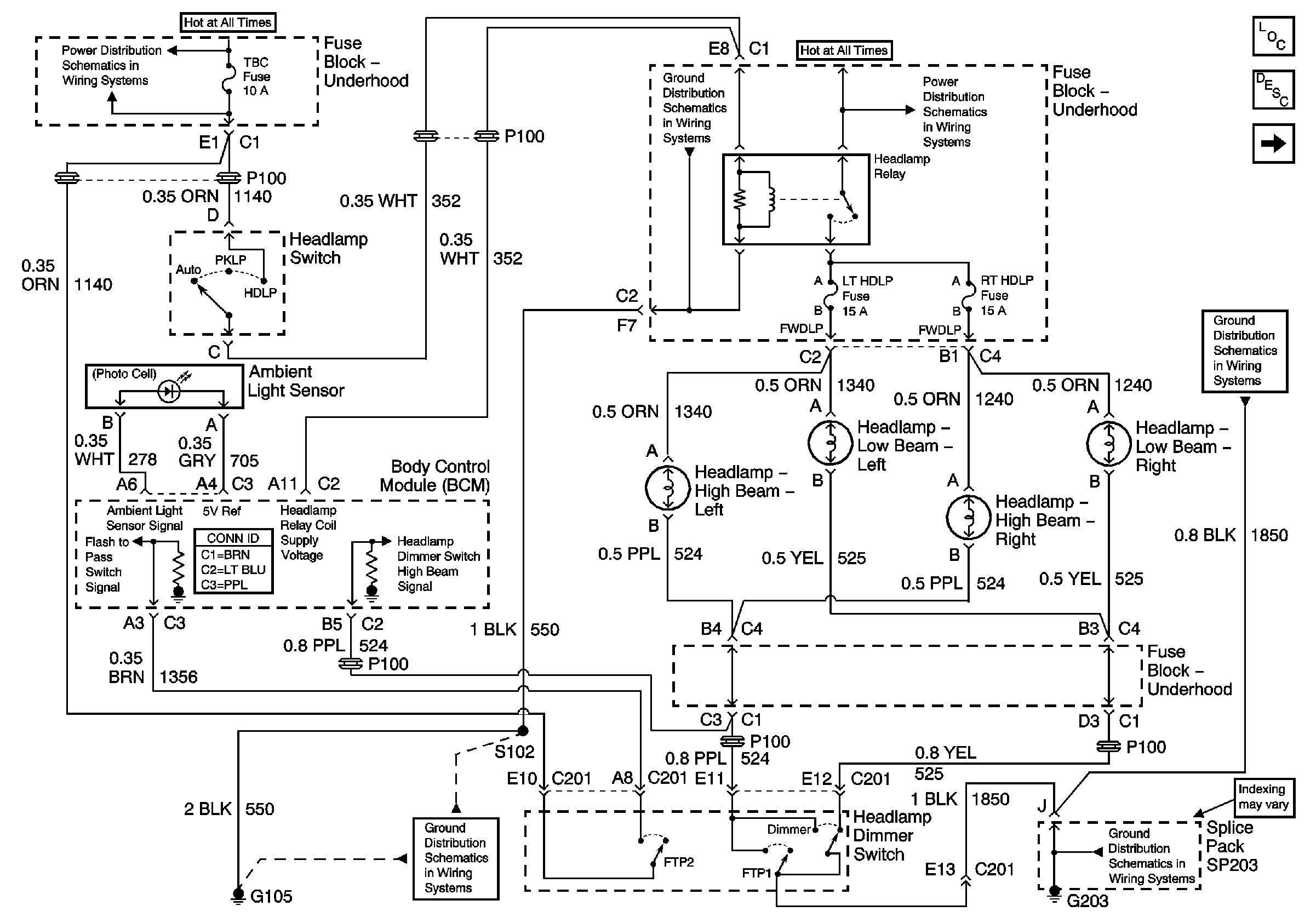
Master Electrical Component List
Exterior Lighting Systems Description and Operation
Escalade Only
TBC, FOG LP, LT HDLP, and RT HDLP Fuses
G104
TBC, FOG LP, LT HDLP, and RT HDLP Fuses
G203 - 1 of 4
G103, G105, and G106
G203 - 1 of 4