GM Service Manual Online
For 1990-2009 cars only
Makes
🢒
Cadillac
🢒
2002
🢒
Escalade EXT
🢒 Escalade Only
Escalade Only
Escalade Only
Master Electrical Component List
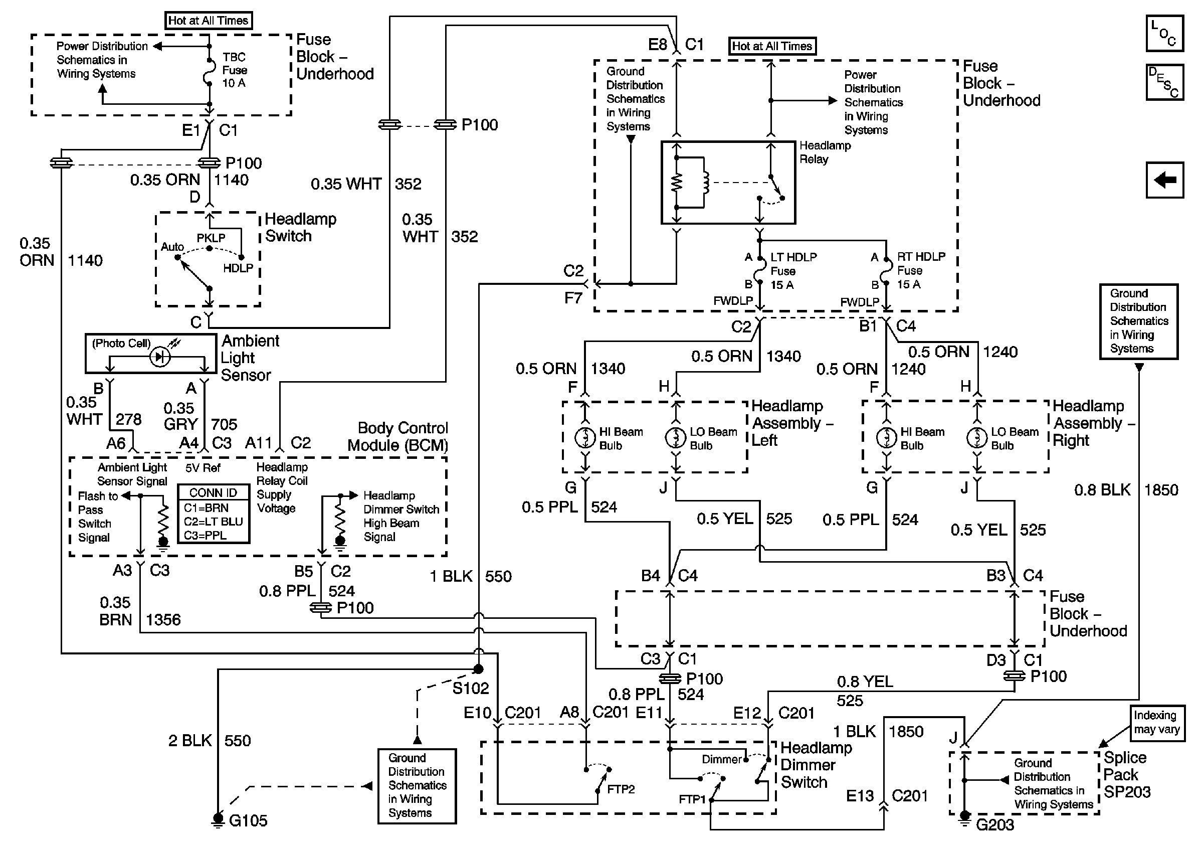
Exterior Lighting Systems Description and Operation
All Except Escalade
TBC, FOG LP, LT HDLP, and RT HDLP Fuses
G104
TBC, FOG LP, LT HDLP, and RT HDLP Fuses
G203 - 1 of 4
G104
G203 - 1 of 4