GM Service Manual Online
For 1990-2009 cars only
Makes
🢒
Cadillac
🢒
2002
🢒
Escalade EXT
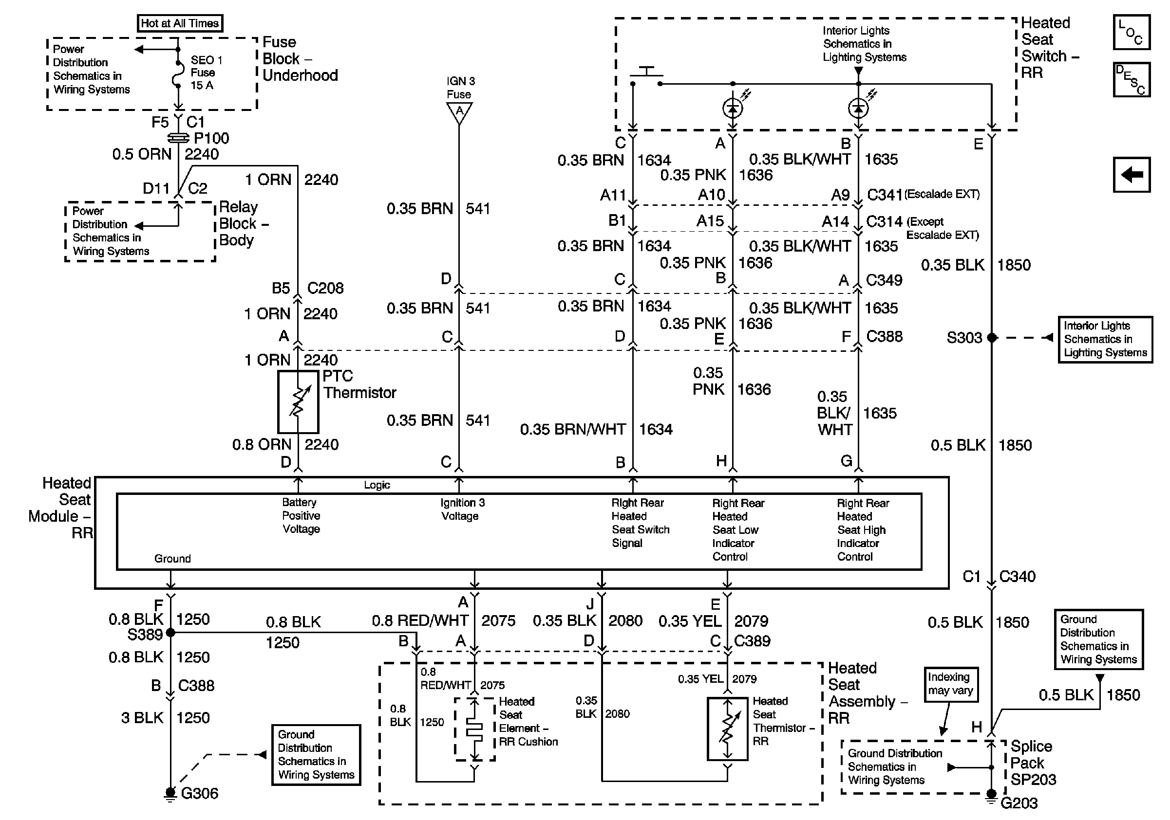
🢒 Heated Seat - RR
Heated Seat - RR
Heated Seat - RR
Master Electrical Component List
Heated Seats Description and Operation
Heated Seat - LR
SEO 1, SEO 2, and AUX PWR Fuses
SEO 1, SEO 2, and AUX PWR Fuses
Heated Seat - LR
Park Lamp Control, INTPRK and PARK LPS Fuse
Park Lamp Control, INTPRK and PARK LPS Fuse
G306
G203 - 1 of 4
G203 - 1 of 4