GM Service Manual Online
For 1990-2009 cars only
Makes
🢒
Cadillac
🢒
2002
🢒
Escalade EXT
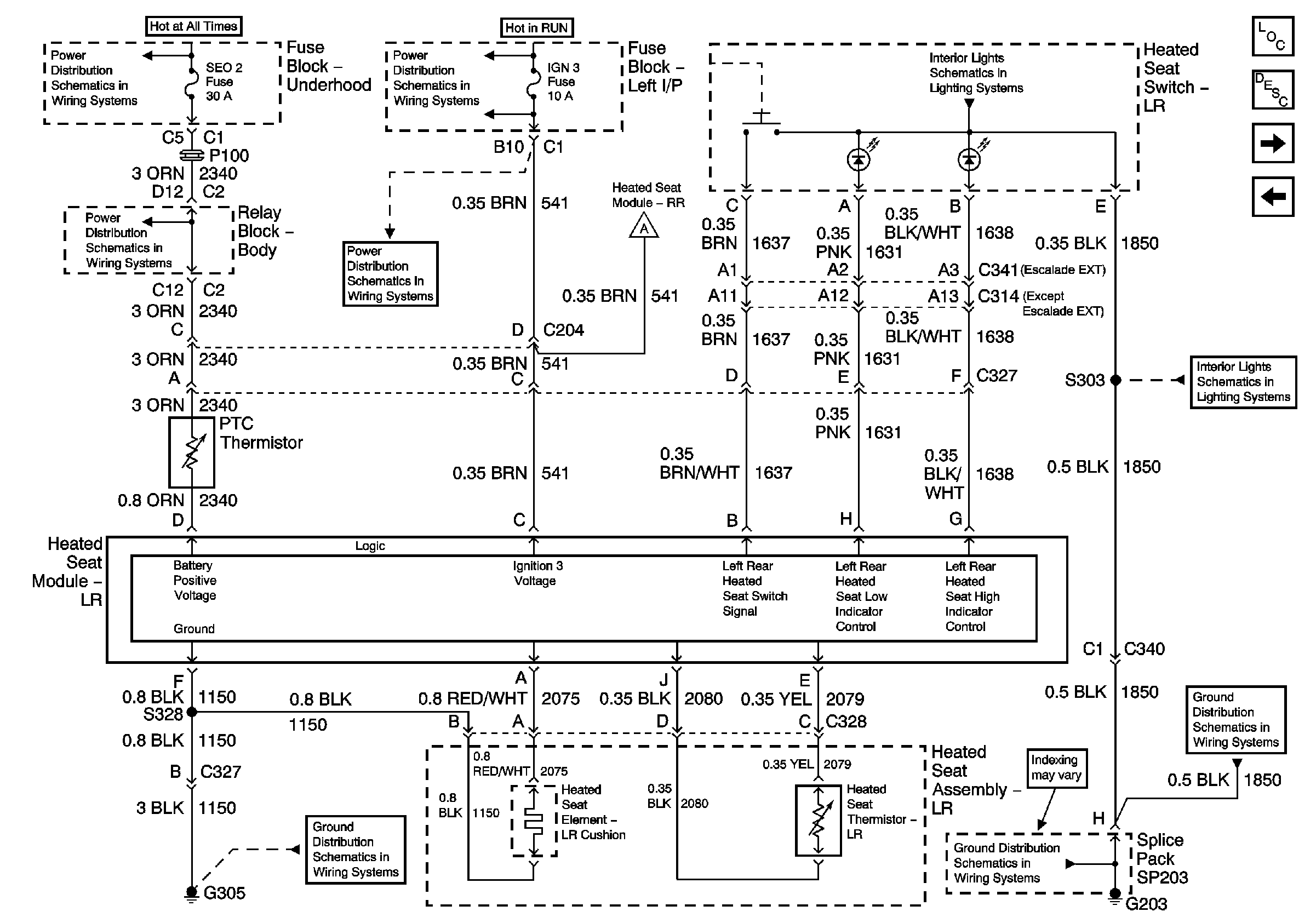
🢒 Heated Seat - LR
Heated Seat - LR
Heated Seat - LR
Master Electrical Component List
Heated Seats Description and Operation
Heated Seat - RR
Front Passenger
SEO 1, SEO 2, and AUX PWR Fuses
IGN 3 Fuse
SEO 1, SEO 2, and AUX PWR Fuses
IGN 3 Fuse
Heated Seat - RR
Park Lamp Control, INTPRK and PARK LPS Fuse
Park Lamp Control, INTPRK and PARK LPS Fuse
G305
G203 - 1 of 4
G203 - 1 of 4