GM Service Manual Online
For 1990-2009 cars only
Makes
🢒
Cadillac
🢒
2002
🢒
Escalade EXT
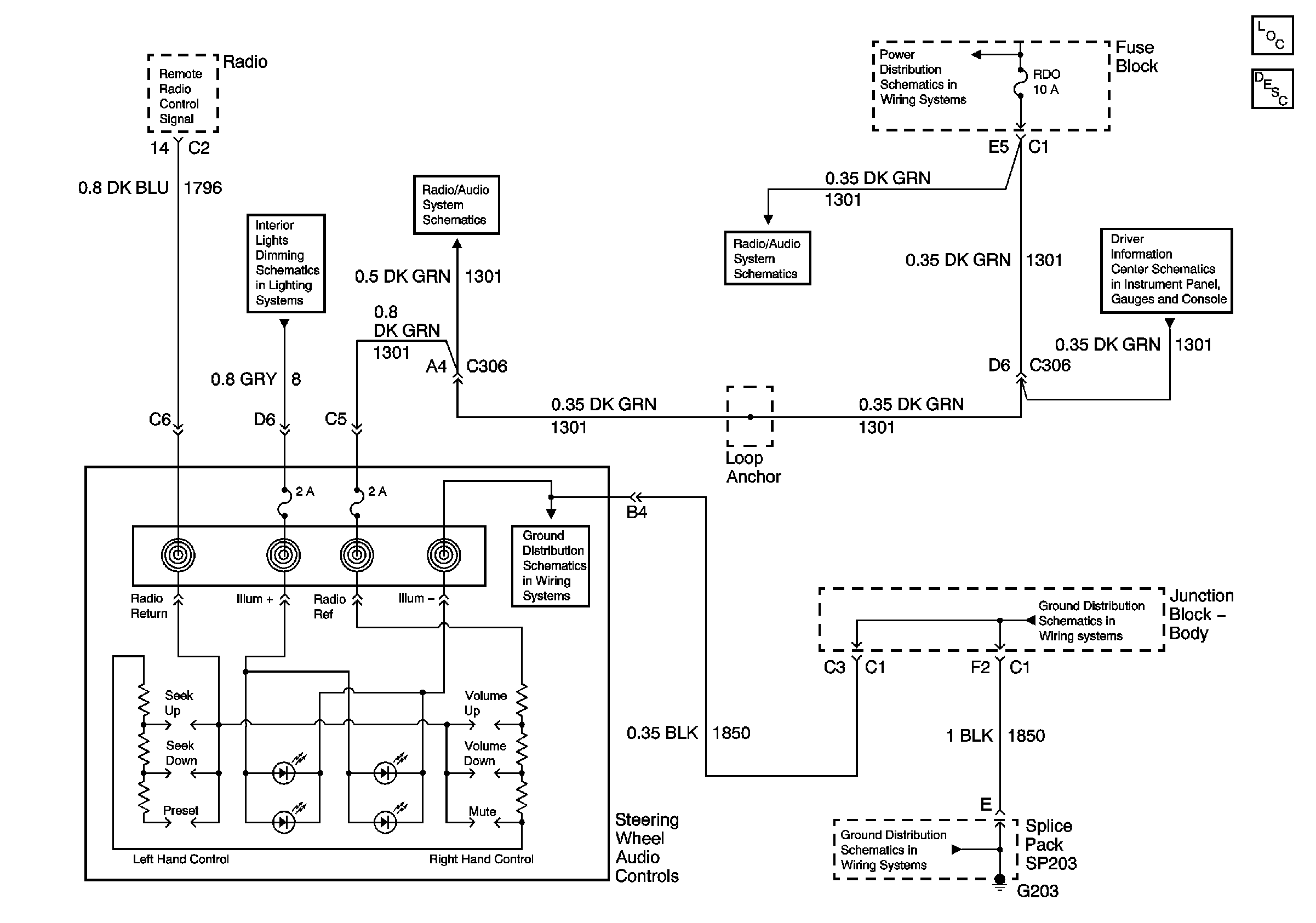
🢒 Steering Wheel Controls
Steering Wheel Controls
Steering Wheel Controls
Master Electrical Component List
Radio/Audio System Description and Operation
Radio, CD Player, and HVAC Control Module
PWR WDO Circuit Breakers, RDO I and RAP #2 Fuses
PWR WDO Circuit Breakers, RDO I and RAP #2 Fuses
PWR WDO Circuit Breakers, RDO I and RAP #2 Fuses
PWR WDO Circuit Breakers, RDO I and RAP #2 Fuses
G203 - 1 of 4
G203 - 3 of 4