GM Service Manual Online
For 1990-2009 cars only
Makes
🢒
Cadillac
🢒
2002
🢒
Escalade EXT
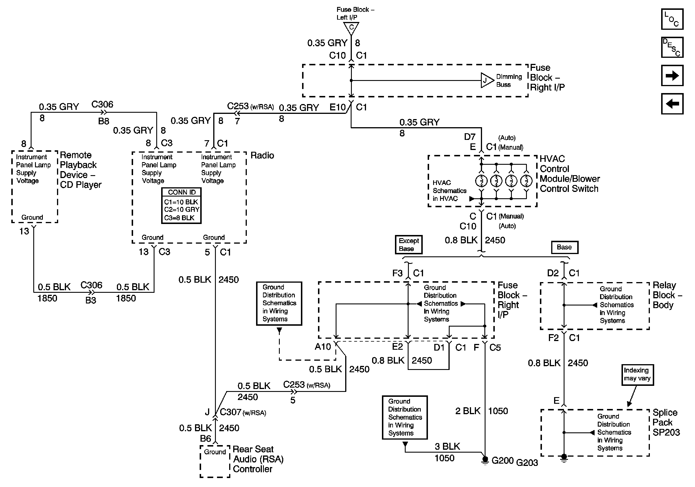
🢒 Radio, CD Player, and HVAC Control Module
Radio, CD Player, and HVAC Control Module
Radio, CD Player, and HVAC Control Module
Master Electrical Component List
Interior Lighting Systems Description and Operation
RPA and Vehicle Stability Switches
Roof Beacon Switch
LED Dimming Control, IPC, Cargo/Fog Lamp Switch and DIC
HVAC Auxiliary Control
Primary Blower Controls
G200 - 2 of 2
G200 - 1 of 2
G200 - 1 of 2
G203 - 3 of 4
G203 - 1 of 4