GM Service Manual Online
For 1990-2009 cars only
Makes
🢒
Cadillac
🢒
2002
🢒
Escalade EXT
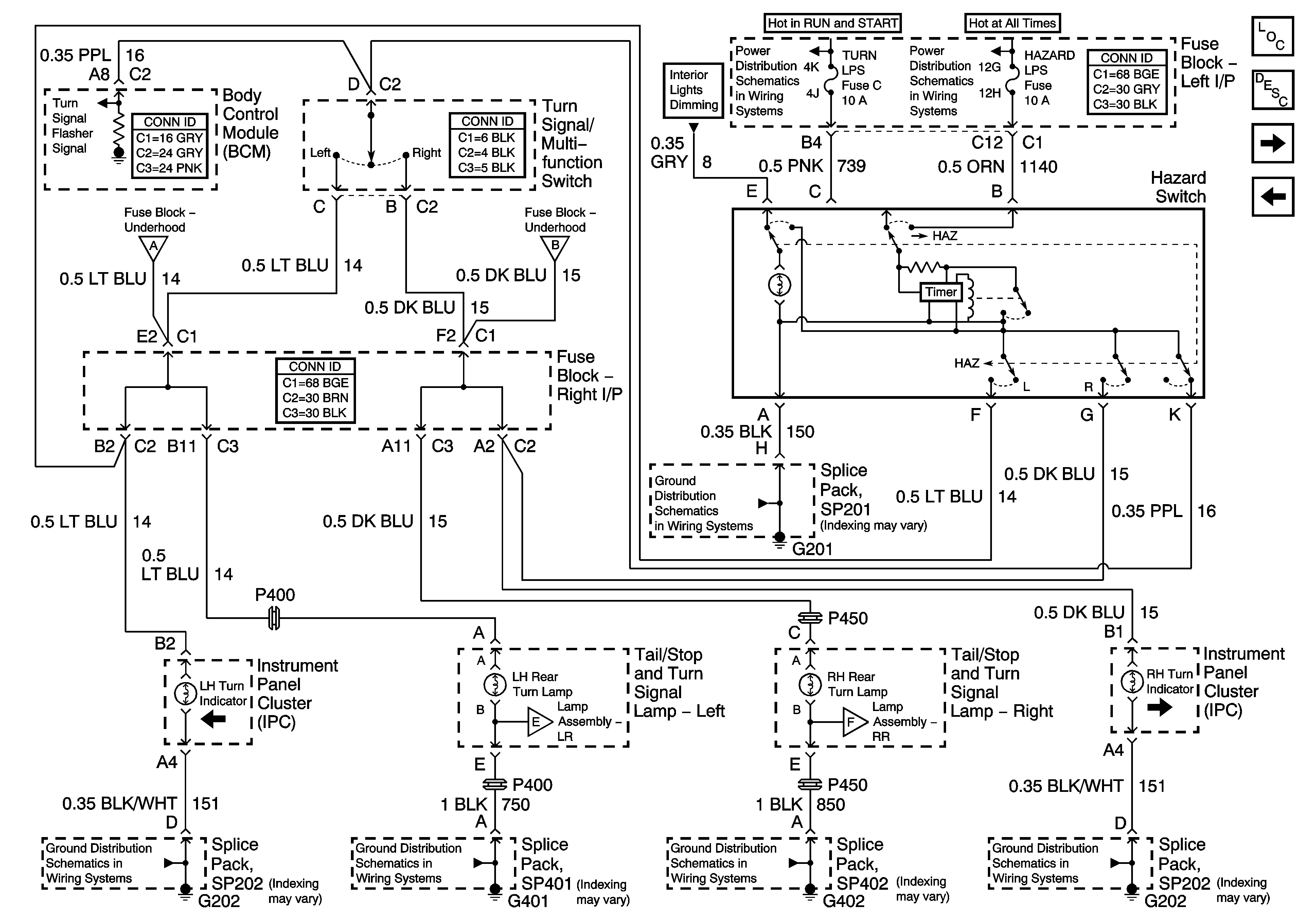
🢒 Turn Signal and Hazard Switch
Turn Signal and Hazard Switch
Turn Signal and Hazard Switch
Master Electrical Component List
Exterior Lighting Systems Description and Operation
Interior Accessories
Powers, Grounds, and Park Lamp Relay
LH BFC BATT 2, STOP LPS, HAZARD LPS, IPC/HVAC BATT, BFC BATT Fuses
IGN BATT 1, IGN SW BATT 2, Ignition Switch
Panel Dimming
SP201
Powers, Grounds, and Park Lamp Relay
Powers, Grounds, and Park Lamp Relay
SP202
SP401
SP402
SP202
Tail and Stoplights
Tail and Stoplights