GM Service Manual Online
For 1990-2009 cars only
Makes
🢒
Cadillac
🢒
2002
🢒
Escalade EXT
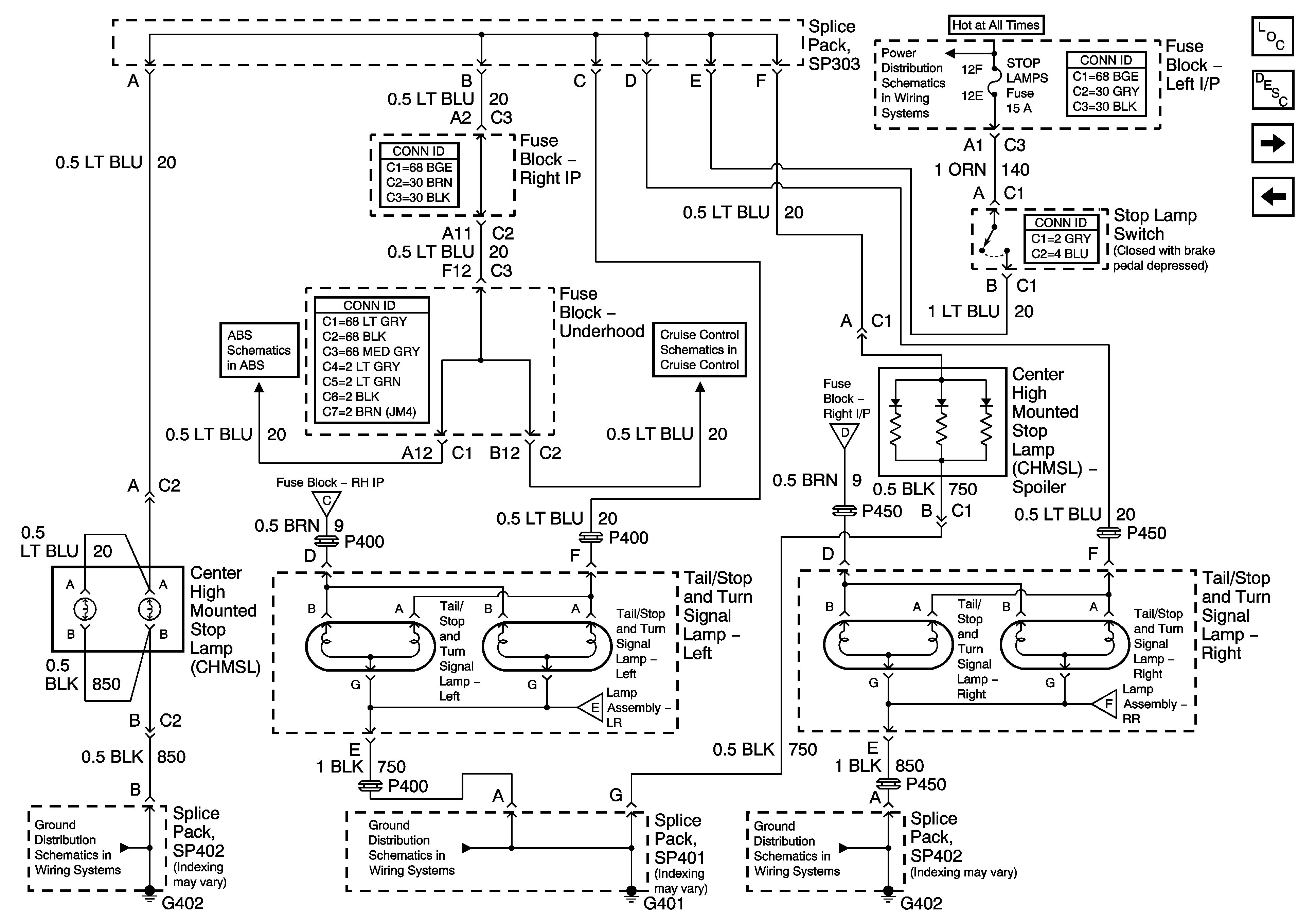
🢒 Tail and Stoplights
Tail and Stoplights
Tail and Stoplights
Master Electrical Component List
Exterior Lighting Systems Description and Operation
Backup Lights
Interior Accessories
LH BFC BATT 2, STOP LPS, HAZARD LPS, IPC/HVAC BATT, BFC BATT Fuses
Brake Switch and Inhibit Signals
EBCM, PWR, GND, and BPMV
Interior Accessories
Turn Signal and Hazard Switch
Turn Signal and Hazard Switch
Interior Accessories
SP402
SP401
SP402