GM Service Manual Online
For 1990-2009 cars only
Makes
🢒
Cadillac
🢒
2002
🢒
Escalade EXT
🢒 Instrument Panel and Rear Compartment Lamps
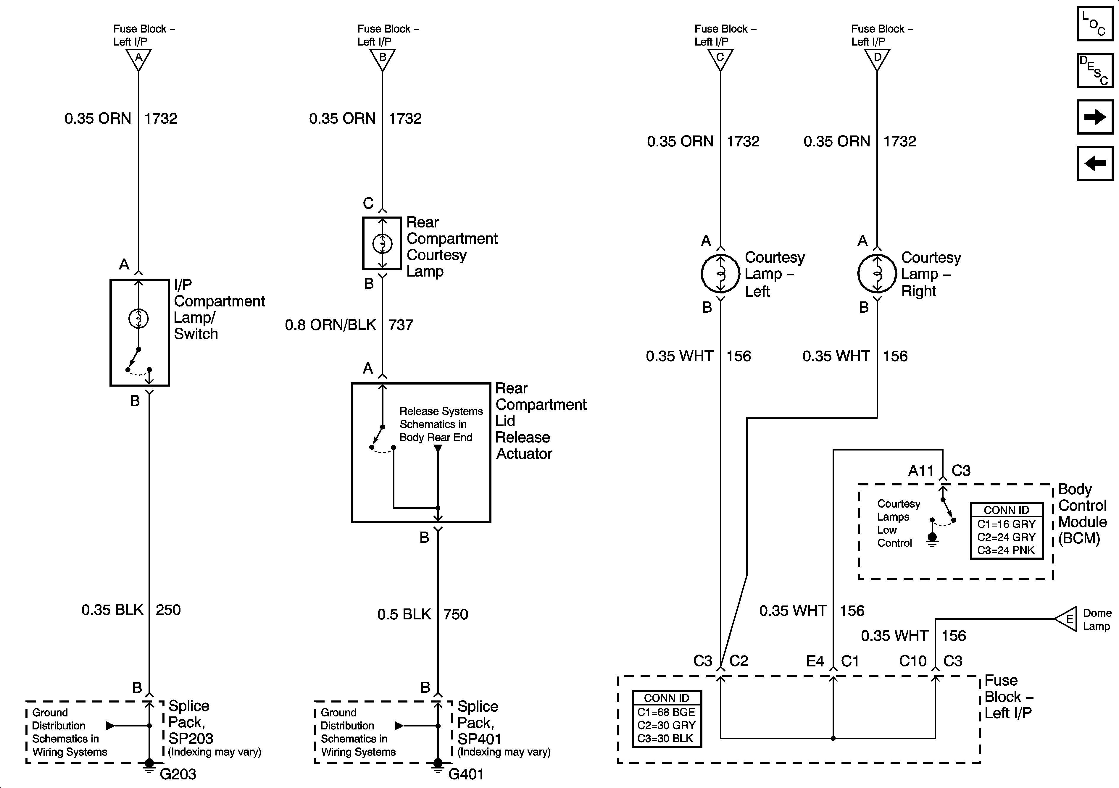
Instrument Panel and Rear Compartment Lamps
Instrument Panel and Rear Compartment Lamps
Master Electrical Component List
Interior Lighting Systems Description and Operation
Door Ajar Lamps
Powers and Dome Lamps
Powers and Dome Lamps
Powers and Dome Lamps
Powers and Dome Lamps
Powers and Dome Lamps
SP203
SP401
Powers and Dome Lamps
Trunk Release