GM Service Manual Online
For 1990-2009 cars only
Makes
🢒
Cadillac
🢒
2002
🢒
Escalade EXT
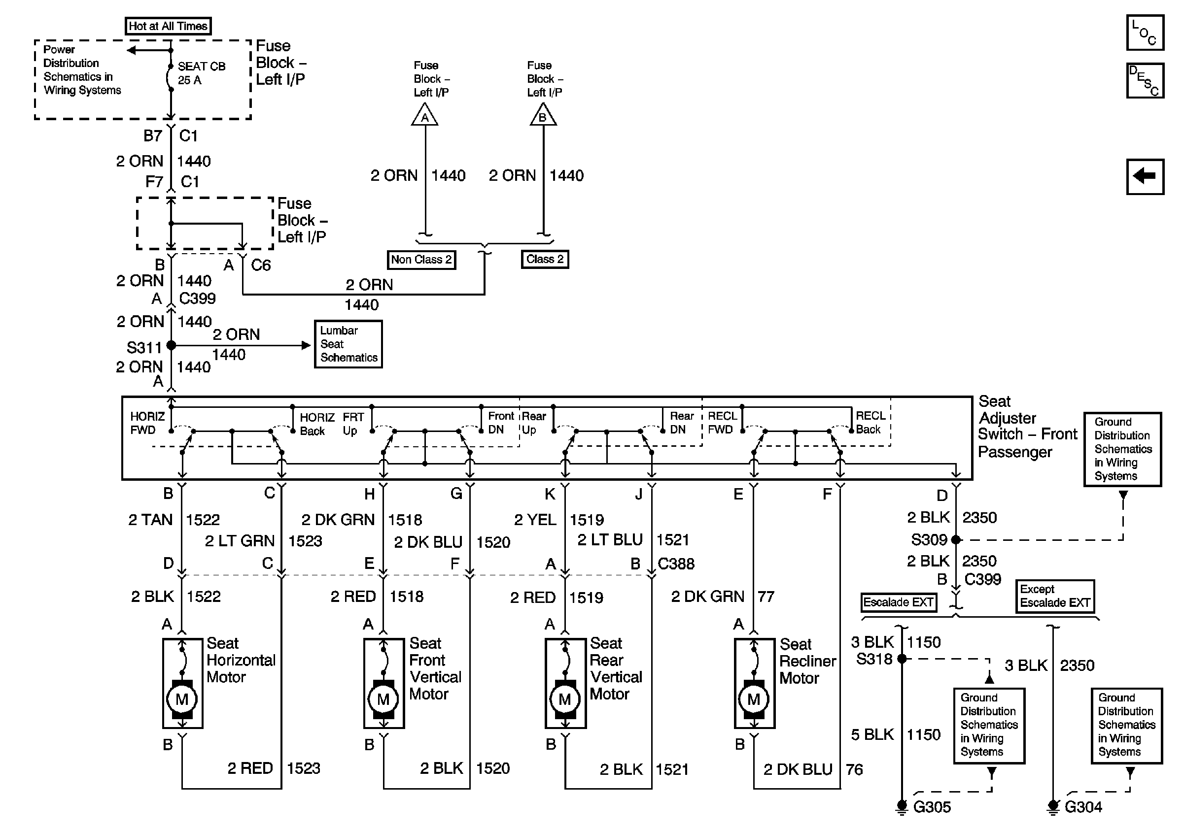
🢒 Front Passenger - Full Feature Seat
Front Passenger - Full Feature Seat
Front Passenger - Full Feature Seat
Master Electrical Component List
Memory Seats Description and Operation Escalade
Memory Seat Module, Seat Rear Vertical Motor, Seat Horizontal Motor
SEATS Circuit Breaker and MIR/LOCK Fuse
Memory Seat Control - Non Class 2
Memory Seat Control - Class 2
2002 Lumbar Support
G304
G305
G304