GM Service Manual Online
For 1990-2009 cars only
Makes
🢒
Cadillac
🢒
2002
🢒
Escalade EXT
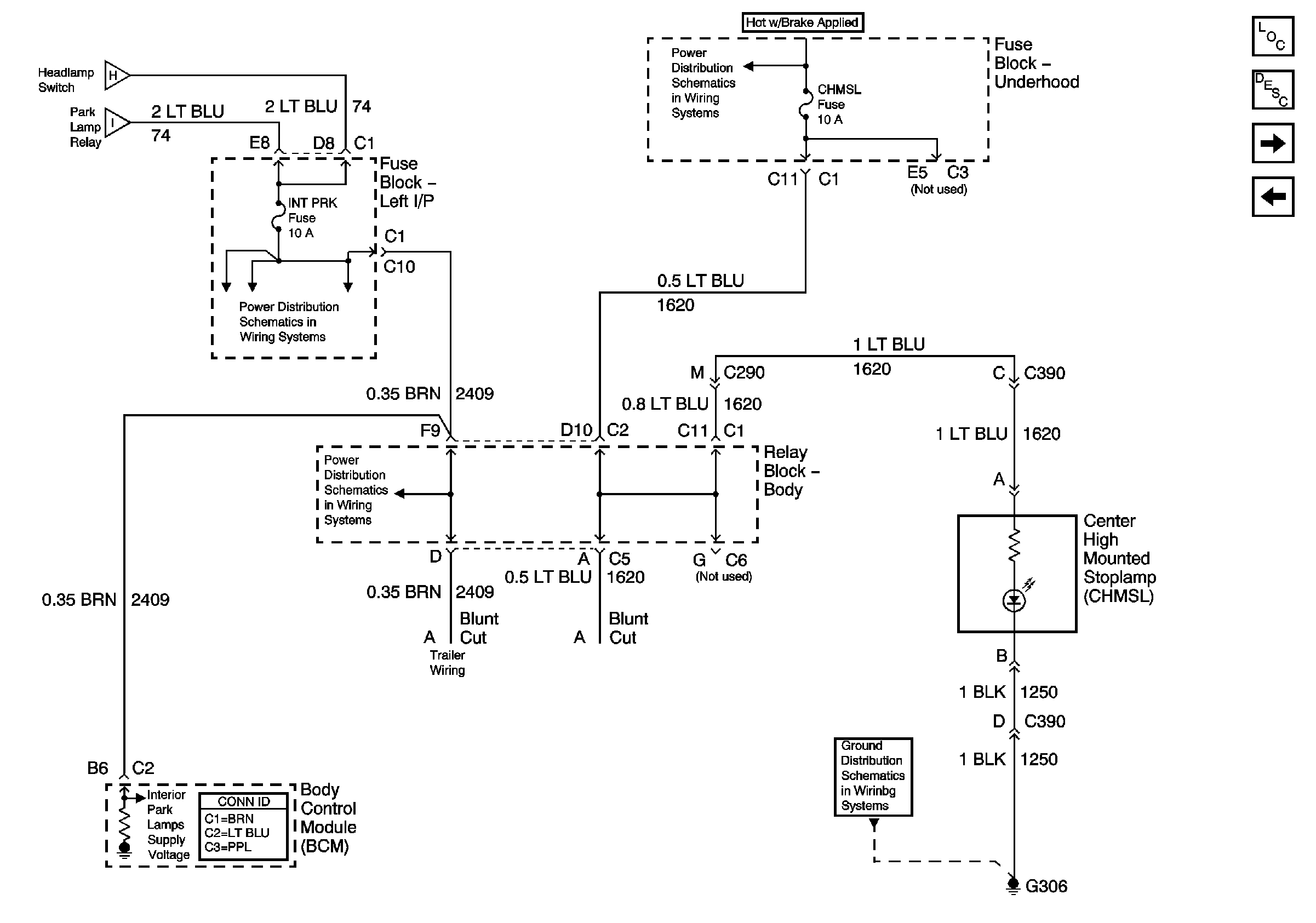
🢒 Park Lamp Supply and CHMSL
Park Lamp Supply and CHMSL
Park Lamp Supply and CHMSL
Master Electrical Component List
Exterior Lighting Systems Description and Operation
Rear Lamps
Park Lamp Control
Park Lamp Control
Park Lamp Control
INT PRK Fuse - 1 of 2
INT PRK Fuse - 2 of 2
TRL L TRN, TRL R TURN, VEH STOP - 1 of 2, and CHMSL Fuses
G306