GM Service Manual Online
For 1990-2009 cars only
Makes
🢒
Cadillac
🢒
2002
🢒
Escalade EXT
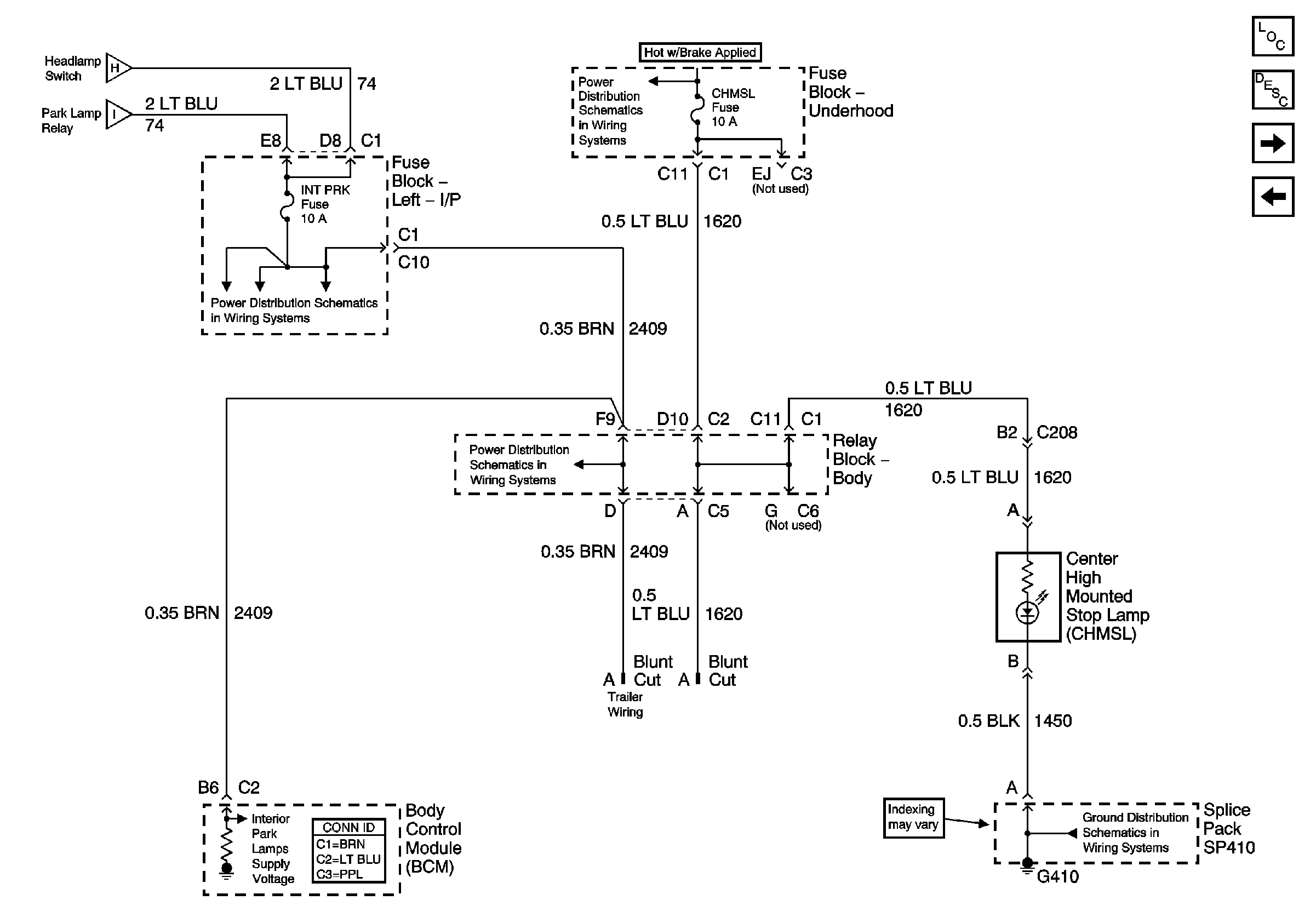
🢒 Park Lamp Supply and CHMSL
Park Lamp Supply and CHMSL
Park Lamp Supply and CHMSL
Master Electrical Component List
Exterior Lighting Systems Description and Operation
Rear Lamps - Left
Park Lamp Control
Park Lamp Control
Park Lamp Control
TRL L TRN, TRL R TURN, VEH STOP - 1 of 2, and CHMSL Fuses
INT PRK Fuse - 1 of 2
INT PRK Fuse - 2 of 2
G410 - 1 of 2