GM Service Manual Online
For 1990-2009 cars only
Makes
🢒
Cadillac
🢒
2002
🢒
Escalade EXT
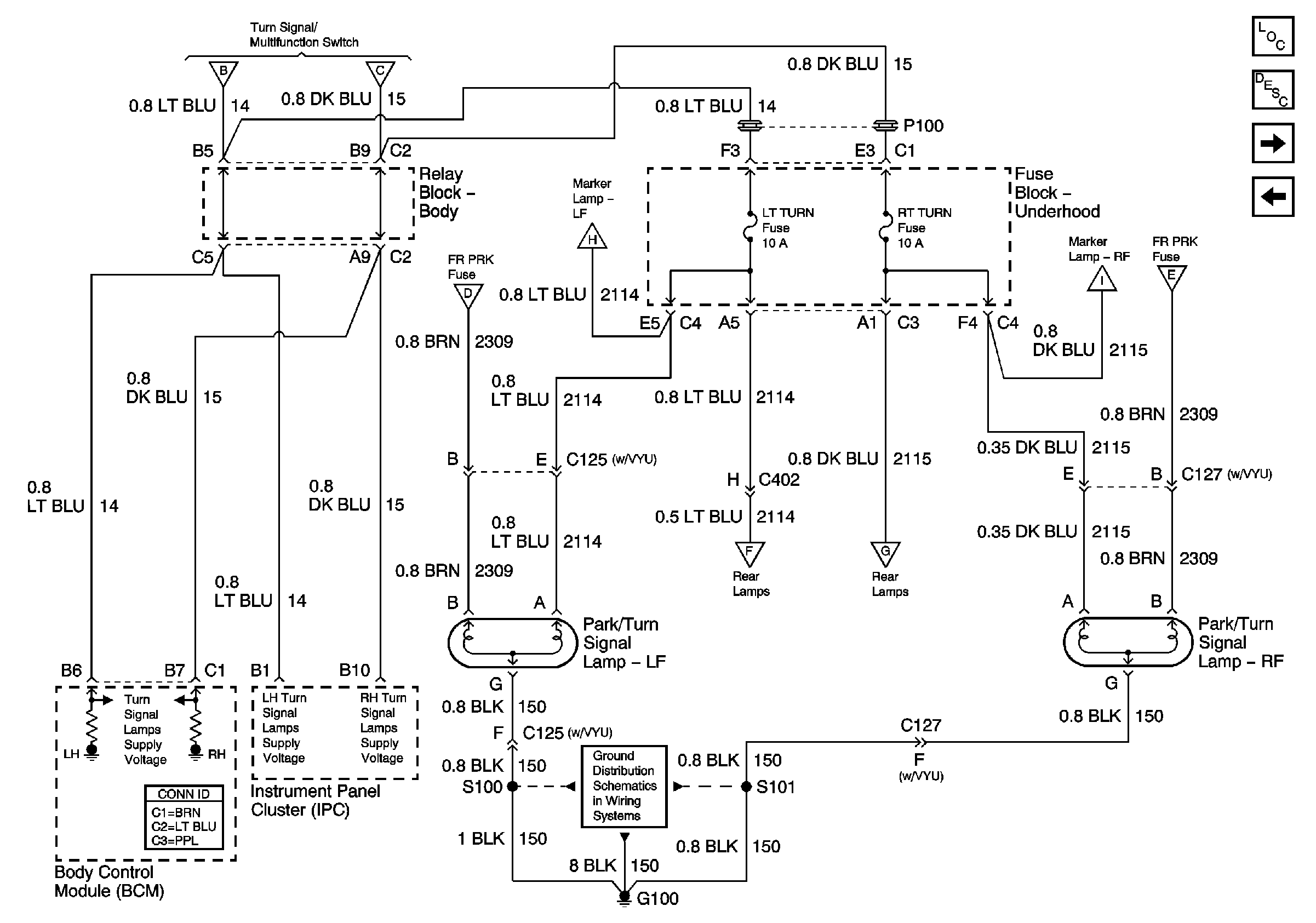
🢒 Park/Turn Signal Lamps
Park/Turn Signal Lamps
Park/Turn Signal Lamps
Master Electrical Component List
Exterior Lighting Systems Description and Operation
Park Lamp Control
Hazard Flasher, Turn Signal, and Stop Lamp Control
Hazard Flasher, Turn Signal, and Stop Lamp Control
Hazard Flasher, Turn Signal, and Stop Lamp Control
Park Lamp Control
Park Lamp Control
Park Lamp Control
Park Lamp Control
Rear Lamps
Rear Lamps
G100 and G110