GM Service Manual Online
For 1990-2009 cars only
Makes
🢒
Cadillac
🢒
2002
🢒
Escalade EXT
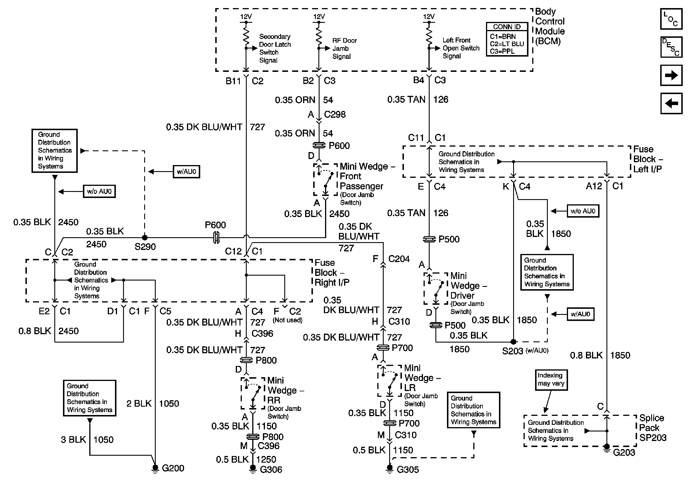
🢒 Door Jamb Switches, Power Door Lock Switch-Front Passenger
Door Jamb Switches, Power Door Lock Switch-Front Passenger
Door Jamb Switches - Base
Master Electrical Component List
Interior Lighting Systems Description and Operation
Cargo Lamps and Door Jamb Switch - LF - Uplevel
Interior Parklamp Supply - 3 of 3
G200 - 2 of 2
G200 - 1 of 2
G200 - 1 of 2
G203 - 2 of 4
G203 - 2 of 4
G305
G203 - 1 of 4