GM Service Manual Online
For 1990-2009 cars only
Figure 1:

Power, Ground, Serial Data, and Front Impact Sensors


Object Number: 1242600  Size: FS
Master Electrical Component List
SIR System Description and Operation
Driver and Passenger Airbags
Ignition Switch - ACC/RUN/START, ACC/RUN, and RUN/START Bus Bars
LH HID, RH HID, PCM B, CRANK, HORN, SIR Fuses
LH HID, RH HID, PCM B, CRANK, HORN, SIR Fuses
G304, G305
SP205 - 1 of 2
SP206
SIR Schematic Icons
SIR Schematic Icons
SIR Schematic Icons
SIR Schematic Icons
SIR Schematic Icons
SIR Schematic Icons
Figure 2:

Driver and Passenger Air Bags


Object Number: 1242601  Size: FS
Master Electrical Component List
SIR System Description and Operation
Side Impact Sensors and Airbags
Power, Ground, Serial Data, and Front Impact Sensors
SIR Schematic Icons
SIR Schematic Icons
SIR Schematic Icons
SIR Schematic Icons
SIR Schematic Icons
SIR Schematic Icons
SIR Schematic Icons
SIR Schematic Icons
SIR Schematic Icons
Figure 3:

Side Impact Sensors and Air Bags


Object Number: 1242602  Size: FS
Master Electrical Component List
SIR System Description and Operation
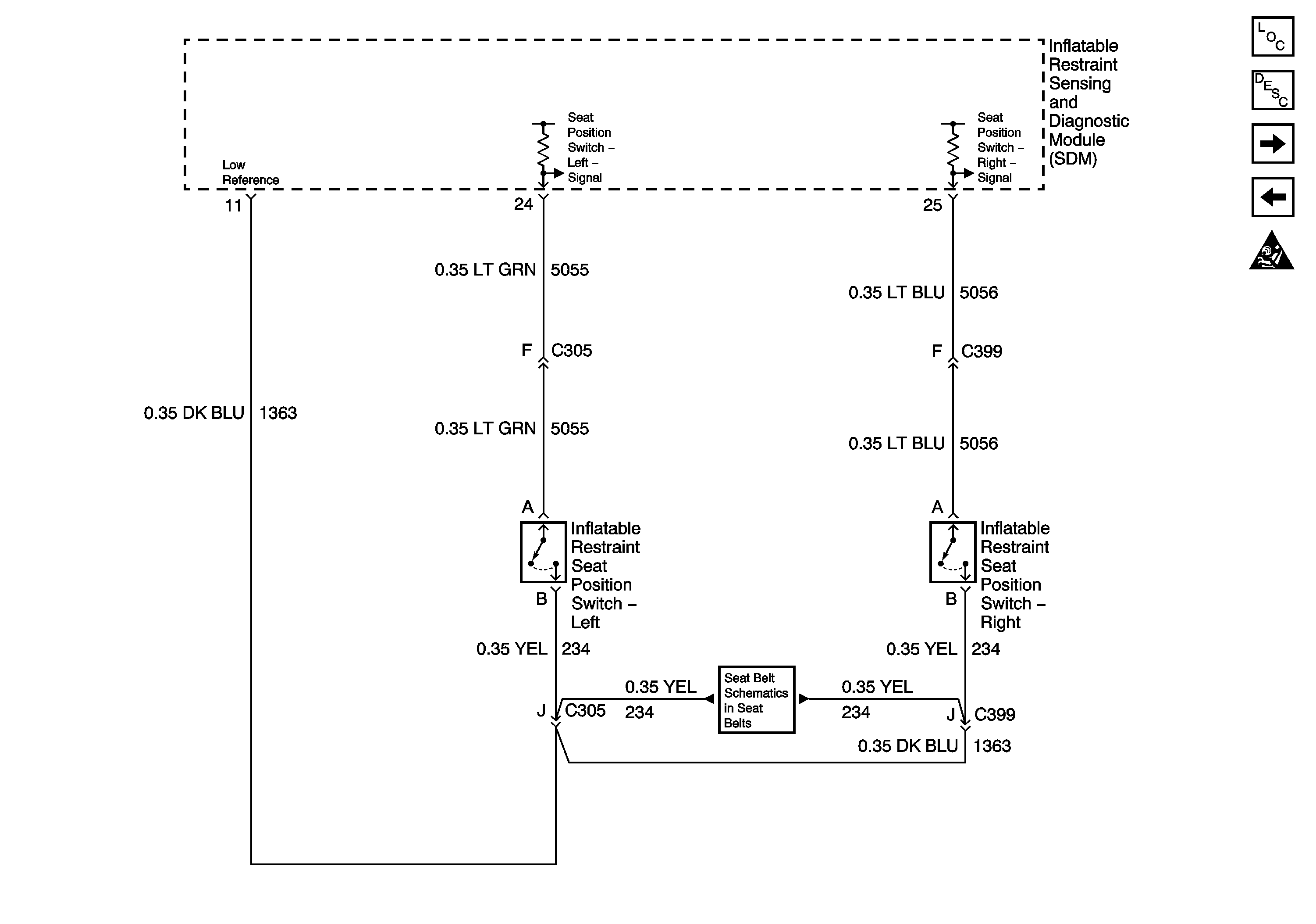
Seat Position Switches
Driver and Passenger Airbags
SIR Schematic Icons
SIR Schematic Icons
SIR Schematic Icons
SIR Schematic Icons
SIR Schematic Icons
SIR Schematic Icons
SIR Schematic Icons
Figure 4:

Seat Position Switches


Object Number: 1242605  Size: FS
Master Electrical Component List
SIR System Description and Operation
Passenger Presence Schematics - 1 of 2
Side Impact Sensors and Airbags
SIR Schematic Icons
Seat Belt Schematics
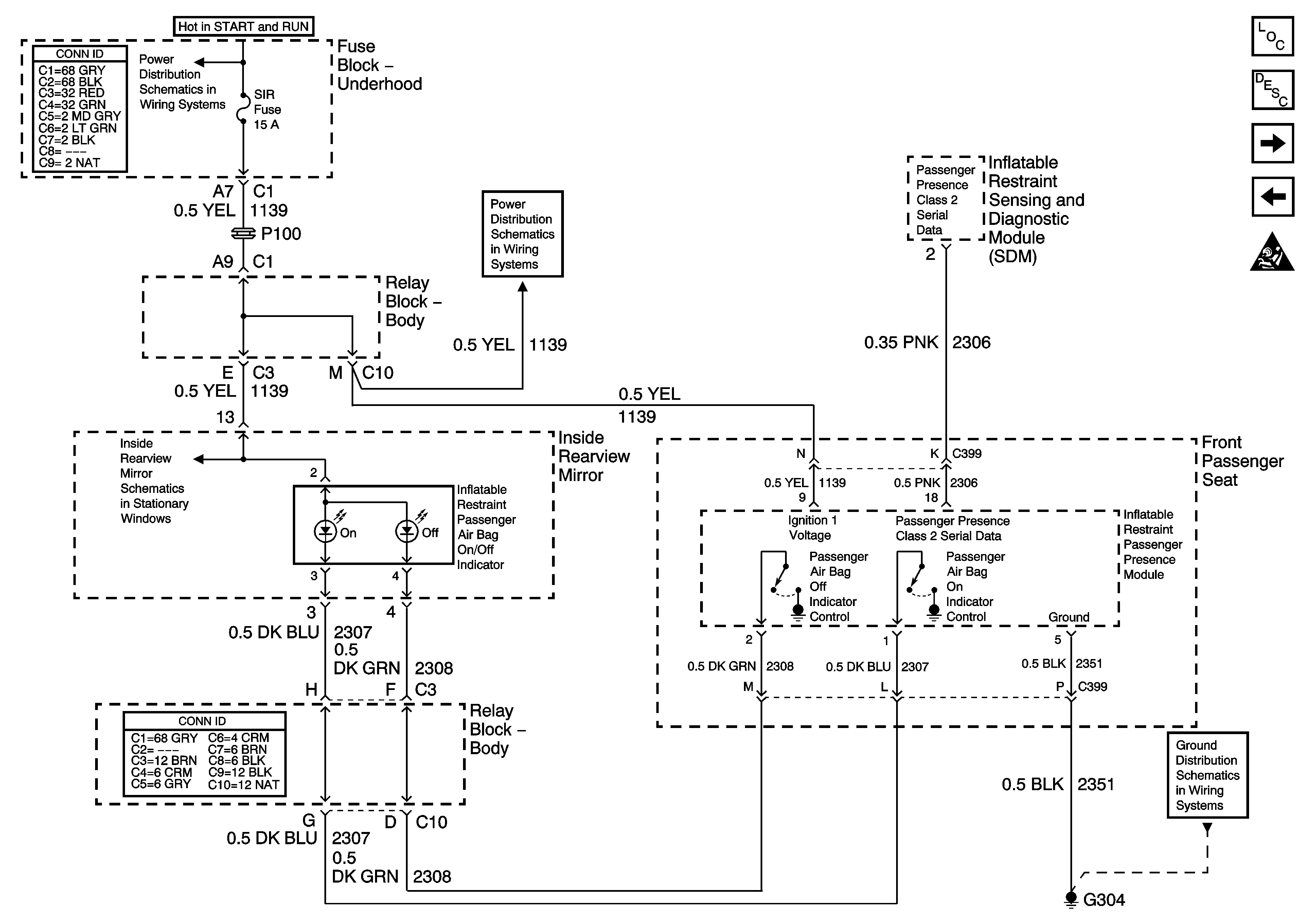
Figure 5:

Passenger Presence Schematics - 1 of 2


Object Number: 1242608  Size: FS
Master Electrical Component List
SIR System Description and Operation
Passenger Presence Schematics - 2 of 2
Seat Position Switches
Ignition Switch - ACC/RUN/START, ACC/RUN, and RUN/START Bus Bars
LH HID, RH HID, PCM B, CRANK, HORN, SIR Fuses
Power, Outside Air Temp, and Light Sensors
G304, G305
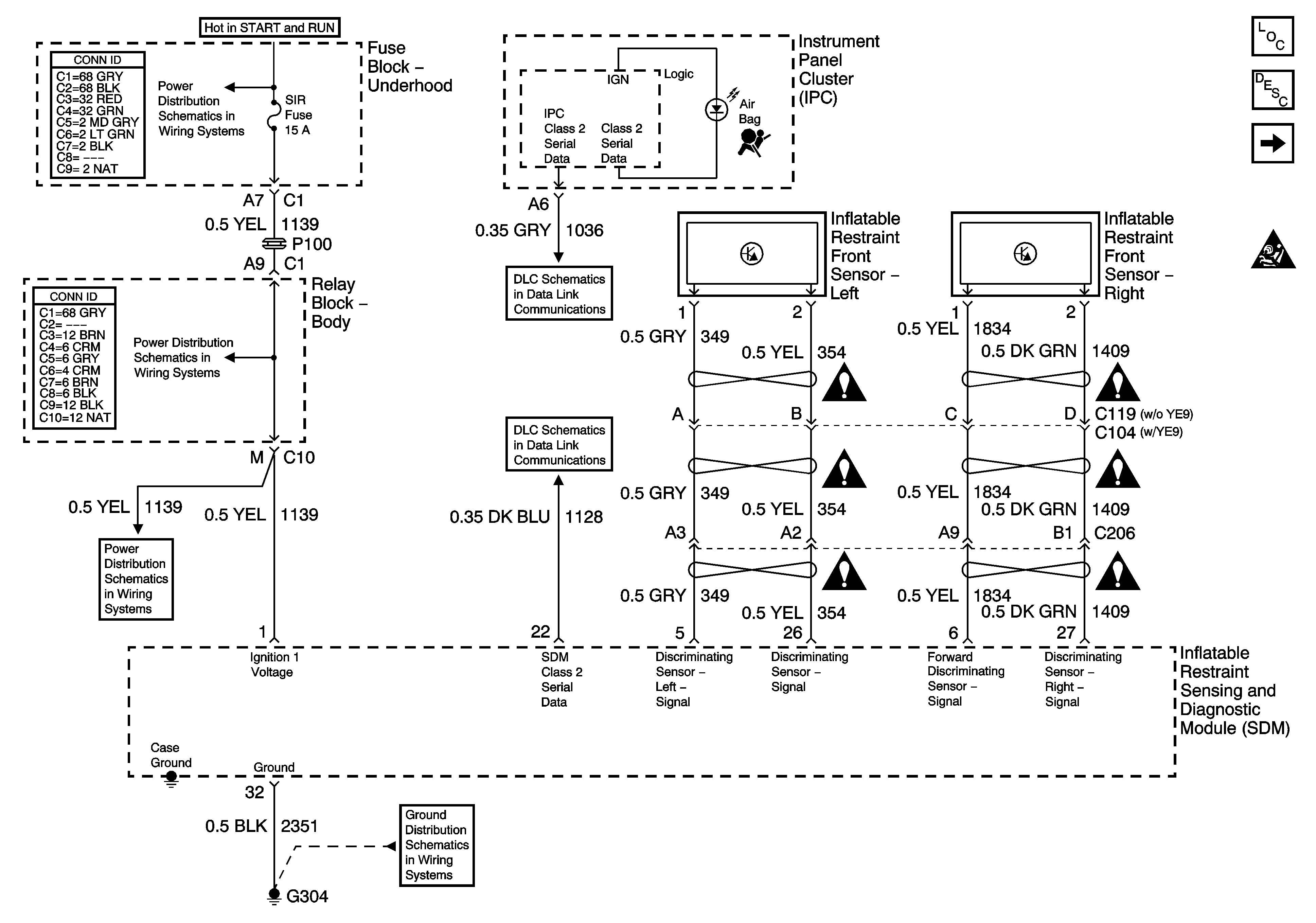
Figure 6:

Passenger Presence Schematics - 2 of 2


Object Number: 1242611  Size: FS
Master Electrical Component List
SIR System Description and Operation
Passenger Presence Schematics - 1 of 2
SIR Schematic Icons