GM Service Manual Online
For 1990-2009 cars only
Makes
🢒
Cadillac
🢒
2004
🢒
Escalade EXT
🢒 BCM Signals - Domestic
BCM Signals - Domestic
BCM Signals - Domestic
Master Electrical Component List
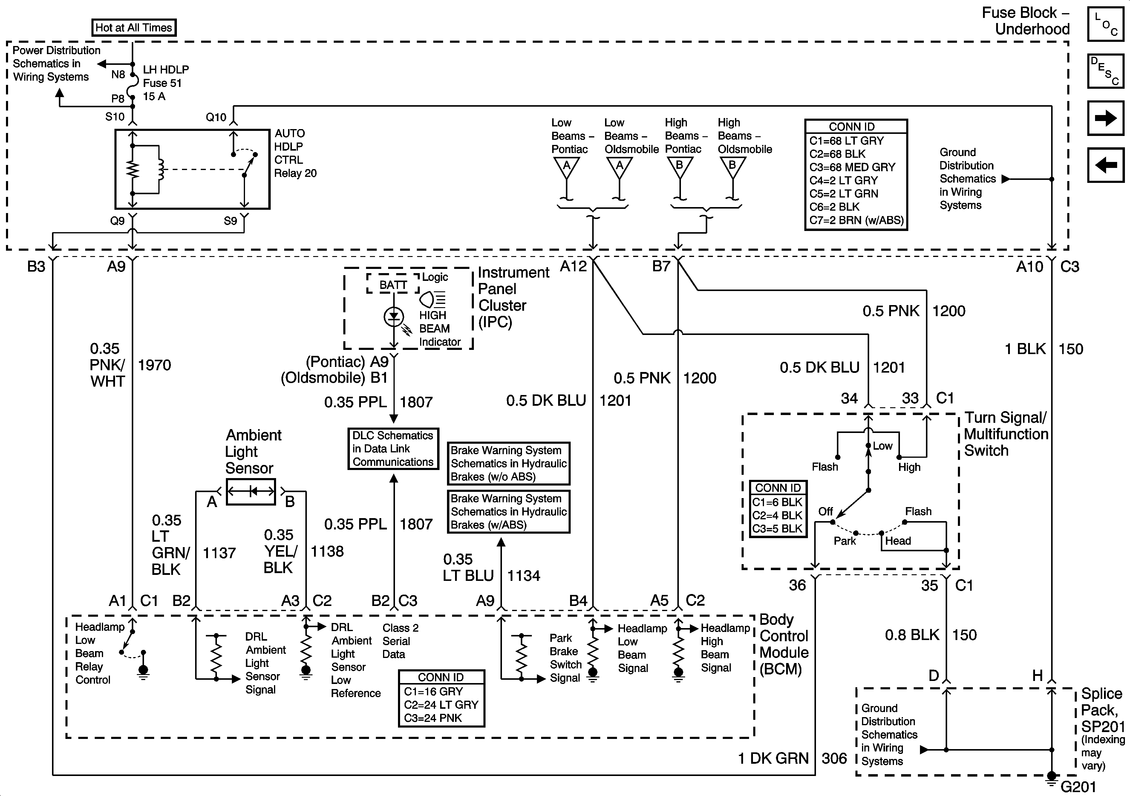
Exterior Lighting Systems Description and Operation
Headlamps-Export
Headlamps-Oldsmobile-Domestic
RH HDLP, LH HDLP, GEN BATT, LH BEC BATT2, STOP LPS, HAZARD LPS, IPC/HVAC BATT, BFC BATT Fuses
Headlamps - Pontiac - Domestic
Headlamps-Oldsmobile-Domestic
Headlamps - Pontiac - Domestic
Headlamps-Oldsmobile-Domestic
G101
Data Link Connector (DLC) Schematics
w/o ABS
w/ABS
G101