GM Service Manual Online
For 1990-2009 cars only
Makes
🢒
Cadillac
🢒
2004
🢒
Escalade EXT
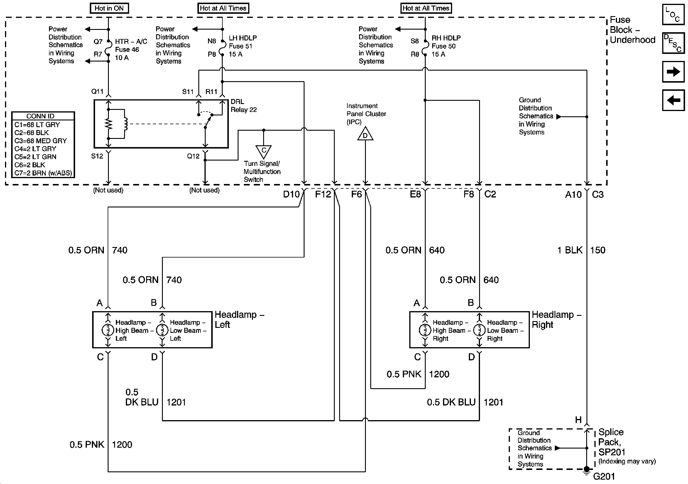
🢒 Headlamps-Export
Headlamps-Export
Headlamps -- Export
Master Electrical Component List
Exterior Lighting Systems Description and Operation
BCM Signals
BCM Signals - Domestic
IGN SW-BATT1, HTR A/C, ERLS and CRANK Fuses
RH HDLP, LH HDLP, GEN BATT, LH BEC BATT2, STOP LPS, HAZARD LPS, IPC/HVAC BATT, BFC BATT Fuses
RH HDLP, LH HDLP, GEN BATT, LH BEC BATT2, STOP LPS, HAZARD LPS, IPC/HVAC BATT, BFC BATT Fuses
BCM Signals
G101
G101
G101