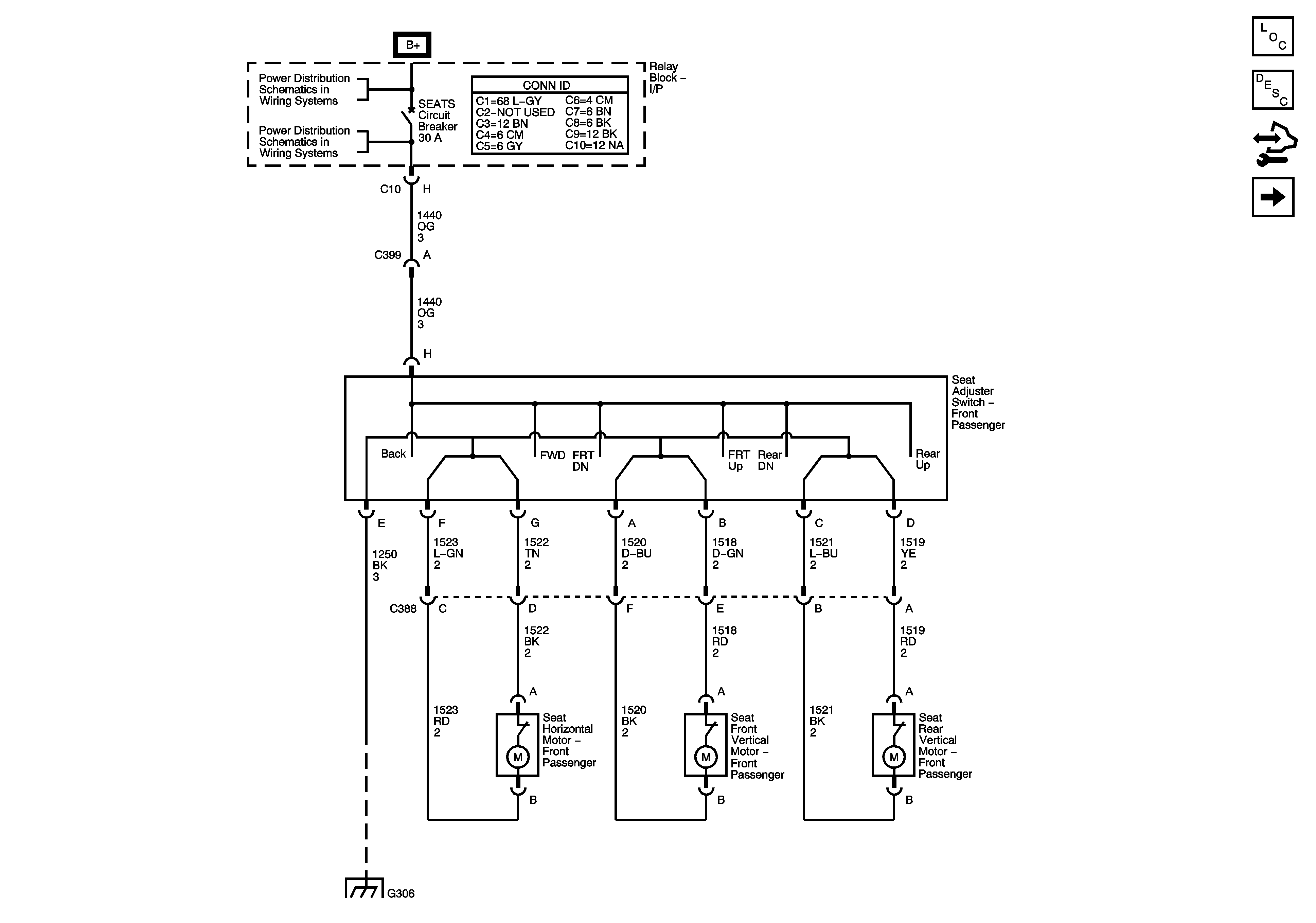
GM Service Manual Online
For 1990-2009 cars only
Figure 1:

Front Passenger Seat Controls (AG2)


Object Number: 1464520  Size: FS
Master Electrical Component List
Power Seats System Description and Operation
Control Module References
Front Passenger Seat Controls (AN3)
ABS, MBEC 1, RTD, STUD 2, and VSES/ECAS Fuses; RT DOORS and SEATS Circuit Breakers
ABS, MBEC 1, RTD, STUD 2, and VSES/ECAS Fuses; RT DOORS and SEATS Circuit Breakers
G306
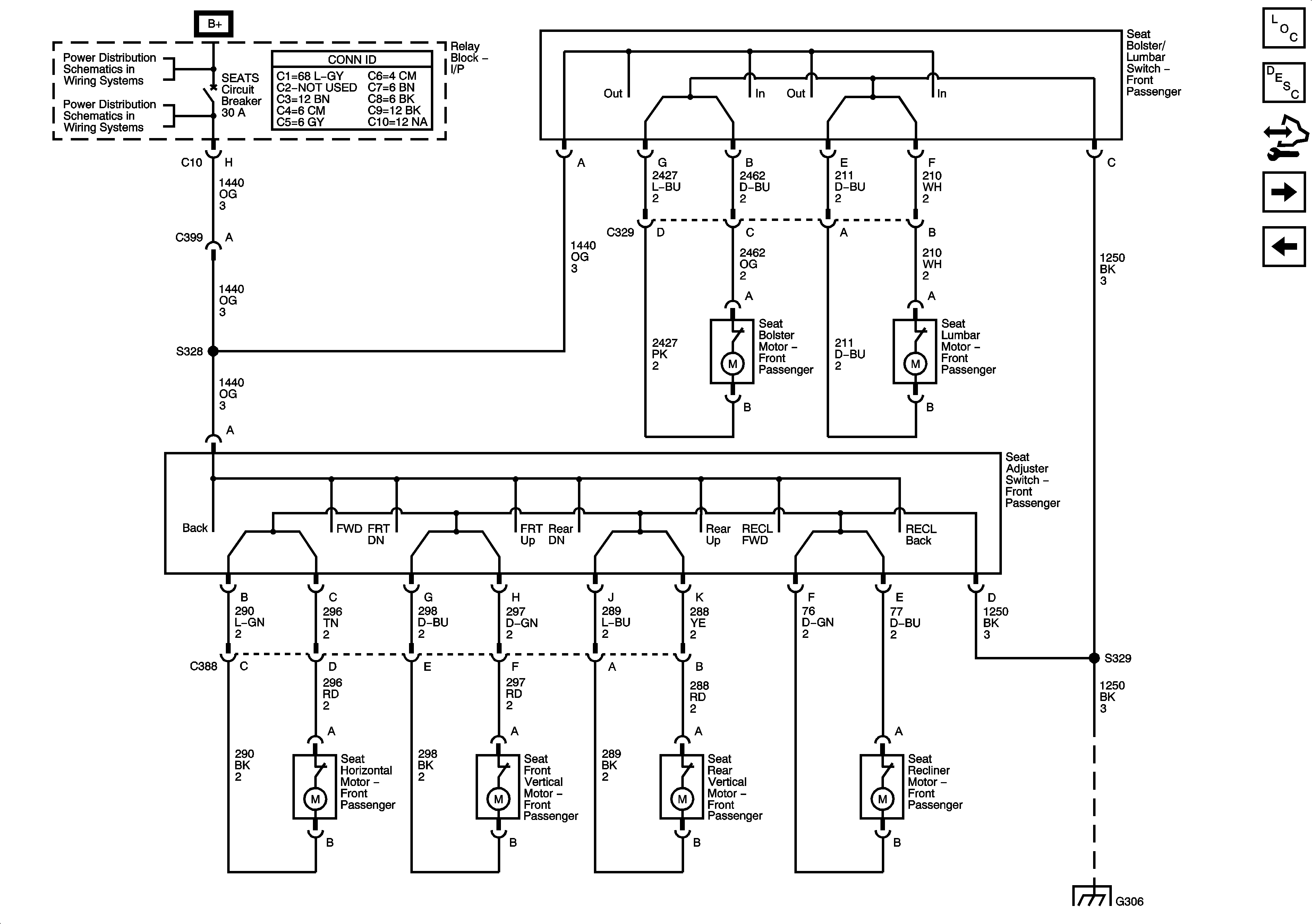
Figure 2:

Front Passenger Seat Controls (AN3)


Object Number: 1464522  Size: FS
Master Electrical Component List
Lumbar Support Description and Operation
Control Module References
Heated Seat Controls - Front Passenger
Front Passenger Seat Controls (AG2)
ABS, MBEC 1, RTD, STUD 2, and VSES/ECAS Fuses; RT DOORS and SEATS Circuit Breakers
ABS, MBEC 1, RTD, STUD 2, and VSES/ECAS Fuses; RT DOORS and SEATS Circuit Breakers
G306
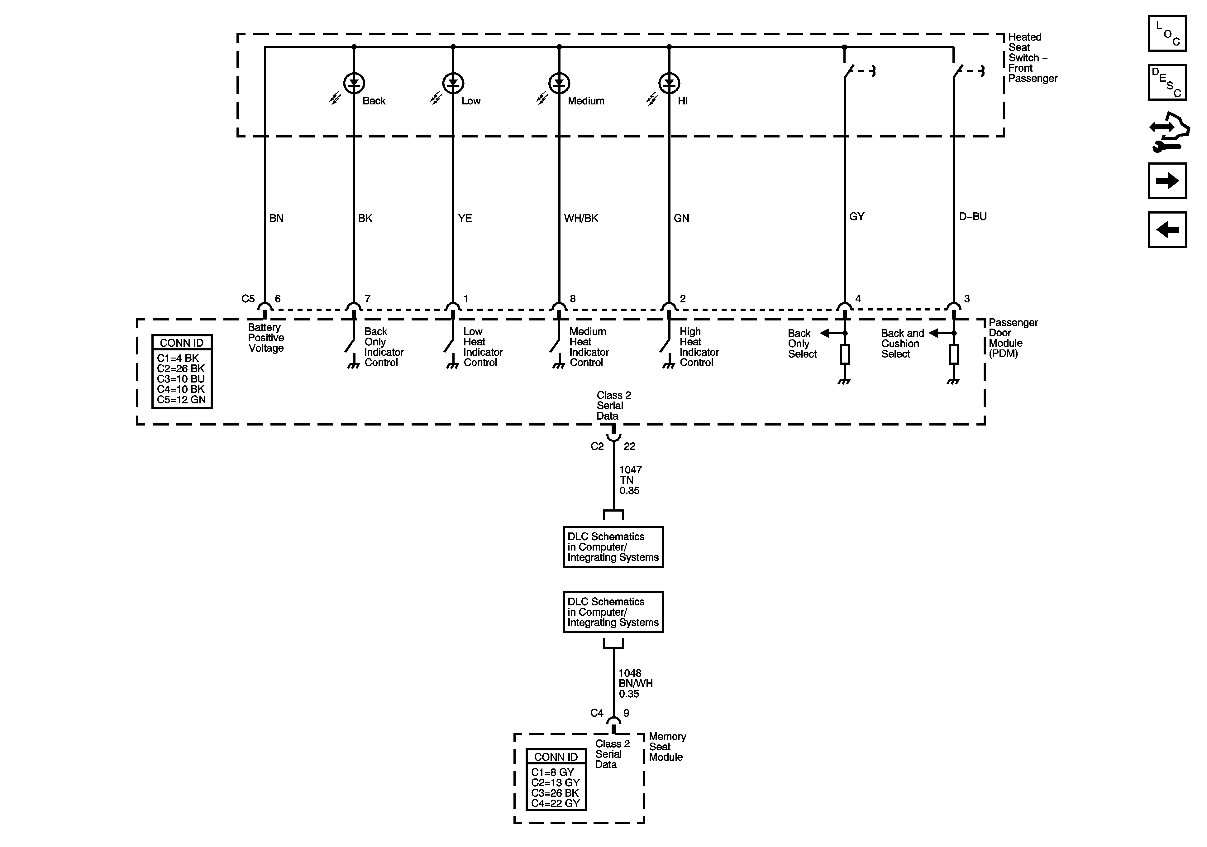
Figure 3:

Heated Seat Controls - Front Passenger - Except ULT


Object Number: 1464556  Size: FS
Master Electrical Component List
Heated Seats Description and Operation (Front)
Control Module References
Front Passenger Heated Seat Elements
Front Passenger Seat Controls (AN3)
Power, Ground, DLC, and Splice Pack SP205
Splice Pack SP206
Figure 4:

Front Passenger Heated Seat Elements - Except ULT


Object Number: 1464560  Size: FS
Master Electrical Component List
Heated Seats Description and Operation (Front)
Control Module References
Heat Controls (AN3 w/ULT) - 1 of 4
Heated Seat Controls - Front Passenger
Seat Position Sensors - 2 of 2
Heated Seat Controls - Driver
Memory Seat Module
Figure 5:

Heat Controls (AN3 w/ULT) 1 of 4


Object Number: 1469296  Size: FS
Master Electrical Component List
Heated/Cooled Seats Description and Operation
Control Module References
Heat Controls (AN3 w/ULT) - 2 of 4
Front Passenger Heated Seat Elements
IGN 3 Fuse (ULT) - 2 of 2
IGN 3 Fuse - 1 of 2
Ignition Switch - ACCY/RUN/START, RUN, and START Busses, IGN A and CRANK Fuses
B+ Bus - 2 of 2
G306
G306
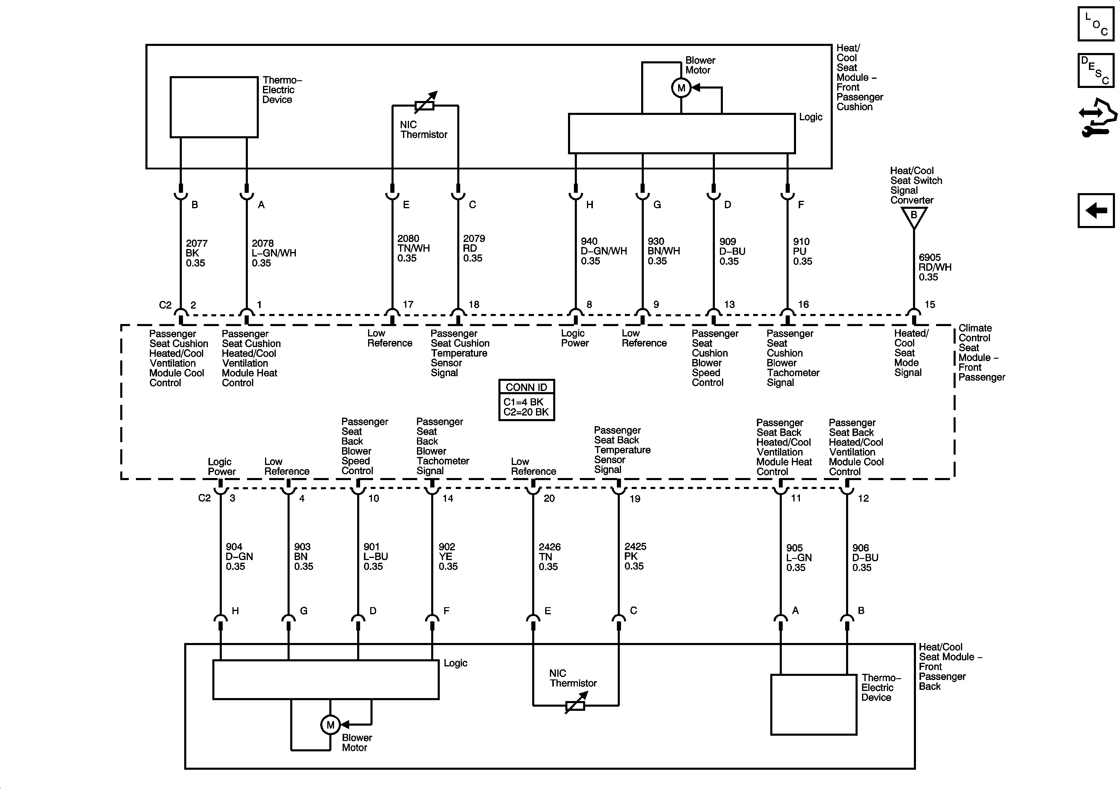
Figure 6:

Heat Controls (AN3 w/ULT) 2 of 4


Object Number: 1464563  Size: FS
Master Electrical Component List
Heated/Cooled Seats Description and Operation
Control Module References
Heat Controls (AN3 w/ULT) - 3 of 4
Heat Controls (AN3 w/ULT) - 1 of 4
IGN 3 Fuse (ULT) - 2 of 2
IGN 3 Fuse - 1 of 2
Ignition Switch - ACCY/RUN/START, RUN, and START Busses, IGN A and CRANK Fuses
IGN 3 Fuse (ULT) - 2 of 2
G200 - 2 of 3
G200 - 2 of 3
Figure 7:

Heat Controls (AN3 w/ULT) 3 of 4


Object Number: 1464565  Size: FS
Master Electrical Component List
Heated/Cooled Seats Description and Operation
Control Module References
Heat Controls (AN3 w/ULT) - 4 of 4
Heat Controls (AN3 w/ULT) - 2 of 4
Heat Controls (AN3 w/ULT) - 4 of 4
Figure 8:

Heat Controls (AN3 w/ULT) 4 of 4


Object Number: 1464567  Size: FS
Master Electrical Component List
Heated/Cooled Seats Description and Operation
Control Module References
Heat Controls (AN3 w/ULT) - 3 of 4
Heat Controls (AN3 w/ULT) - 3 of 4