GM Service Manual Online
For 1990-2009 cars only
Makes
🢒
Cadillac
🢒
2005
🢒
Escalade EXT
🢒 Engine Data Sensors - Electronic Throttle Control
Engine Data Sensors - Electronic Throttle Control
Engine Data Sensors - Electronic Throttle Controls
Master Electrical Component List
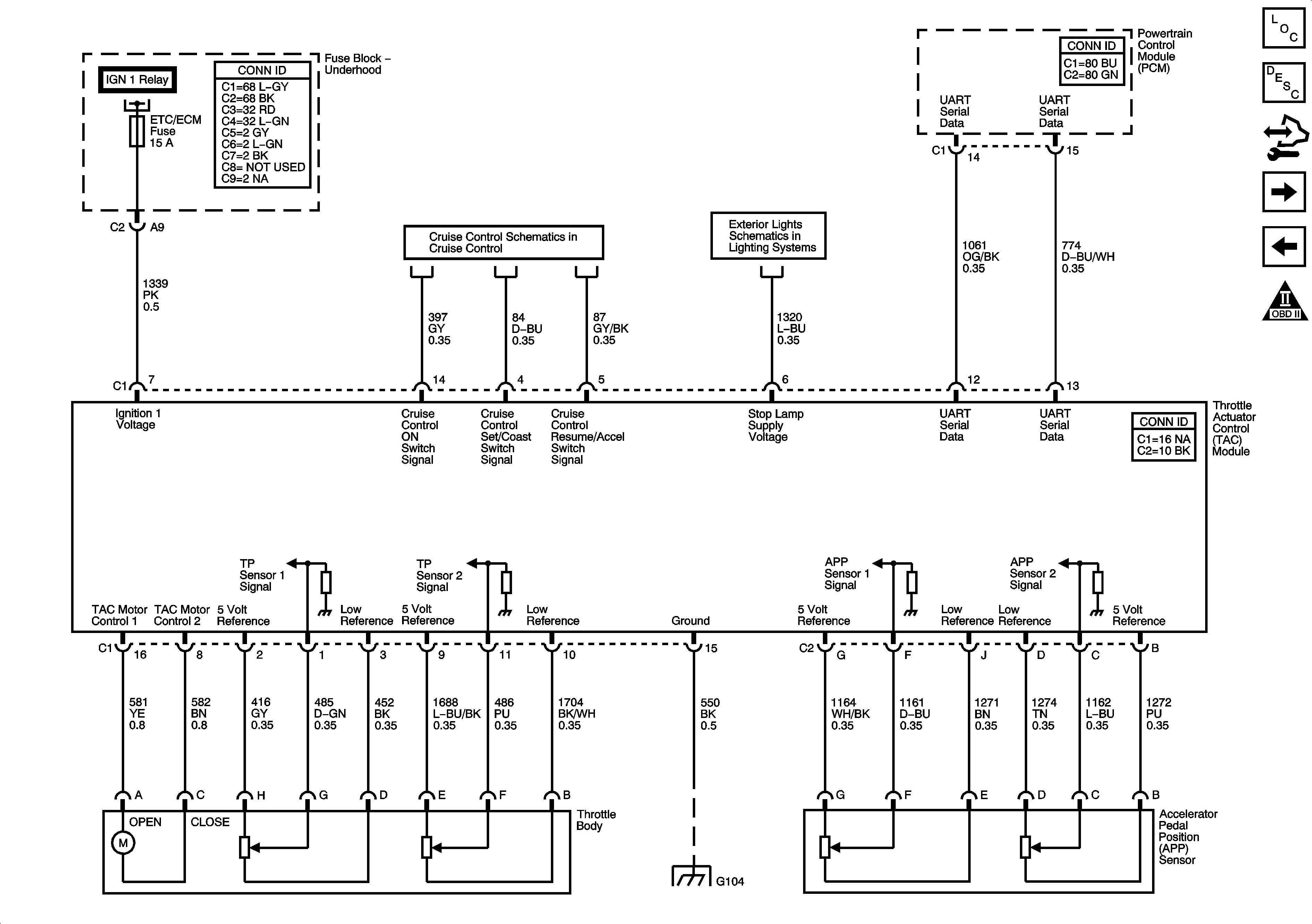
Throttle Actuator Control (TAC) System Description
Control Module References
Ignition Controls - Ignition System Coils 1, 3, 5, and 7
Engine Data Sensors - Oxygen Sensors
Engine Controls Schematic Icons
Module Power, Ground, Serial Data, and MIL
Power, Cruise Control Switch, and Stop Lamp Feed
Stop Lamps - 1 of 2
G104 and G107