GM Service Manual Online
For 1990-2009 cars only
Makes
🢒
Cadillac
🢒
2005
🢒
Escalade EXT
🢒 Fuel Controls - Fuel Pump Controls
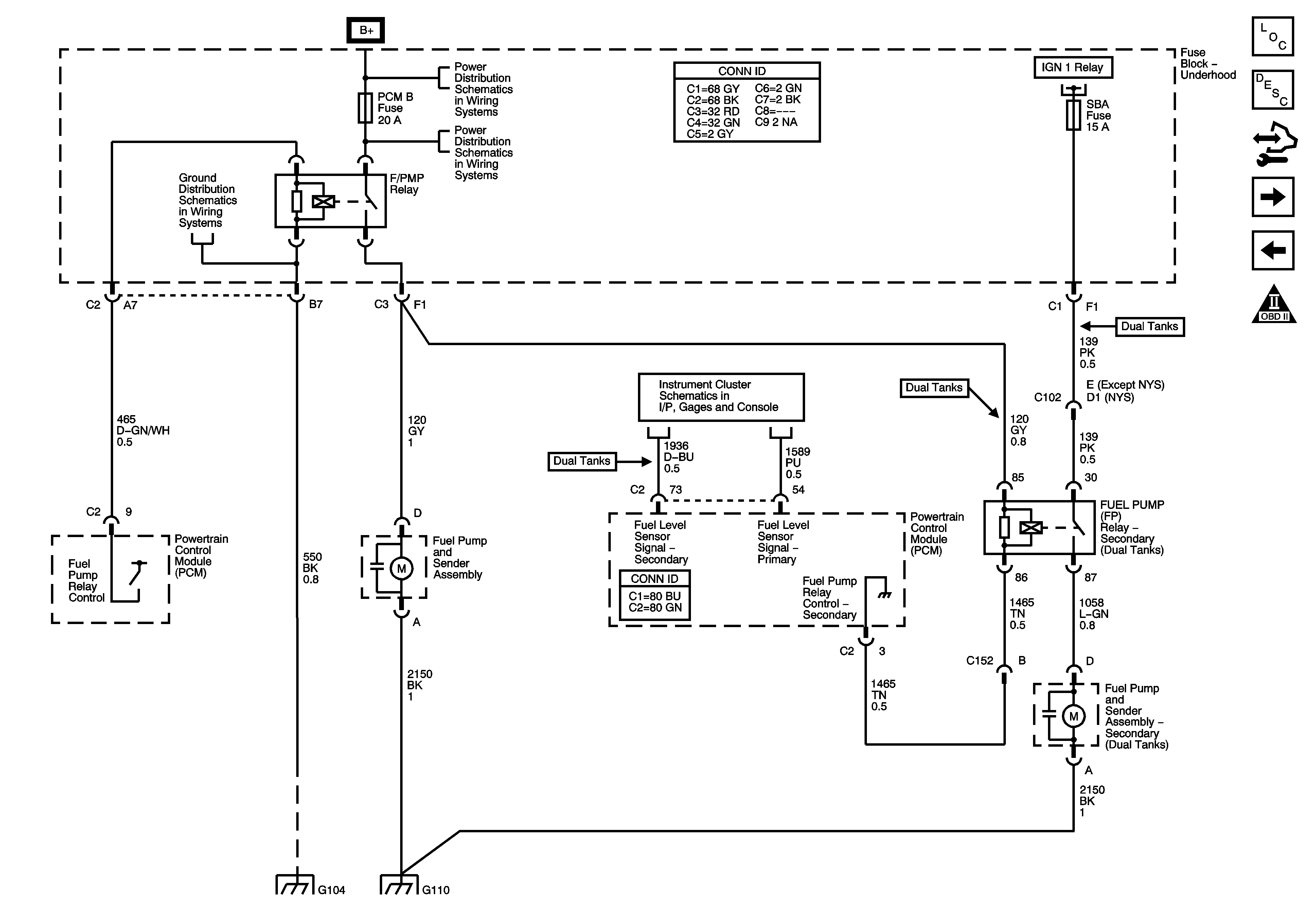
Fuel Controls - Fuel Pump Controls
Fuel Controls - Fuel Pump Controls
Master Electrical Component List
Fuel System Description Pickup and Utility
Control Module References
Fuel Controls - Fuel Injectors
Ignition Controls - Sensors
Engine Controls Schematic Icons
G104 and G107
B+ Bus - 1 of 2
AUX PWR, AUX PWR 2, DDM, ECC, LBEC 2, LOCKS, PCM B, and PDM Fuses
Module Power, Ground, Serial Data, and MIL
Fuel Gage
G104 and G107
G101 and G110