GM Service Manual Online
For 1990-2009 cars only
Makes
🢒
Cadillac
🢒
2005
🢒
Escalade EXT
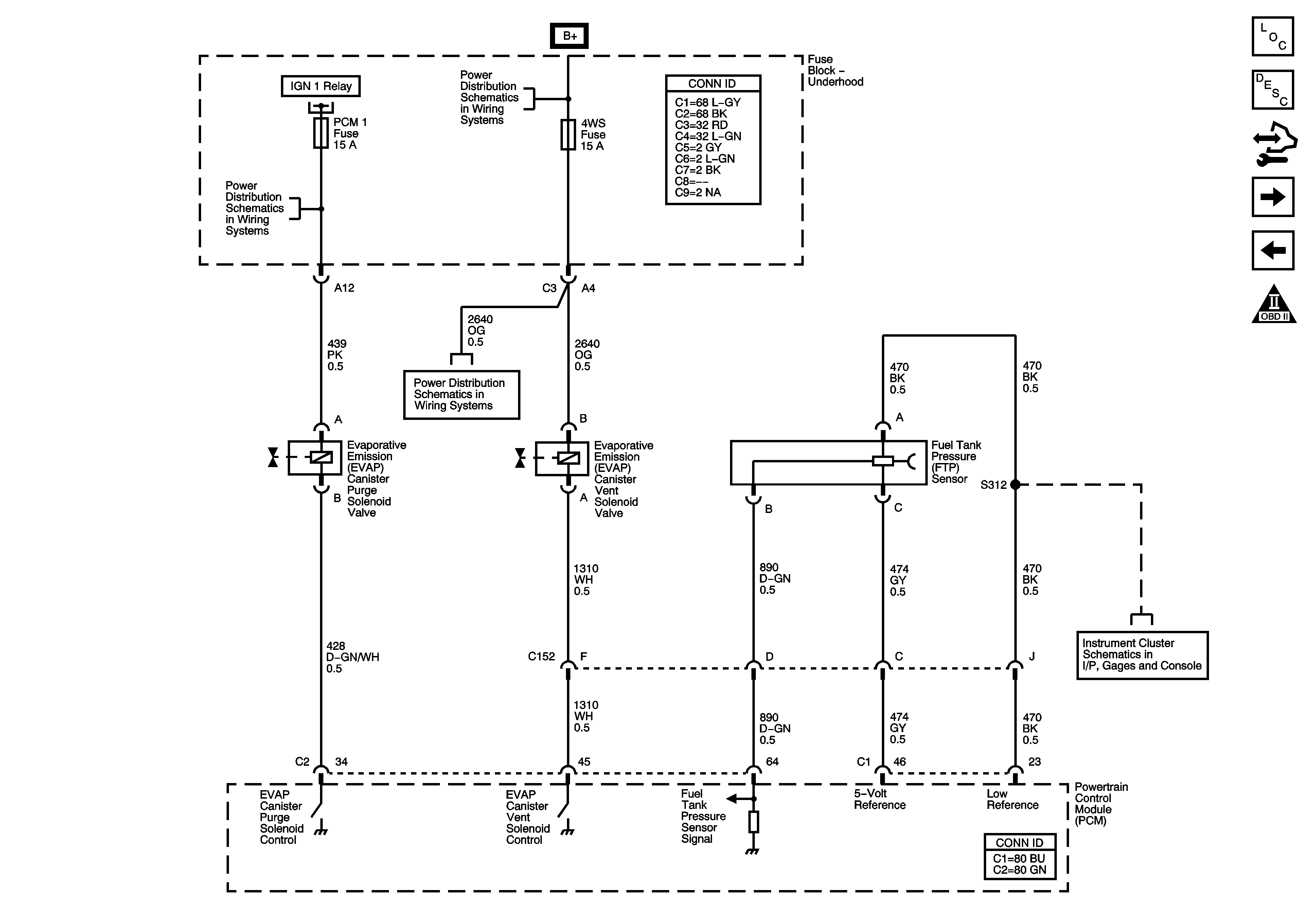
🢒 Fuel Controls - EVAP Controls
Fuel Controls - EVAP Controls
Fuel Controls - EVAP Controls
Master Electrical Component List
Evaporative Emission Control System Description
Control Module References
Transmission and Controlled/Monitored Subsystem References
Fuel Controls - Fuel Injectors
Engine Controls Schematic Icons
Module Power, Ground, Serial Data, and MIL
B+ Bus - 1 of 2
G102 and G103
RR WPR, STOP LP, TREC, VEH CHMSL, VEH STOP, and 4WS Fuses
Fuel Gage