GM Service Manual Online
For 1990-2009 cars only
Makes
🢒
Cadillac
🢒
2006
🢒
Escalade EXT
🢒
Accessories
🢒
Navigation Systems
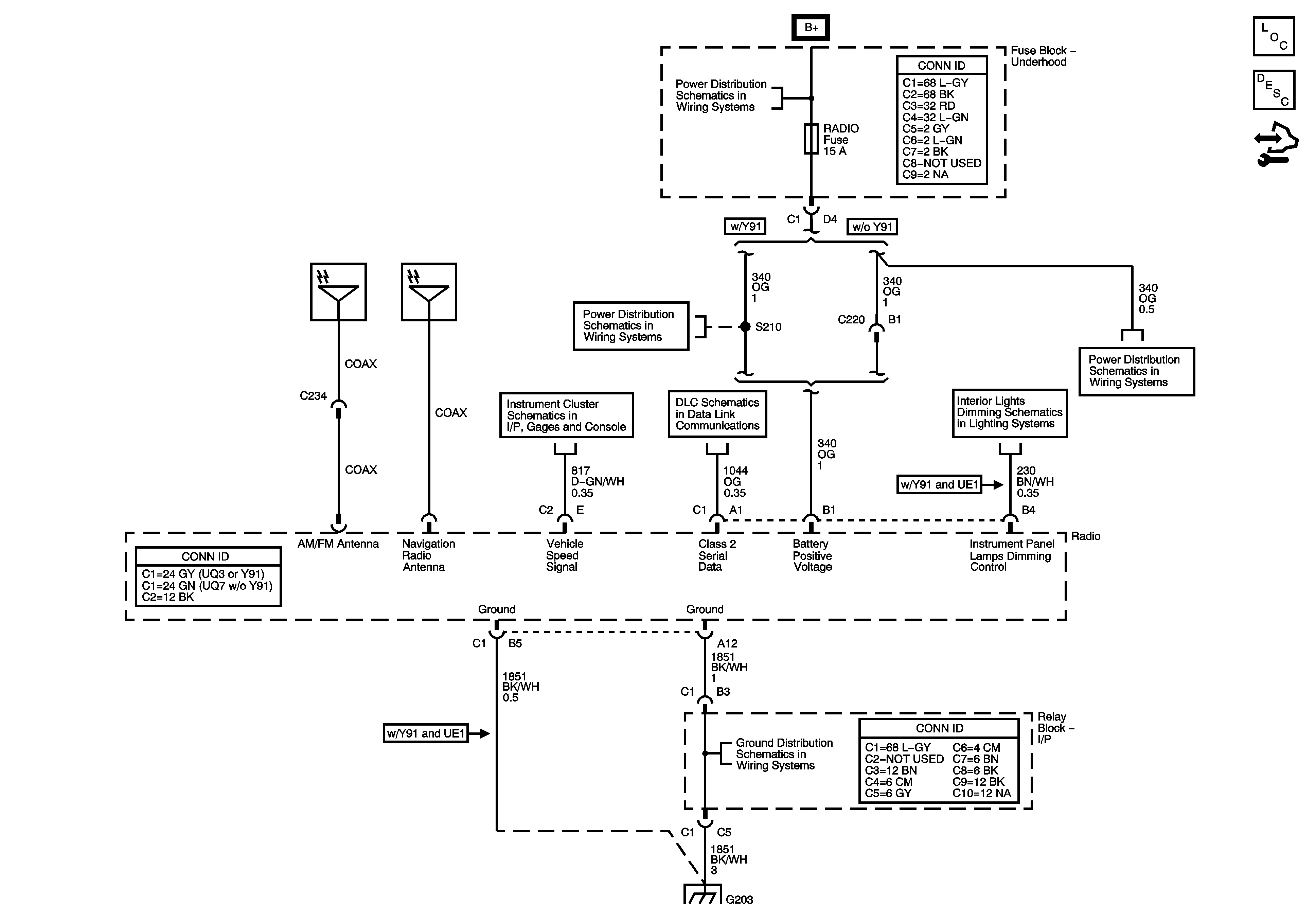
🢒 Navigation System Schematics
Master Electrical Component List
Navigation System Description and Operation
Control Module References
B+ Bus - 1 of 2
RADIO, RADIO AMP, and S/ROOF Fuses
RADIO, RADIO AMP, and S/ROOF Fuses
Gages
Power, Ground, DLC and Splice Pack SP205
I/P Dimming Supply Voltage - 6 of 8
G203 1 of 3
G203 1 of 3